Запчасти Case IH 885 (H20) - STEERING & FRONT AXLE, PUMP & RESERVOIR, HYDROSTATIC POWER STEERING - 885 TRACS, OPTIONAL EQUIPMENT Steering & Front Axle

Схема запчастей Case IH 885 - (H20) - STEERING & FRONT AXLE, PUMP & RESERVOIR, HYDROSTATIC POWER STEERING - 885 TRACS, OPTIONAL EQUIPMENT Steering & Front Axle
30
13
26
19
9
3
32
21
42
16
31
12
34
38
37
44
43
33
2
45
35
20
5
48
14
36
22
46
6
15
4
28
40
17
11
8
1
18
24
23
9
25
41
27
29
39
47
10
7
FIT
1:1
100%

Артикул

Название

Примечание

Количество

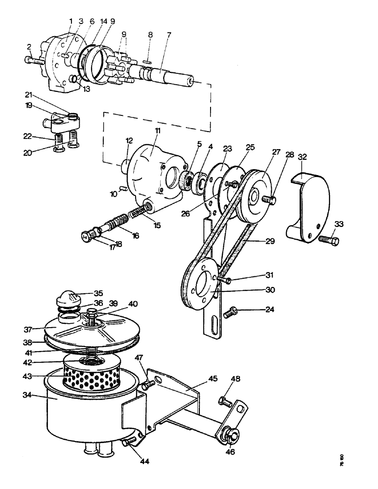
K944379

PUMP

ASSEMBLY, Includes: Ref. 1 - 22 and fibre washer

1шт.

1

K962316

COVER

with bush

1шт.

2

K961108

SCREW, Serial Range: cover-body

1шт.

3

K961096

DOWEL PIN

1шт.

4

K960754

BEARING

1шт.

5

K961093

OIL SEAL

OIL SEAL, 3/4 in

1шт.

6

K961092

BUSHING

BUSH, cover

1шт.

7

K961109

SHAFT

1шт.

8

K960738

DRIVE

PIN, carrier

1шт.

9

K961104

CAM

carrier and rollers

1шт.

10

K961101

CAM

LOCKING PEG, cam

1шт.

11

K962317

BODY, with bush

1шт.

12

K961092

BUSHING

BUSH

1шт.

13

K961102

O-RING

'O' RING, 3/8 in internal dia.

1шт.

14

K961103

O-RING

'O' RING, 2-3/8 in internal dia.

1шт.

15

K961098

SPRING

flow control

1шт.

16

K962278

VALVE

700 lb/square inch

1шт.

17

K961099

PLUG, DRAIN

CAP, valve

1шт.

18

K961100

O-RING

'O' RING, 5/8 in internal dia.

1шт.

19

K963595

CONNECTOR, ELEC

CONNECTOR, inlet and by-pass pipes

1шт.

20

K961833

BANJO BOLT

BANJO BOLT, inlet port

1шт.

21

K960733

GASKET

SEALING RING, 13/16 in

2шт.

K961835

WASHER

FIBRE WASHER, 25/32 in

1шт.

22

K963597

BOLT

BANJO BOLT, by-pass port

1шт.

K963596

WASHER

FIBRE WASHER

1шт.

23

K953926

BRACKET

SUPPORT BRACKET, pump, replaces K944380

1шт.

24

K603308

BOLT (SPREADER)

SETSCREW, 5/8 UNC x 1-3/4 in

2шт.

K19475

WASHER

5/8 in, Serial Range: bracket-frame

2шт.

K19485

WASHER

SPRING WASHER, 5/8 in, Serial Range: bracket-frame

2шт.

25

K944977

RETAINER

BEARING RETAINER

1шт.

26

K612705

SCREW

SETSCREW, 1/4 UNF x 1 in, Serial Range: bracket-pump

4шт.

K19480

SPRING WASHER

SPRING WASHER, 1/4 in, Serial Range: bracket-pump

4шт.

27

K913630

PULLEY

pump

1шт.

28

K602803

BOLT

SETSCREW, 5/16 UNC x 3/4 in, Serial Range: pulley-pump

1шт.

K904523

WASHER

5/16 in, special, Serial Range: pulley-pump

1шт.

K19481

SPRING WASHER

SPRING WASHER, 5/16 in, Serial Range: pulley-pump

1шт.

K82664

KEY

1/8 x 1/8 x 13/16 in, Serial Range: pulley-pump

1шт.

29

K913631

BELT

V-BELT, Driving, Pump

1шт.

30

K916812

PULLEY

RIM

1шт.

31

K600144

BOLT

1/4 UNC x 1-3/8 in, rim to crankshaft pulley

4шт.

K19480

SPRING WASHER

SPRING WASHER, 1/4 in, rim to crankshaft pulley

4шт.

32

K944975

GUARD

pump pulley, rim to crankshaft pulley

1шт.

33

K600148

BOLT

1/4 UNC x 2-1/2 in, pulley, Serial Range: guard-bracket

2шт.

K19470

WASHER

1/4 in, pulley, Serial Range: guard-bracket

2шт.

K19480

SPRING WASHER

SPRING WASHER, 1/4 in, pulley, Serial Range: guard-bracket

2шт.

K607043

NUT

1/4 UNC

2шт.

34

K943592

RESERVOIR

ASSEMBLY, Includes: Ref. 35 - 43

1шт.

35

K962515

CAP

FILLER CAP

1шт.

36

K960843

CAP

SEALING RING, filler cap

1шт.

37

K962517

COVER

1шт.

38

K960725

GASKET

SEALING RING, cover

1шт.

39

413-518

BOLT,Hex, 5/16" - 18 x 1-1/8", Gr 5

SETSCREW, 5/16 UNC x 1-1/8 in, special

1шт.

K626682

WASHER

5/16 in

1шт.

40

K960723

COVER

SEALING WASHER, 5/16 in, special

1шт.

41

K962190

VALVE SPRING

SPRING

1шт.

42

K962191

CAP

element

1шт.

43

K902187

FILTER

ELEMENT

1шт.

K929292

BAFFLE

1шт.

44

K602701

BOLT

SETSCREW, 1/4 UNC x 1/2 in, Serial Range: reservoir-bracket

3шт.

K19480

SPRING WASHER

SPRING WASHER, 1/4 in, Serial Range: reservoir-bracket

3шт.

45

K929980

BRACKET

SUPPORT BRACKET, reservoir

1шт.

46

K627702

GROMMET

bracket

2шт.

47

K602982

SCREW,3/8" - 16 x 3/4", Gr S

SETSCREW, 3/8 UNC x 3/4 in, bracket to cylinder block

1шт.

K19482

SPRING WASHER

SPRING WASHER, 3/8 in, bracket to cylinder block

1шт.

K19472

WASHER

3/8 in, bracket to cylinder block

1шт.

48

88542

BOLT,Hex, 1/4"-20 x 1/2", Gr 5

SETSCREW, 1/4 UNC x 1/2 in, bracket to cylinder block

1шт.

K19470

WASHER

1/4 in, bracket to cylinder block

1шт.

K19480

SPRING WASHER

SPRING WASHER, 1/4 in, bracket to cylinder block

2шт.

Выбрано товаров: 68