Запчасти Case IH 885 (H26) - STEERING & FRONT AXLE, PIPES & FITTINGS-HYDROSTATIC POWER STEERING, 885 TRACTORS, OPTIONAL EQUIPMENT Steering & Front Axle

Схема запчастей Case IH 885 - (H26) - STEERING & FRONT AXLE, PIPES & FITTINGS-HYDROSTATIC POWER STEERING, 885 TRACTORS, OPTIONAL EQUIPMENT Steering & Front Axle
7
3
14
18
11
4
17
9
21
24
5
23
8
1
13
29
15
27
12
26
22
2
20
25
6
16
28
19
10
FIT
1:1
100%

Артикул

Название

Примечание

Количество

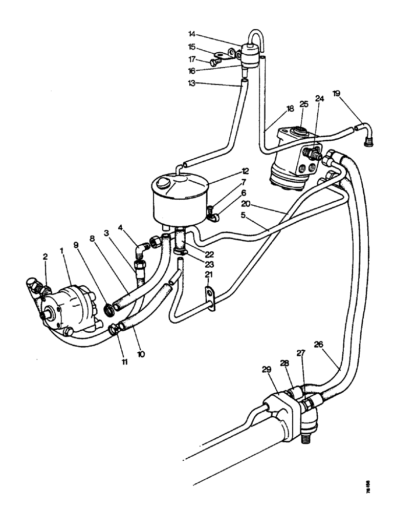
1

K944379

PUMP

ASSEMBLY (See Figure H10)

1шт.

2

K626059

ADAPTER

ADAPTOR, 3/4 - 5/8 UNF, pump outlet

1шт.

K623515

SEAL,16.38mm ID x 25.53mm OD x 3.2mm Thk

ING WASHER, 5/8 in, replaces K623518

1шт.

3

K759670

HOSE

PIPE, flexible, 3/4 UNF x 20-1/2 in

1шт.

4

K622121

FITTING

ELBOW, 3/4 UNF

1шт.

5

K944972

PIPE

pump to steering valve

1шт.

6

K621689

CLIP

pipe, pipe to reservoir bracket

1шт.

7

86625206

SCREW,Phillips Drive, Pan HD, #10 - 32 x 1/2"

No. 10 UNF x 1/2 in, pipe to reservoir bracket

1шт.

K626340

RING

SPRING WASHER, 3/16 in, pipe to reservoir bracket

1шт.

K617080

NUT

No. 10 UNF, pipe to reservoir bracket

1шт.

8

K913632

HOSE

5/8 x 12 in, pump inlet

1шт.

9

K13070

HOSE

CLIP, 7/8 in

2шт.

10

K944383

HOSE

1/2 x 8-3/4 in, pump by-pass

1шт.

11

K14679

HOSE

CLIP, 9/16 in

2шт.

K19928

CLIP

BUCKLE CLIP

1шт.

12

K943592

RESERVOIR

ASSEMBLY, (See Figure H10)

1шт.

13

K940961

BREATHER

PLASTIC TUBE, 5/16 x 10-1/2 in

1шт.

14

K940377

SEPARATOR

OIL SEPARATOR

1шт.

K948007

BRACKET

SUPPORT BRACKET

1шт.

Used on model 885, S/N 635449 and after

1шт.

K619527

PLUG

1/2 UNF

1шт.

Used on model 885, S/N 635449 and after

1шт.

K19484

LOCK WASHER

SPRING WASHER, 1/2 in

1шт.

Used on model 885, S/N 635449 and after

1шт.

K947908

NUT

special, 1/2 UNF

1шт.

Used on model 885, S/N 635449 and after

1шт.

15

K929319

SUPPORT

BRACKET

1шт.

Used on model 885, up to S/N 635449

1шт.

16

K913053

WASHER

CLAMP

1шт.

K929320

CLIP

RUBBER STRIP

1шт.

17

9627874

BOLT,Hex, 5/16" - 18 x 5/8", Gr 5, Full Thd

SETSCREW, 5/16 UNC x 5/8 in

1шт.

K19481

SPRING WASHER

SPRING WASHER, 5/16 in

1шт.

9635082

NUT,5/16" - 18, Gr 5

5/16 UNC

1шт.

18

K928174

BREATHER,0.375" OD x 28.75" L

PLASTIC TUBE, 5/16 x 30 in

1шт.

19

K928171

BREATHER

ELBOW, 1/2 UNF

2шт.

K15735

WASHER

1/2 in

4шт.

425-158

JAM NUT,Jam, 1/2"-20, G5

1/2 UNF

2шт.

20

K944973

PIPE

steering, Serial Range: valve-reservoir

1шт.

21

K944366

CLIP

, Serial Range: pipe-starter

1шт.

K627723

GROMMET

, Serial Range: pipe-starter

1шт.

22

K926992

HOSE

1/2 x 2-1/8 in

1шт.

23

K14679

HOSE

CLIP, 9/16 in

1шт.

24

K626039

FITTING

UNION, 3/4 UNF, steering valve

4шт.

25

K946083

VALVE

STEERING VALVE, (See Figure H08)

1шт.

26

K945756

HOSE

PIPE, flexible, 3/4 UNF x 3/4 in

2шт.

K19928

CLIP

BUCKLE CLIP

3шт.

27

K626039

FITTING

UNION, 3/4 UNF, ram port

1шт.

When subbing from K925302, use 218-5106 for ref#27 and use 218--5230 for ref#28 10/13/95

1шт.

28

K945714

VALVE

LINE VALVE (See Figure H9)

1шт.

When subbing from K925302, use 218-5106 for ref#27 and use 218--5230 for ref#28 10/13/95

1шт.

29

K945702

CYLINDER

STEERING RAM (See Figure H9)

1шт.

Выбрано товаров: 51