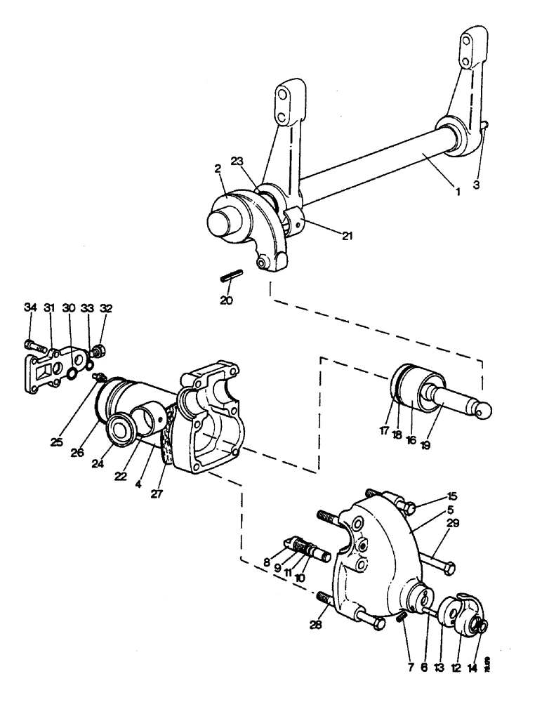
Запчасти Case IH 885 (E20) - SELECTAMATIC HYDRAULIC SYSTEM, RAMSHAFT AND RAM CYLINDER, 885 TRACTORS (07) - HYDRAULIC SYSTEM

Схема запчастей Case IH 885 - (E20) - SELECTAMATIC HYDRAULIC SYSTEM, RAMSHAFT AND RAM CYLINDER, 885 TRACTORS (07) - HYDRAULIC SYSTEM
27
9
8
3
1
5
12
6
28
11
4
15
34
18
2
33
16
21
30
10
20
31
17
26
22
24
7
14
13
25
23
29
19
32
FIT
1:1
100%

Артикул

Название

Примечание

Количество

1

K921719

SHAFT

RAMSHAFT AND LEVERS, Includes: Ref. 2 - 3

1шт.

2

K906796

ARM

RAM LEVER

1шт.

K622381

KEY

2шт.

3

K621807

PIN

DOWEL, 5/16 x 1/2 in

1шт.

4

K961748

CYLINDER

BODY AND COVER ASSEMBLY

1шт.

5

K961742

COVER

AND LIFT LOCK ASSEMBLY, Includes: Ref. 6 - 15 and nut and shakeproof washer

1шт.

6

K620027

NEEDLE

ROLLER

2шт.

7

K606052

SET SCREW,Hex Skt, 5/16" - 18 x 3/4"

LOCATING SCREW

1шт.

8

K913846

PIN

LATCH PIN

1шт.

9

K913436

SPRING

1шт.

10

K24556

O-RING,0.734" ID x 1.012" OD x 0.139"

'O' RING, 3/4 in internal dia., latch pin

1шт.

11

K907061

BUSHING

SPACER RING

1шт.

12

K947974

LEVER ASSY.

OPERATING LEVER

1шт.

K626210

SHIM,.030" Thk

1шт.

13

K913724

DUST CAP

DIRT EXCLUDER

1шт.

14

K11290

RING, SNAP

CIRCLIP, 3/4 in external

2шт.

K924685

RUBBER

RESTRICTOR, cylinder body

1шт.

15

K600816

BOLT

1/2 UNC x 3-1/2 in

2шт.

K607004

NUT

1/2 UNC

2шт.

K11518

WASHER

SHAKEPROOF WASHER, 1/2 in

2шт.

16a

K907502

PISTON

AND INSERT, standard

1шт.

16b

K961769

PISTON AND INSERT, oversize 0.020 in

1шт.

17

K623542

O-RING,0.21" Thk x 2.725" ID, -335, Cl 5, 75 Duro

'O' RING, 2-3/4 in internal dia., piston

1шт.

18

K628050

RING,69.6mm ID x 79.65mm OD x 2.64mm Thk

ANTI-EXTRUSION RING

1шт.

19

K910106

ROD

CONNECTING ROD

1шт.

20

K623920

SPLIT PIN/SAFETY PIN

SPRING PIN, 1/4 x 1-7/8 in

1шт.

21

K912013

BEARING HALF,50.22mm ID x 54.52mm OD x 30.63mm W

BEARING, half

2шт.

22

K912012

BUSHING

BUSH

1шт.

23

K623538

O-RING,6.99mm Thk x 50.16mm ID, 60 Duro

'O' RING, 2 in internal dia., ramshaft

1шт.

24

K30061

COVER

SEALING DISC

1шт.

25

K910104

SCREW

VENT SCREW

1шт.

K11286

BALL

STEEL BALL, 5/16 in

1шт.

26

K623566

O-RING,0.139" Thk x 3.859" ID, -241, Cl 5, 75 Duro

'O' RING, 3-7/8 in internal dia., cylinder body

1шт.

27

K926385

GASKET

cylinder to rear axle case (replaces K913768)

1шт.

28

K600822

BOLT

1/2 UNC x 5 in

2шт.

K11518

WASHER

SHAKEPROOF WASHER, 1/2 in

2шт.

29

K601274

BOLT

5/8 UNC x 12-1/2 in

2шт.

K623515

SEAL,16.38mm ID x 25.53mm OD x 3.2mm Thk

ING WASHER, 5/8 in

2шт.

L11516

SHAKEPROOF WASHER, 5/8 in

2шт.

K607006

NUT

5/8 UNC

2шт.

219-8

LUBE NIPPLE,1/4" - 28 NPTF

NIPPLE, LUBE, , ANF 1/4"-28 NPT x .54" lg

2шт.

30

K24555

O-RING,0.737" ID x 0.943" OD x 0.103"

'O' RING, 3/4 in internal dia., connector to cylinder

1шт.

31

K910107

HYD CONNECTOR

CONNECTOR, Serial Range: pipe-cylinder

1шт.

32

K619527

PLUG

1/2 UNF

1шт.

K15735

WASHER

SEALING WASHER, 1/2 in

1шт.

33

K24676

O-RING,0.103" Thk x 0.612" ID, -114, Cl 6, 90 Duro

'O' RING, 5/8 in internal dia., connector to pipe

1шт.

34

K600404

BOLT

3/8 UNC x 1-1/2 in, Serial Range: connector-cylinder

4шт.

K19482

SPRING WASHER

SPRING WASHER, 3/8 in, Serial Range: connector-cylinder

4шт.

Выбрано товаров: 48