Запчасти Case IH 885N (2-12) - CYLINDER HEAD (02) - ENGINE

Схема запчастей Case IH 885N - (2-12) - CYLINDER HEAD (02) - ENGINE
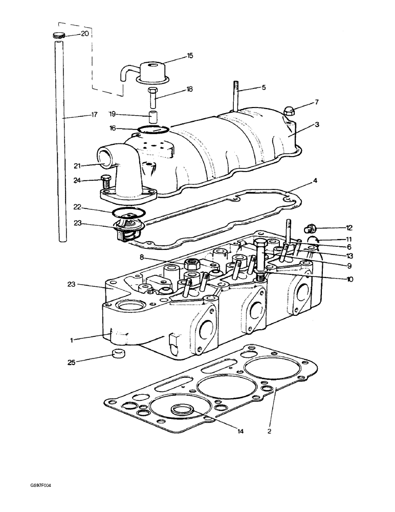
21
5
25
16
24
15
3
19
20
12
17
1
10
23
13
9
4
14
18
7
22
8
11
6
23
2
FIT
1:1
100%

Артикул

Название

Примечание

Количество

K965767

HEAD (CYLINDER)

HEAD - cylinder, complete (Replaces cylinder head K962583)

1шт.

1

K965768

HEAD (CYLINDER)

HEAD - cylinder, with valve inserts and plugs (Replaces cylinder head K962566)

1шт.

2

K262751

GASKET

- oil impregnated asbestos, cylinder head to block (Replaces gasket K949874)

1шт.

3

K206691

COVER

- cylinder head, no longer available (Replaces cover K921488)

1шт.

4

K907338

GASKET,3.97mm Thk

-, Serial Range: cover-head

1шт.

5

K608118

STUD

- cover, 5/16 NC x 3-7/16 inch

2шт.

6

K608111

STUD

- cover, 5/16 NC x 3 inch

2шт.

K626653

WASHER,8.33mm ID x 14.29mm OD x 2.38mm Thk

- flat, 5/16 inch, cylinder head cover

4шт.

7

234-10431

CROWN NUT,Crown, 5/16"-18

Cylinder head cover Crown, 5/16"-18

4шт.

8

K617594

NUT

- special, 1/2 inch NF, cylinder head

6шт.

9

326-868

BOLT,Hex, 1/2" - 13 x 4-1/4", Gr 8

- hex, 1/2 NC x 4-1/4 inch, grade 8, cylinder head (Replaces bolt K600870)

9шт.

10

K953429

WASHER,13.89mm ID x 23.81mm OD x 0.71mm Thk

- special, 1/2 inch

15шт.

K900431

PLUG

- taper

3шт.

11

41-16

PLUG,Exp, 1"

- expansion, housing (Replaces plug K623810)

2шт.

12

K19591

PLUG

- flanged, 1/8 BSP

1шт.

K16732

WASHER

- copper, 3/8 inch

1шт.

K608203

STUD

- exhaust manifold, 3/8 NC x 1-7/16 inch

6шт.

13

K608107

STUD

- injectors, 5/16 NC x 2-11/16 inch

6шт.

425-105

NUT,5/16"-18, G5

- hex, 5/16 inch NC, injectors (Replaces nut K607001)

6шт.

492-11031

LOCK WASHER,5/16"

WASHER, LOCK, , injectors (Replaces washer K19481) 5/16"

6шт.

14

K921246

INSERT

- inlet seal

3шт.

K925019

INSERT

- exhaust seat (Replaces insert K921247)

3шт.

15

K921489

COVER

- breather

1шт.

16

K626901

O-RING,40554" ID x 40575" OD x 0.12"

O-RING - breather cover, 1-5/8 inch ID

1шт.

17

K205246

PIPE

HOSE - breather cover, 26 inch (660 mm) long, cut from bulk hose 1977295CX below (Replaces hose K947667)

1шт.

18

413-826

BOLT,Hex, 1/2" - 13 x 1-5/8", Gr 5

- hex, 1/2 NC x 1-5/8 inch (Replaces bolt K600803)

1шт.

19

K945433

BUSHING

SPACER - cylinder head cover

1шт.

425-148

JAM NUT,Jam, 1/2"-13, G5

- hex jam, 1/2 inch NC (Replaces nut K607054)

1шт.

K626443

WASHER

- flat, copper, 1/2 inch

1шт.

20

214-1410

HOSE CLAMP,#10, 0.56" - 1.06", Type F Worm

CLAMP, HOSE, , Adjustable (Replaces clips K622024 and K13069) #10, 0.56/1.06 Type F Worm

1шт.

21

K921853

OUTLET

PIPE - water outlet

1шт.

22

238-5138

O-RING,0.103" Thk x 2.112" ID, -138, Cl 5, 75 Duro

Thermostat (Replaces O-ring K68951) -138, 90 Duro, 2.112" ID x .103" Thk

1шт.

23

K200831

THERMOSTAT

- cylinder head (Replaces thermostat K900368)

1шт.

K910411

GASKET

- cylinder head

1шт.

492-11031

LOCK WASHER,5/16"

WASHER, LOCK, (Replaces washer K19481) 5/16"

2шт.

24

413-518

BOLT,Hex, 5/16" - 18 x 1-1/8", Gr 5

- hex, 5/16 NC x 1-1/8 inch (Replaces bolt K602806)

2шт.

25

K915330

SEALING RING

SEAL - rubber, pump to cylinder head

1шт.

1977295CX

LARGE HOSE

HOSE - bulk, 50 foot (15240 mm) roll

1шт.

Выбрано товаров: 38