Запчасти Case IH 885N (6-18) - GEARBOX (06) - POWER TRAIN

Схема запчастей Case IH 885N - (6-18) - GEARBOX (06) - POWER TRAIN
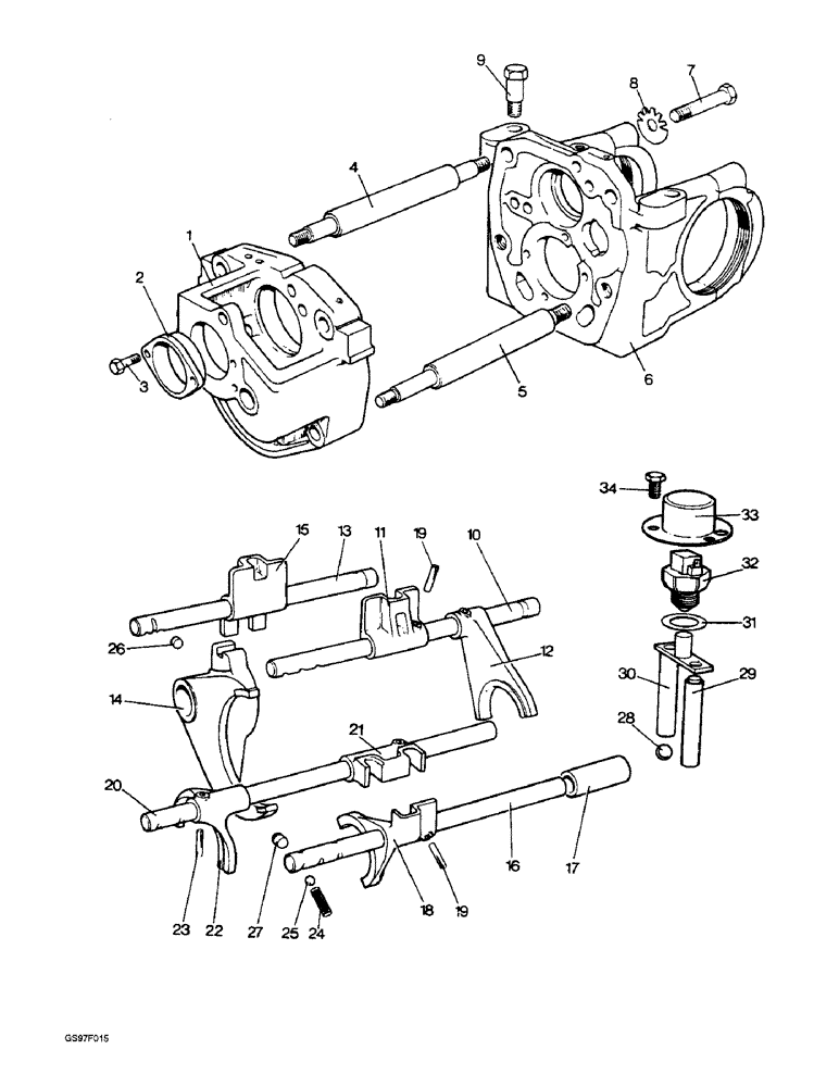
22
24
32
21
1
5
2
13
15
16
30
9
7
33
20
14
10
19
8
3
12
27
28
23
25
4
6
19
31
18
26
29
17
11
34
FIT
1:1
100%

Артикул

Название

Примечание

Количество

K964952

GEARBOX

- complete, 6-speed synchromesh Livedrive, used with 885, 885H and 885N tractors, no longer available

1шт.

K964951

GEARBOX

- complete, 12-speed synchromesh Livedrive, used with 885, 885H and 885N tractors, no longer available

1шт.

K941660

BOX

GEARBOX - complete, 12-speed synchromesh Livedrive, used with 885Q, 885QH and 885Sk tractors, no longer available

1шт.

K941020

BOX

GEARBOX - complete, 12-speed synchromesh Livedrive, used with 885G tractors, no longer available

1шт.

1

K929944

PLATE

- end, front, 12-speed, used with 885Q, 885QH and 885Sk tractors

1шт.

1

K929945

PLATE

- end, front, 6-speed, used with 885Q, 885QH and 885Sk tractors, no longer available

1шт.

1

K940345

PLATE

- end, front, 12-speed, used with 885G tractors, no longer available

1шт.

2

K928437

BEARING HOUSING

HOUSING - bearing, 12-speed

1шт.

3

413-514

BOLT,Hex, 5/16" - 18 x 7/8", Gr 5

Housing to end plate (Replaces bolt K602804) Hex, 5/16"-18 x 7/8", G5, Full Thd

2шт.

492-11031

LOCK WASHER,5/16"

WASHER, LOCK, , housing to end plate (Replaces washer K19481) 5/16"

2шт.

4

K928339

LARGE PIN

BAR - spacing, upper

2шт.

5

K928338

SHAFT

BAR - spacing, lower, two used with 885Q, 885QH, 885Sk, 885, 885H and 885N tractors, one used with 885G tractors

1шт.

5

K929657

BUSHING

BAR - spacing, lower, used with 885G tractors, no longer available

1шт.

K607331

NUT

- Nyloc, 5/8 inch NC

6шт.

6

K963487

PLATE

- end, rear, with bearing caps

1шт.

7

326-1052

BOLT,Hex, 5/8" - 11 x 3-1/4", Gr 8

Caps to end plate (Replaces bolt K601240) Hex, 5/8"-11 x 3 1/4", G8

4шт.

8

K626389

BEARING WASHER

WASHER - tab, caps to end plate

4шт.

9

K601306

BOLT

- special, 5/8 inch NC, gearbox to main frame, no longer available

2шт.

K920656

BUSHING

BUSH - gearbox to main frame

2шт.

K626239

SHIM,.010" Thk

1шт.

10

K945213

SELECTOR

ROD - selector, first and reverse

1шт.

11

K954125

SELECTOR

JAW - selector, first and reverse

1шт.

12

K942472

SELECTOR

FORK - selector, first and reverse

1шт.

13

K945215

SELECTOR

ROD - selector, second and third

1шт.

14

K926310

SELECTOR

FORK - selector, second and third

1шт.

15

K204778

SELECTOR

JAW - selector, second and third (Replaces jaw K928571)

1шт.

16

K929322

SELECTOR

ROD - selector, second and third, used with 885Q, 885QH and 885Sk tractors (Replaces rod K945699)

1шт.

16

K929322

SELECTOR

ROD - selector, high/low, used with 885, 885H 885N and 885G tractors

1шт.

17

K929417

BUSHING

SLEEVE - high/low

1шт.

18

K950260

SELECTOR

FORK - selector, high/low, used with 885Q, 885QH and 885Sk tractors

1шт.

18

K928568

SELECTOR

FORK - selector, 12-speed, high/low, used with 885, 885H 885N and 885G tractors

1шт.

18

K929628

SELECTOR

FORK - selector, 6-speed, used with 885, 885H and 885N tractors, no longer used

1шт.

19

K623887

PIN,5.21mm OD x 25.4mm L

- 3/16 x 1-1/8 inch (Replaces pin K623770)

6шт.

20

K928576

SELECTOR

ROD - selector, slow/normal

1шт.

21

K950259

SELECTOR

JAW - selector, slow/normal, used with 885Q, 885QH and 885Sk tractors

1шт.

21

K928572

SELECTOR

JAW - selector, slow/normal, used with 885, 885H, 885N and 885G tractors, no longer available

1шт.

22

K928567

SELECTOR

JAW - selector, slow/normal

1шт.

23

K623887

PIN,5.21mm OD x 25.4mm L

- 3/16 x 1 inch (Replaces pin K623770)

1шт.

24

K13507

SPRING

- gear detent

4шт.

25

211-1012

BALL,3/8" Dia

- detent, chrome alloy steel, 3/8 inch, grade 24 (Replaces ball K13506)

4шт.

26

K30430

LOCKING DEVICE

LOCK - gear

1шт.

27

K915492

DOWEL

LOCK - gear, high/low, used with 885, 885H, 885N and 885G tractors

1шт.

28

211-1012

BALL,3/8" Dia

- chrome alloy steel, 3/8 inch, grade 24 (Replaces ball K13506)

2шт.

29

K945208

PLUNGER

- lower, no longer available

1шт.

30

K945204

PLUNGER

- includes plate

1шт.

31

K626895

SHIM,.002" Thk

Switch to gearbox cover .002" Thk

1шт.

31

K626858

SHIM,.005" Thk

Switch to gearbox cover .005" Thk

1шт.

31

K626894

SHIM,.010" Thk

Switch to gearbox cover .010" Thk

1шт.

32

K262714

SWITCH

- safety, starter (Replaces switch K940288)

1шт.

33

K940284

COVER

- safety switch, used with 885, 885H, 885N and 885G tractors

1шт.

34

413-48

BOLT,Hex, 1/4" - 20 x 1/2", Gr 5

- hex,1/4 NC x 1/2 inch, used with 885, 885H, 885N and 885G tractors (Replaces bolt K602734)

3шт.

492-11025

LOCK WASHER,1/4"

WASHER, LOCK, , Used with 885, 885H, 885N and 885G tractors (Replaces washer K626341) 1/4"

3шт.

Выбрано товаров: 0