Запчасти Case IH 885N (6-24) - GEAR SHIFT LEVERS, 885Q, 885QH AND 885SK TRACTORS (06) - POWER TRAIN

Схема запчастей Case IH 885N - (6-24) - GEAR SHIFT LEVERS, 885Q, 885QH AND 885SK TRACTORS (06) - POWER TRAIN
29
27
28
33
27
9
32
26
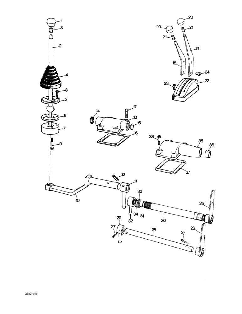
1
2
4
22
23
24
35
17
8
19
3
21
6
36
25
12
13
34
15
11
31
30
21
37
20
16
38
10
18
5
20
7
14
FIT
1:1
100%

Артикул

Название

Примечание

Количество

1

K950690

BALL KNOB

KNOB - gear lever, no longer available

1шт.

2

K955597

SELECTOR

LEVER - gear, used with 885Q and 885QH tractors with serial number 11010300 and after, no longer available

1шт.

2

K950688

SELECTOR

LEVER - gear, tractor serial numbers prior to 11010300, no longer available

1шт.

3

D38662

RING

- retaining, knob to lever (Replaces ring K628474)

1шт.

4

K950494

RUBBER

GAITER - gear lever

1шт.

5

K950490

BALL

HOUSING - ball, upper, no longer available

1шт.

6

K950489

BALL

HOUSING - ball, lower, no longer available

1шт.

7

K950491

BUSHING

SPACER - ball housing, no longer available

1шт.

8

K613992

SCREW

- hex, No. 10 NF x 1 inch, no longer available

1шт.

492-11010

LOCK WASHER,#10

WASHER, LOCK, (Replaces washer K19488) #10

1шт.

9

113-12

BOLT,Hex, 1/4" - 20 x 2-1/2", Gr 5

- hex, 1/4 NC x 2-1/2 inch (Replaces bolt K600148)

2шт.

492-11025

LOCK WASHER,1/4"

WASHER, LOCK, (Replaces washer K626341) 1/4"

2шт.

10

K950201

SELECTOR

SHAFT - selector, no longer available

1шт.

11

K950215

SELECTOR

LEVER - selector, no longer available

1шт.

12

38-32022

PIN,5/16" x 1 3/8", Coiled

- 5/16 x 1-1/2 inch (Replaces pin K623775)

1шт.

13

K950243

HOUSING

- selector shaft

1шт.

14

K623630

SEAL

- oil

1шт.

15

41-16

PLUG,Exp, 1"

- expansion, housing (Replaces plug K623810)

1шт.

16

K950543

GASKET,0.2mm Thk

- housing to gearbox cover

1шт.

17

413-524

BOLT,Hex, 5/16" - 18 x 1-1/2", Gr 5

- hex, 5/16 NC x 1-1/2 inch, housing to gearbox cover (Replaces bolt K600205)

4шт.

492-11031

LOCK WASHER,5/16"

WASHER, LOCK, , housing to gearbox cover (Replaces washer K19481) 5/16"

4шт.

18

K953812

LEVER

- hand, upper, high-low, used with 885Q and 885QH tractors with serial number 11003681 and after, no longer available

1шт.

18

K950686

LEVER

- hand, upper, high-low, used with 885Q and 885QH tractors with serial numbers prior to 11003681, no longer available, order levers K953810 and K953812

1шт.

18

K955254

LEVER

- hand, upper, high-low, used with 885Sk tractors, no longer available

1шт.

19

K953810

LEVER

- hand, upper, slow-normal, tractor serial number 11003681 and after, no longer available

1шт.

19

K950683

LEVER

- hand, upper, slow-normal, used with 885Q and 885QH tractors with serial numbers prior to 11003681, no longer available, order levers K953810 and K953812

1шт.

K955255

BUSHING

SPACER - hand lever, used with 885Sk tractors, no longer available

1шт.

20

K950690

BALL KNOB

KNOB - hand levers, no longer available

2шт.

21

D38662

RING

- retaining, knobs to levers (Replaces ring K628474)

2шт.

22

K950822

RUBBER

GAITER - hand levers, no longer available

1шт.

23

K614950

SCREW

- set, No. 10 NF x 1-1/4 inch, gaiter to cab, no longer available (Replaces screw K615408)

4шт.

K626310

WASHER

- flat, 3/16 inch, gaiter to cab, no longer used

4шт.

24

413-58

BOLT,Hex, 5/16" - 18 x 1/2", Gr 5

- hex, 5/16 NC x 1/2 inch, hand levers (Replaces bolt K60840)

4шт.

24

413-524

BOLT,Hex, 5/16" - 18 x 1-1/2", Gr 5

- hex, 5/16 NC x 1-1/2 inch, hand levers (Replaces bolt K600365)

2шт.

492-11031

LOCK WASHER,5/16"

WASHER, LOCK, , hand levers (Replaces washer K19481) 5/16"

4шт.

25

K950429

LEVER

- hand, lower, high-low, no longer available

1шт.

26

K950436

LEVER

- hand, lower, slow-normal, no longer available

1шт.

27

435-5824

GROOVED PIN,1/4" x 1 1/2", Type E

PIN, GROOVED, (Replaces pin K623726) 1/4" x 1 1/2", Type E

2шт.

28

K950003

SELECTOR

SHAFT - selector, slow-normal, no longer available

1шт.

29

K950005

SELECTOR

LEVER - selector, slow-normal

1шт.

30

K950001

SELECTOR

TUBE - selector, high-low, no longer available

1шт.

31

K621303

BUSHING

-, Serial Range: shaft-tube

2шт.

32

K950004

SELECTOR

LEVER - selector, high-low

1шт.

33

K950002

BUSHING

WASHER - flat, 1 inch

1шт.

34

K11128

CIRCLIP

RING - snap, 1 inch OD

2шт.

35

K950000

HOUSING

- gear shift levers

1шт.

36

K628750

BUSHING

- housing, no longer available

1шт.

37

K950543

GASKET,0.2mm Thk

- housing to gearbox cover

1шт.

38

413-524

BOLT,Hex, 5/16" - 18 x 1-1/2", Gr 5

- hex, 5/16 NC x 1-1/2 inch, housing to gearbox cover (Replaces bolt K600205)

4шт.

492-11031

LOCK WASHER,5/16"

WASHER, LOCK, , housing to gearbox cover (Replaces washer K19481) 5/16"

4шт.

Выбрано товаров: 50