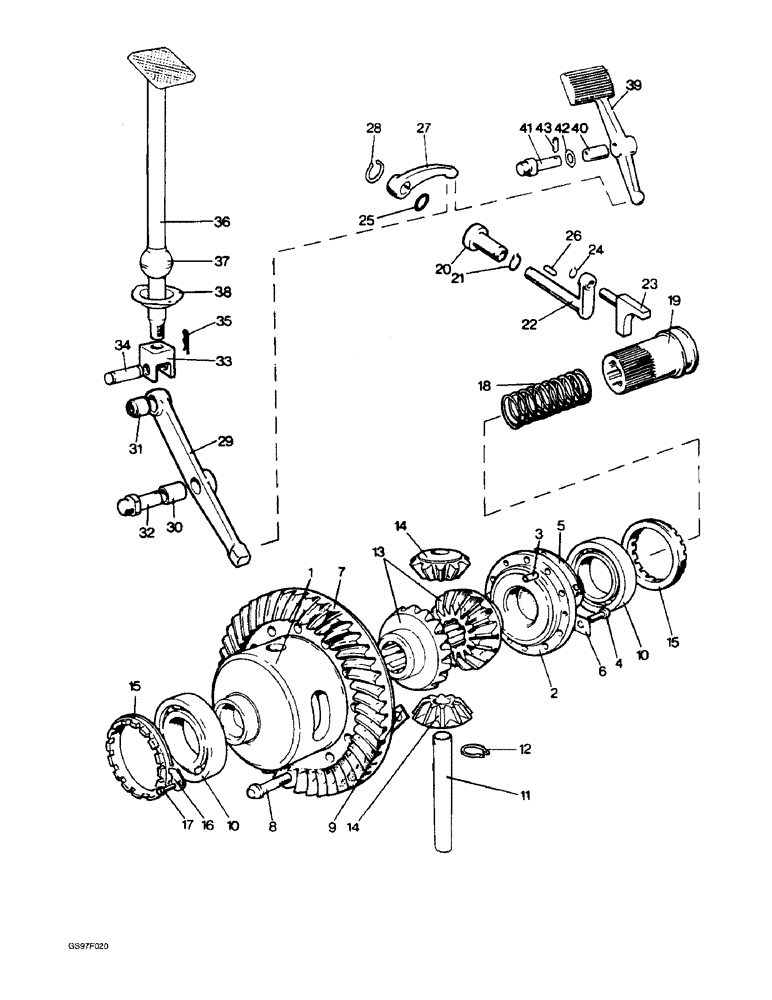
Запчасти Case IH 885N (6-28) - DIFFERENTIAL AND DIFFERENTIAL LOCK (06) - POWER TRAIN

Схема запчастей Case IH 885N - (6-28) - DIFFERENTIAL AND DIFFERENTIAL LOCK (06) - POWER TRAIN
5
24
6
33
4
38
21
34
9
2
10
36
37
32
3
14
7
22
19
35
13
31
41
15
17
23
30
40
10
29
43
27
1
8
15
42
26
28
18
14
16
11
12
25
20
39
FIT
1:1
100%

Артикул

Название

Примечание

Количество

1

K942316

DIFFERENTIAL

CAGE - gear, no longer available, order cage K210383, Ref. 1, pinion K206651, Ref. 14, pin K206650, Ref. 11 and ring K11129, Ref. 12

1шт.

1

K210383

CAGE

- differential

1шт.

2

K903184

FLANGE

PLATE - end, cage

1шт.

3

K621801

PIN

DOWEL - 3/8 x 1-1/8 inch

3шт.

4

413-616

BOLT,Hex, 3/8" - 16 x 1", Gr 5

- hex, 3/8 NC x 1 inch (Replaces bolt K602904)

9шт.

5

K903185

WASHER

- tab

3шт.

6

K626372

WASHER

- tab

3шт.

7

K964879

GEAR-SET

GEAR - spiral, with bevel pinion

1шт.

8

K905664

WHEEL BOLT

- special, 7/16 inch NC

12шт.

9

K30236

WASHER

- tab

6шт.

425-107

NUT,7/16"-14, G5

- hex, 7/16 inch NC (Replaces nuts K607003 and B90348)

12шт.

10

K19010

BALL BEARING

BEARING - ball

2шт.

11

K942318

PIN

- bevel pinion, 1-1/8 inch diameter

1шт.

11

K206650

PIN

- bevel pinion, 1-1/4 inch diameter, used with pinion K206651

1шт.

12

103-11112

SNAP RING,#112, Ext

Ring, Snap, (Replaces ring K12207) #112, Ext

2шт.

12

K11129

RING, SNAP

RING - snap, 1-1/4 inch diameter, used with pin K206650, Ref. 11

2шт.

13

K30234

CONE PINION

WHEEL - bevel, 16 tooth

2шт.

14

K942317

DIFFERENTIAL

PINION - bevel, 10 tooth

2шт.

14

K206651

GEAR

PINION - bevel, 10 tooth, used with cage K210383

2шт.

15

K15007

RING, LOCKING

WHEEL - adjuster

2шт.

16

K626420

WASHER

PLATE - lock, adjuster wheel

2шт.

17

413-58

BOLT,Hex, 5/16" - 18 x 1/2", Gr 5

- hex, 5/16 NC x 1/2 inch (Replaces bolt K602801)

2шт.

18

K625119

SPRING

- return

1шт.

19

K903191

SLEEVE

- locking

1шт.

20

K903494

BUSHING

- rear axle housing

1шт.

21

100-1187

SNAP RING,#87, Ext

Ring, Snap, (Replaces K34454) #87, Ext

1шт.

22

K903197

SHAFT

- arm

1шт.

23

K903226

SELECTOR

FORK - selector

1шт.

K626674

WASHER

- special, 1/2 inch

1шт.

24

K11302

RING, SNAP

RING - snap, 1/2 inch ID

1шт.

25

238-6114

O-RING,0.103" Thk x 0.612" ID, -114, Cl 6, 90 Duro

(Replaces O-ring K24676) -114, 90 Duro, .612" ID x .103" Thk

1шт.

26

K622309

KEY

- 3/16 x 5/32 x 3/4 inch

1шт.

27

K950442

LEVER

- used with 885Q, 885QH, 885Sk and 885LP tractors, no longer available

1шт.

27

K903228

LEVER

- used with 885, 885H, 885G tractors

1шт.

27

K916816

LEVER

- used with 885N tractors, no longer available

1шт.

28

K11797

RING, SNAP

RING - snap, 5/8 inch OD

1шт.

29

K955069

LEVER

- actuating, used with 885Q, 885QH and 885Sk tractors, no longer available

1шт.

29

K201658

LEVER

- actuating, used with 885LP tractors, no longer available

1шт.

30

K621377

BUSHING

- lever pivot, used with 885Q, 885QH, 885Sk and 885LP tractors

1шт.

31

K949602

BUSHING

- lever end, used with 885Q, 885QH, 885Sk and 885LP tractors, no longer available

1шт.

32

K916855

STUD

PIN - pivot, used with 885Q, 885QH, 885Sk and 885LP tractors

1шт.

K19475

WASHER

- flat, 5/8 inch, used with 885Q, 885QH, 885Sk and 885LP tractors

1шт.

432-816

COTTER PIN,1/8" x 1"

Pin, Split (Cotter), , Used with 885Q, 885QH, 885Sk and 885LP tractors 1/8" x 1"

1шт.

33

K949600

FORK

- end, used with 885Q, 885QH, 885Sk and 885LP tractors, no longer available

1шт.

34

K949601

PIN

- clevis, used with 885Q, 885QH, 885Sk and 885LP tractors, no longer available

1шт.

K19472

WASHER

- flat, 3/8 inch, used with 885Q, 885QH, 885Sk and 885LP tractors

1шт.

35

K621573

RING, SNAP

CLIP - spring, used with 885Q, 885QH, 885Sk and 885LP tractors, no longer available

1шт.

36

K955604

PEDAL

- differential lock, used with 885Q, 885QH and 885Sk tractors with serial number 11010300 and after, no longer available

1шт.

36

K950444

LOCK

PEDAL - differential lock, used with 885Q, 885QH and 885Sk tractors with serial numbers prior to 11010300, no longer available

1шт.

36

K201615

PEDAL

- differential lock, used with 885LP tractors, no longer available

1шт.

425-108

NUT,1/2" - 13, Gr 5

NUT, , Used with 885Q, 885QH, 885Sk and 885LP tractors (Replaces nut K607047) 1/2"-13, G5

1шт.

37

K950448

BEARING

- spherical, used with 885Q, 885QH, 885Sk and 885LP tractors, no longer available

1шт.

38

K950447

PLATE

- support, bearing to cab floor, used with 885Q, 885QH, 885Sk and 885LP tractors, no longer available

2шт.

39

K962631

PEDAL

ASSEMBLY - used with 885, 885H, 885G and 885N tractors, no longer available

1шт.

40

K621346

BUSHING

- pedal, no longer available

1шт.

41

K919577

PIN

- pivot, 5/8 inch NC, used with 885, 885H, 885G and 885N tractors

1шт.

K626686

WASHER

- flat, 1/2 inch, used with 885, 885H, 885G and 885N tractors (Replaces washer K19474)

1шт.

42

K921178

ADAPTER

SHIM - 0.036 inch, used with 885N tractors

1шт.

43

138-1816

LOCK PIN,1/8" x 1", Slotted, Stainless

Pin, 1/8" x 1, Slotted, Stainless, used with 885, 885H, 885G and 885N tractors (Replaces pin K690976)

1шт.

Выбрано товаров: 59