Запчасти Case IH 950 (060) - CARBURETTER (02) - ENGINE

Схема запчастей Case IH 950 - (060) - CARBURETTER (02) - ENGINE
6
27
16
5
23
9
2
24
31
20
3
15
22
10
17
30
26
11
13
32
28
25
4
8
18
1
7
12
19
21
14
29
FIT
1:1
100%

Артикул

Название

Примечание

Количество

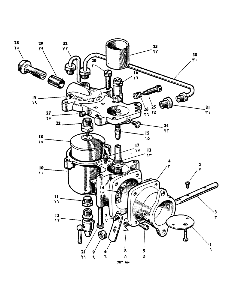
1

K12852

Butterfly--Strangler (Solex 8050)

1шт.

2

K12857

Screw--Fixing Butterfly to Spindle (Solex 3947)

2шт.

3

K12853

Spindle--Butterfly (Solex 3973/L.1)

1шт.

4

K12851

Strangler Body--(Solex 50205)

1шт.

5

K12858

Screw--(Solex 50238) Strangler Body to Carburetter Body

4шт.

K12859

Washer--Spring (Solex 901) Strangler Body to Carburetter Body

4шт.

6

K37193

Lever--Strangler Spindle (Solex 51758/c)

1шт.

7

K12856

Bolt--Strangler Lever (Solex 51760)

1шт.

8

K12854

Spring--Strangler Lever (Solex 4823)

1шт.

9

K12860

Nut--Spindle Fixing (Solex 4024)

1шт.

10

K31470

Float Chamber (Solex 8973)

1шт.

11

K12848

Drain Plug--1/8" Gas Float Chamber Gasoline Carburetters

1шт.

12

K19646

Drain Tap--7/16" x 26 T.P.I. Float Chamber, Kerosene Carburetters

1шт.

K12892

Washer--Fibre (Solex 50815) Kerosene Carburetters

1шт.

13

K12845

Carrier--Main Jet (Solex 50443)

1шт.

14

K12846

Washer--for Carrier (Solex 4799)

1шт.

15

Main Jet (See individual Carburetter Assemblies, Fig. 62) (Solex 50442)

1шт.

16

K12847

Cap--Main Jet (Solex 50444)

1шт.

17

Auxiliary Jet (See individual Carburetter Assemblies, Fig. 62) (Solex 50552)

1шт.

18

K12849

Float--(Solex 50772/1)

1шт.

19

K31471

Cover--Float Chamber (Solex 9286)

1шт.

20

K12850

Screw--(Solex 50239) Float Chamber Cover to Float Chamber

2шт.

21

K31480

Screw--(Solex 9284) Float Chamber Cover to Float Chamber

2шт.

K19480

SPRING WASHER

--Spring (Solex 971) Float Chamber Cover to Float Chamber

2шт.

22

K12839

Needle Valve--Complete (Solex 51305/8)

1шт.

K12840

Washer--Fibre (Solex 2261)

1шт.

23

Choke Tube (See individual Carburetter Assemblies, Fig. 62) (Solex 50267)

1шт.

24

K12835

Screw--Fixing Tube to Cover (Solex 50236)

1шт.

K12836

Washer--Spring (Solex 971)

1шт.

25

K12837

Screw--Slow Running Air Adjustment (Solex 50573)

1шт.

26

K12838

Spring--for screw (Solex 50550)

1шт.

27

K12902

Plug--Slow Running Air Adjustment Bore (Solex 51274/1)

1шт.

28

K12806

Banjo Bolt--(Solex 4122) Fuel Feed, Serial Range: Pipe-Carburetter

1шт.

29

K12807

Filter Gauze--(Solex 4123) Fuel Feed, Serial Range: Pipe-Carburetter

1шт.

K12842

Washer--Fibre, Large (Solex 4124) Fuel Feed, Serial Range: Pipe-Carburetter

1шт.

K12843

SPARE PART

Washer--Fibre, Small (Solex 4124/1) Fuel Feed, Serial Range: Pipe-Carburetter

1шт.

30

K66109

Balance Pipe--Complete

1шт.

31

K11814

Adaptor

1-2шт.

K19504

WASHER,9.92mm ID x 14.29mm OD x 2mm Thk

--Fibre, 1/8" Gas

2шт.

32

K66112

Vent Pipe--Complete

1шт.

Выбрано товаров: 0