Запчасти Case IH 950 (096) - POWER ASSISTED STEERING (05) - STEERING

Схема запчастей Case IH 950 - (096) - POWER ASSISTED STEERING (05) - STEERING
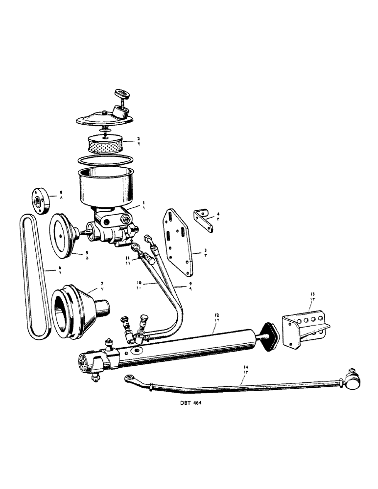
12
6
13
7
3
5
11
4
14
9
2
10
8
1
FIT
1:1
100%

Артикул

Название

Примечание

Количество

1

K902356

1" Rotor Pump --Complete

1шт.

2

K902187

FILTER

Element

1шт.

K610201

Bolt--5/16" U.N.F. x 7/8" L.

3шт.

K19471

WASHER

--Plain, 5/16" dia.

3шт.

K19481

SPRING WASHER

Washer--Spring, 5/16" dia.

3шт.

3

K903291

Pump Support Plate (Diesel)

1шт.

3

K902360

Pump Support Plate (Gas/Ker.)

1шт.

K19241

BOLT

--3/8" B.S.F. x 1" L.

4-2шт.

K19403

NUT

--Plain, 3/8" B.S.F.

4-2шт.

K19482

SPRING WASHER

Washer--Spring, 3/8" dia.

4-2шт.

4

K903292

Strap--Plate Support

1шт.

K625305

Stud--3/8" B.S.F. x 1 1/2" L.

1шт.

K19345

BOLT

--5/16" B.S.F. x 1/2" L.

2шт.

K19221

Bolt--5/16" B.S.F. x 7/8" L.

2шт.

K19402

NUT

--Plain, 5/16" B.S.F.

2шт.

K19481

SPRING WASHER

Washer--Spring, 5/16" dia.

2шт.

5

K902381

Pump Pulley

1шт.

K19604

KEY

--Woodruff No. 5

1шт.

425-157

JAM NUT,Jam, 7/16"-20, G5

Locknut--Plain, 7/16" U.N.F.

1шт.

K19483

SPRING WASHER

--Spring, 7/16" dia.

1шт.

6

K84656

Driving Belt

1шт.

K902382

Driving Belt

1шт.

7

K902383

Twin Groove Crankshaft Pulley

1шт.

8

K902387

Distance Piece--Fan

1шт.

K19245

BOLT

--3/8" B.S.F. x 1 1/2" L.

4шт.

9

K903042

HOSE

, Serial Range: Assembly--Pump-Valve

1шт.

10

K903043

HOSE

(Low Pressure)--Valve to Pump return

1шт.

11

K621770

HOSE

Clip

2шт.

K85043

Banjo

1шт.

K902361

Banjo Stud

1шт.

K85045

Banjo Bolt

1шт.

K623515

SEAL,16.38mm ID x 25.53mm OD x 3.2mm Thk

ing Washer

1шт.

K619509

Washer--Rolled Copper

1шт.

K902096

FITTING

Banjo

1шт.

K902098

ADAPTER

Banjo Adaptor

1шт.

K902097

NO LONGER SERVICED

Banjo Pin

2шт.

K14582

WASHER

Sealing Washer--1/2" dia.

4шт.

12

K902357

NO LONGER SERVICED

Ram

1шт.

13

K902134

Anchor Bracket

1шт.

K19269

Bolt--7/16" B.S.F. x 2 1/4" L.

2шт.

K19404

NUT

--Plain, 7/16" B.S.F.

2шт.

K19483

SPRING WASHER

--Spring, 7/16" dia.

2шт.

K19300

Bolt--5/8" B.S.F. x 1 3/8" L.

4шт.

K19485

WASHER

--Spring, 5/8" dia.

4шт.

14

K902312

Drag Link

1шт.

K902316

EYE

End

1шт.

K622500

LOCK NUT

Locknut--3/4" x 20 T.P.I.

1шт.

K66840

SPARE PART

Ball Socket Assembly

1шт.

K19454

Nut--Slotted, 1/2" B.S.F.

1шт.

K19530

PIN

Split Pin--3/32" dia. x 1" L.

1шт.

K902315

SPARE PART

Steering Lever--N.S.

1шт.

K19533

PIN

Split Pin--1/8" dia. x 1 1/2" L.

2шт.

K19510

WASHER

5 Degree Taper Washer--3/8" dia.

2шт.

Выбрано товаров: 53