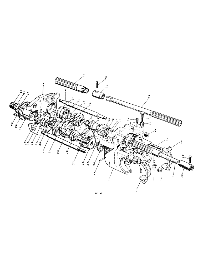
Запчасти Case IH 950 (114) - SIX SPEED GEARBOX, V AND W TYPE, CASING (06) - POWER TRAIN

Схема запчастей Case IH 950 - (114) - SIX SPEED GEARBOX, V AND W TYPE, CASING (06) - POWER TRAIN
4
17
48
13
45
15
2
19
14
46
2
51
29
4
34
39
44
27
51
49
57
10
9
38
30
10
35
51
12
55
31
58
7
1
47
5
22
43
25
56
23
41
28
24
1
18
16
54
32
2
24
8
11
50
40
45
37
42
21
33
36
20
FIT
1:1
100%

Артикул

Название

Примечание

Количество

1

K903449

Front End

1шт.

2

K904165

Plate, Rear End, Complete with Bearing Caps

1шт.

3

K15013

Stud, Special, Caps to Rear End Plate

4шт.

4

K19406

WHEEL NUT

Plain, 5/8" B.S.F., Caps to Rear End Plate

4шт.

5

K11590

NO LONGER SERVICED

Tab, Washer, Caps to Rear End Plate

4шт.

6

K903865

Bottom

2шт.

7

K903866

Spacing Bar, Top

2шт.

8

K623003

NUT

Nyloc, 5/8" B.S.F., Spacer Bars to End Plates, Gearbox to Rear Frame

6шт.

9

K11246

PIN

1/4" dia. x 1-1/4" L., Mills G.P.I., Spacer Bars to End Plates, Gearbox to Rear Frame

2шт.

10

K903453

STUD

Dowel, Spacer Bars to End Plates, Gearbox to Rear Frame

2шт.

11

K19307

5/8" B.S.F. x 2-1/2", Spacer Bars to End Plates, Gearbox to Rear Frame

4шт.

12

K903454

BOLT

Bush

4шт.

13

K88929

SHIM,.003" Thk

Driveshaft & gears .003" Thk

1шт.

13

K88930

SHIM,.005" Thk

Driveshaft & gears .005" Thk

1шт.

13

K88931

SHIM,.007" Thk

Driveshaft & gears .007" Thk

1шт.

14

K19081

BALL BEARING

Ball, Hoff. L.S. 14, drive shaft and gears

1шт.

15

K12922

RING, SNAP

Circlip, Seeger, 1-3/4" dia., External, drive shaft and gears

1шт.

16

K902897

NO LONGER SERVICED

Range, Pinion (19/30T), drive shaft and gears

1шт.

17

K13809

RING, SNAP

Circlip, 45 mm. dia., External, drive shaft and gears

1шт.

18

K85241

CARRIER

Bush, for Reverse, drive shaft and gears

1шт.

19

K902202

GEAR

Reverse , Complete, with Bush (25T), drive shaft

1шт.

20

K24773

BUSHING

Bearing for Reverse Gear, Driveshaft

1шт.

21

K85242

WASHER

Thrust, drive shaft and gears

1шт.

22

K34594

PIN

Dowel, Thrust Washer to Bush, drive shaft and gears

1шт.

23

K903455

DRIVE SHAFT

V-Type, EARS

1шт.

24

K903456

DRIVE SHAFT

GEARS, W-Type

1шт.

25

K19047

BALL BEARING

Bearing Ball, Hoff. 145, V-Type, drive shaft and gears

1шт.

26

K89180

SPARE PART

Live P.T.O. Cardan Shaft, V-Type, drive shaft and gears

1шт.

27

K89181

COUPLING, BREAK AWAY

Sleeve, Rear, V-Type, drive shaft and gears

1шт.

28

K24828

1/4" B.S.F. x 1-7/8", Sleeve to Drive Shaft, V-Type, drive shaft and gears

1шт.

K19450

Slotted, 1/4" B.S.F., Sleeve V-Type, drive shaft and gears

1шт.

K19522

PIN

Split, 1/16" dia. x 3/4" L., Sleeve V-Type, drive shaft and gears

1шт.

29

NLS

NO LONGER SERVICED

Sleeve, Rear Coupling, W-Type, drive shaft and gears

1шт.

30

K11288

BOLT

5/16" B.S.F. x 2-1/8" L., W-Type, drive shaft and gears

1шт.

K19450

Slotted, 5/16" B.S.F., W-Type, drive shaft and gears

1шт.

K19522

PIN

Split, 1/16" B.S.F. x 3/4" L., W-Type, drive shaft and gears

1шт.

31

K24875

NUT

Nyloc, 7/8" B.S.F., six speed gearbox--"v" and "w" type layshaft and gears

1шт.

32

K19497

WASHER

Plain, 7/8" dia., six speed gearbox--"v" and "w" type layshaft and gears

1шт.

33

K88921

SHIM,.003" Thk

six speed gearbox--"v" and "w" type layshaft and gears .003" Thk

1шт.

33

K88922

SHIM,.005" Thk

six speed gearbox--"v" and "w" type layshaft and gears .005" Thk

1шт.

33

K88923

SHIM,.007" Thk

six speed gearbox--"v" and "w" type layshaft and gears .007" Thk

1шт.

33

K88924

SHIM,.010" Thk

six speed gearbox--"v" and "w" type layshaft and gears .010" Thk

1шт.

34

K19158

ROLLER

Hoff. R.L. 11, six speed gearbox--"v" and "w" type layshaft and gears

1шт.

35

K88906

SPACER

Washer, six speed gearbox--"v" and "w" type layshaft and gears

1шт.

36

K901631

SPARE PART

High , (34T), six speed gearbox--"v" and "w" type layshaft and gears

1шт.

37

K30290

BUSHING

Spacer , six speed gearbox--"v" and "w" type layshaft and gears

1шт.

38

K902898

SPARE PART

Low & Medium (17/24T), six speed gearbox--"v" and "w" type layshaft and gears

1шт.

39

K88911

SHAFT

six speed gearbox--"v" and "w" type layshaft and gears

1шт.

40

K901633

GEAR

Reverse(28T), six speed gearbox--"v" and "w" type layshaft and gears

1шт.

41

K88906

SPACER

Washer, six speed gearbox--"v" and "w" type layshaft and gears

1шт.

42

K19158

ROLLER

Bearing,Hoff. R.L. 11, six speed gearbox--"v" and "w" type layshaft and gears

1шт.

43

K84912

NUT

nyloc , 1-1/8" B.S.F. (L.H.), six speed gearbox--"v" and "w" bevel pinion shaft

1шт.

44

K14687

WASHER

Plain, 1-1/8" dia., six speed gearbox--"v" and "w" bevel pinion shaft

1шт.

45

K24546

BEARING, ROLLER

Taper , S.K.F. (Cone K.43125/4, Cup K.43312/4), six speed gearbox--"v" and "w" bevel pinion shaft

2шт.

46

K81984

BUSHING

Distance Piece, six speed gearbox--"v" and "w" bevel pinion shaft

1шт.

47

K81985

SHIM,.002" Thk

six speed gearbox--"v" and "w" bevel pinion shaft .002" Thk

1шт.

47

K81986

SHIM,.003" Thk

six speed gearbox--"v" and "w" bevel pinion shaft .003" Thk

1шт.

47

K81987

SHIM,.005" Thk

six speed gearbox--"v" and "w" bevel pinion shaft .005" Thk

1шт.

48

K89411

Bearing (Modified), six speed gearbox--"v" and "w" bevel pinion shaft

1шт.

49

K30449

SHIM

Sets (.003", .005", .015", .030" Thick), Housing to Case, six speed gearbox--"v" and "w" bevel pinion shaft

1шт.

50

K19241

BOLT

3/8" B.S.F x 1" L., Housing to Case, six speed gearbox--"v" and "w" bevel pinion shaft

6шт.

K19482

SPRING WASHER

Spring 3/8" dia., six speed gearbox--"v" and "w"bevel pinion shaft

6шт.

51

K902899

NO LONGER SERVICED

Drive , High & Medium (31/39T), six speed gearbox--"v" and "w" bevel pinion shaft

1шт.

52

K901635

NO LONGER SERVICED

Driven Low Speed (47T), six speed gearbox--"v" and "w" bevel pinion shaft

1шт.

53

K621438

RING, SNAP

Circlip, 1-7/8" dia. External, six speed gearbox--"v" and "w" bevel pinion shaft

1шт.

54

K19138

BEARING, ROLLER

R. & M. M.R.J. 1-7/8", six speed gearbox--"v" and "w" bevel pinion shaft

1шт.

55

K19208

Bolt, 1/4" B.S.F. x 1-5/8" L., six speed gearbox--"v" and "w" bevel pinion shaft

2шт.

K12170

NUT

Nyloc 1/4" B.S.F., Bearing Retaining, six speed gearbox--"v" and "w" bevel pinion shaft

2шт.

56

K64852

NO LONGER SERVICED

Washer, Special, Bearing Retaining, six speed gearbox--"v" and "w" bevel pinion shaft

4шт.

57

K904174

GEAR

Spiral, 7T-43T (Not Supplied Separately), six speed gearbox--"v" and "w" bevel pinion shaft

1шт.

58

K900576

P.T.O. Input , Non Livedrive, W-Type Only, six speed gearbox--"v" and "w" bevel pinion shaft

1шт.

Выбрано товаров: 71