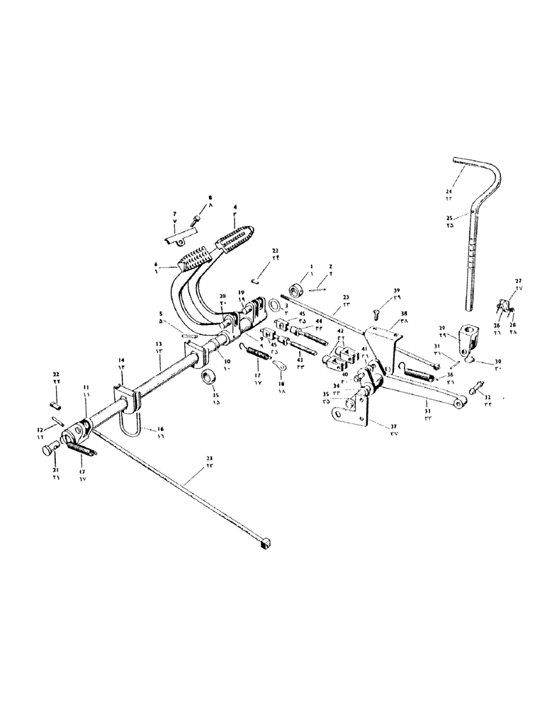
Запчасти Case IH 950 (144) - FOOT BRAKE OPERATING AND PARKING BRAKE (07) - BRAKES

Схема запчастей Case IH 950 - (144) - FOOT BRAKE OPERATING AND PARKING BRAKE (07) - BRAKES
1
22
42
7
44
30
17
21
32
37
14
40
17
24
4
11
20
45
43
25
36
18
26
8
31
15
34
10
22
27
23
39
41
2
12
5
16
19
38
23
6
29
13
35
33
3
28
9
45
FIT
1:1
100%

Артикул

Название

Примечание

Количество

1

K36585

Collar

1шт.

2

K11273

Pin--5/16" dia. x 2" L. Mills G.P.I.

1шт.

3

K30884

SHIM

--1/16" thick Nominal Q'ty.

2шт.

4

K900381

Brake Pedal--R.H.

1шт.

219-8

LUBE NIPPLE,1/4" - 28 NPTF

NIPPLE, LUBE, , ANF 1/4"-28 NPT x .54" lg

1шт.

4

K904663

Brake Pedal--R.H. Introduction October

1шт.

5

K623732

PIN

--3/8" dia. x 2" L. Mills G.P.1

1шт.

6

K65760

Brake Pedal--L.H.

1шт.

6

K904662

Brake Pedal--L.H. Introduction October

1шт.

7

K38656

PLATE

Locking Plate--Pedals

1шт.

8

K38668

Bolt--Special, 3/8" B.S.F.

1шт.

K626700

WASHER

--Double Coil Spring

1шт.

9

K900382

Distance Piece--(1 13/16" L.)

1шт.

10

K32165

Distance Piece--(7/16" L.)

1шт.

11

K903139

LEVER

Brake Lever--N.S.

1шт.

12

K623732

PIN

--3/8" dia. x 2" L. Mills G.P.1

1шт.

13

K903140

Cross Shaft

1шт.

14

K62471

Bracket--Cross Shaft Support

2шт.

15

K62470

Bearing--Self Aligning

2шт.

16

K14731

U Bolt--7/16" B.S.F., Serial Range: Brackets-Frame

2шт.

K19404

NUT

--Plain, 7/16" B.S.F., Serial Range: Brackets-Frame

4шт.

K19483

SPRING WASHER

--Spring, 7/16" dia., Serial Range: Brackets-Frame

4шт.

17

K14809

SPRING

--Foot Brake Return

2шт.

18

K17104

Anchor--For Spring

1шт.

19

K86864

Pin--R.H. Brake Pedal

1шт.

20

K14744

PIN

--L.H. Brake Pedal

1шт.

21

K38639

PIN

--L.H. Brake Lever

1шт.

K19403

NUT

--Plain, 3/8" B.S.F.

2шт.

22

K14745

NUT

--Adjusting--Long 3/8" B.S.F.

2шт.

23

K67215

BRAKE LINE

Brake Rod

2шт.

24

K903027

LEVER

Hand Lever--with Pin, parking brake

1шт.

25

K12328

Pin

1шт.

26

K65786

PAWL

1шт.

27

K65787

SPRING

--for Pawl

1шт.

28

K900171

Pin and Circlips Comprising--

1шт.

K900010

PAWL

Pin

1шт.

K621585

RING, SNAP

Circlip

2шт.

29

K65773

Fork--Hand Lever

1шт.

30

K65784

WASHER

Spherical Washer

1шт.

31

K12767

PIN

--5/16" dia. x 2" L., Mills G.P.5.

1шт.

32

K900172

Pin and Circlips Comprising--

1шт.

K900009

Pin--Fork

1шт.

K621589

RING, SNAP

Circlip

2шт.

33

K86346

Operating Lever

1шт.

34

K65788

Distance Piece

1шт.

35

K900173

Pin and Circlips Comprising--

1шт.

K900008

Pin

1шт.

K621591

RING, SNAP

Circlip

2шт.

36

K14809

SPRING

Return Spring

1шт.

37

K65774

Bracket--L.H.--Operating Lever Support

1шт.

38

K65775

Bracket--R.H.--Operating Lever Support

1шт.

39

K19389

Screw--Cs'k. Hd. 7/16" Whit. x 1" L.

2шт.

K19413

NUT

--Plain, 7/16" Whit.

2шт.

K19483

SPRING WASHER

--Spring, 7/16" dia.

2шт.

40

K902184

Pin and Circlips Comprising--

1шт.

K901559

Pin

1шт.

K621589

RING, SNAP

Circlip

2шт.

41

K19474

HARDWARE

Washer--Plain, 1/2" dia.

4шт.

42

K89723

Fork End

2шт.

43

K65807

Push Rod

2шт.

K19444

NUT

Locknut--1/2" B.S.F.

2шт.

44

K14867

Adjusting Nut

2шт.

45

K65017

Collar

2шт.

Выбрано товаров: 63