Запчасти Case IH 950 (084) - RADIATOR, BLIND AND CONTROL (09) - CHASSIS

Схема запчастей Case IH 950 - (084) - RADIATOR, BLIND AND CONTROL (09) - CHASSIS
10
4
20
19
2
18
4
17
7
13
11
8
21
15
12
3
8
8
5
23
9
22
1
16
8
24
25
14
6
FIT
1:1
100%

Артикул

Название

Примечание

Количество

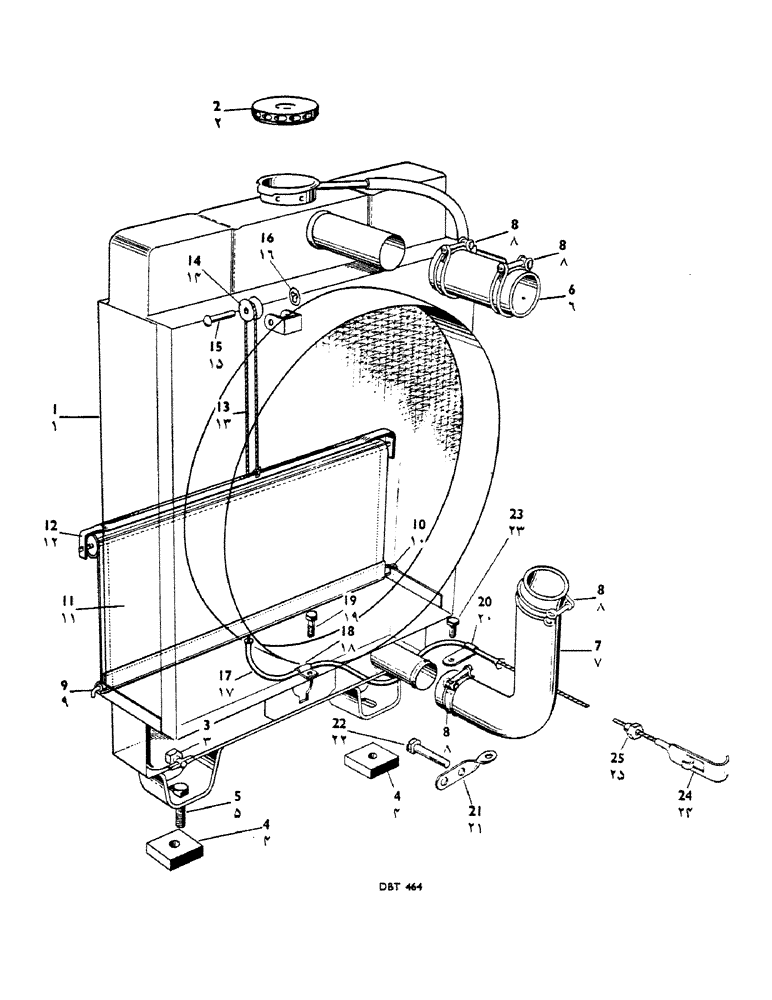
1

K900537

Radiator--50 mm. S.4 Film Block Diesel

1шт.

1

K900060

Radiator--80 mm. S.4 Film Block, Gasoline and Kerosene (Tropical, Serial Range: Alternative-900537)

1шт.

2

K906196

CAP

Filler Cap--Radiator Supplied with, Replaces 902092 Radiator

1шт.

3

K622060

PLUG, DRAIN

Drain Cock--1/4" B.S.P.--Radiator

1шт.

K19501

WASHER

Washer--Fibre, 1/4" Gas

2шт.

4

K16702

Packing--Radiator Foot

2шт.

5

K19270

Bolt--7/16" B.S.F. x 2 1/2" L. Radiator to Front Extension

2шт.

K19404

NUT

--Plain, 7/16" B.S.F. Radiator to Front Extension

2шт.

K19483

SPRING WASHER

--Spring, 7/16" dia. Radiator to Front Extension

2шт.

6

K37575

HOSE

--Radiator Top

1шт.

7

K88481

HOSE

--Water Pump Inlet

1шт.

8

K13078

BRACKET

Hose Clip--1 7/8" dia. (Wire Type)

4шт.

9

K36895

NO LONGER SERVICED

Anchor--Radiator Blind

1шт.

K11109

NUT

--Plain, 2 B.A.

1шт.

10

K900553

Distance Piece--Radiator Blind

2шт.

K19496

WASHER

--Plain, 3/16" dia.

2шт.

11

K64924

NO LONGER SERVICED

Blind--Radiator

1шт.

12

K64925

ROD

Pull Rod--Radiator Blind

1шт.

13

K67196

ROPE

Cord--Blind Control

1шт.

14

K36897

SPARE PART

Pulley Supplied with Radiator

1шт.

15

K11428

Rivet--Rd. Hd. 1/4" dia. x 1 1/8" L. Supplied with Radiator

1шт.

16

K24892

RATCHET

Uncapped Ratchet Plate--1/4" dia. Supplied with Radiator

1шт.

17

K901446

Tube--For Blind Control Cord

1шт.

18

K621604

Clip--Tube to Front Extension

1шт.

19

K19346

Bolt--5/16" B.S.F. x 5/8" L.

1шт.

K19481

SPRING WASHER

Washer--Spring, 5/16" dia.

1шт.

20

K35679

Clip--Tube to Support Bracket

1шт.

K24896

Clip--Tube

1шт.

21

K902402

Support Bracket--Fixed to Timing Case

1шт.

22

K19230

BOLT

--5/16" B.S.F. x 2" L.

1шт.

23

K12131

BOLT

--1/4" B.S.F. x 9/16" L.

1шт.

K19401

NUT

--Plain, 1/4" B.S.F.

1шт.

K19480

SPRING WASHER

--Spring, 1/4" dia.

1шт.

24

K89494

NO LONGER SERVICED

Finger Grip--for Cord

1шт.

25

K89501

HARDWARE

Ferrule--for Cord

1шт.

Выбрано товаров: 35