Запчасти Case IH 950 (77) - INSTRUMENT PANEL, ALL MODELS Engine Controls & Instruments

Схема запчастей Case IH 950 - (77) - INSTRUMENT PANEL, ALL MODELS Engine Controls & Instruments
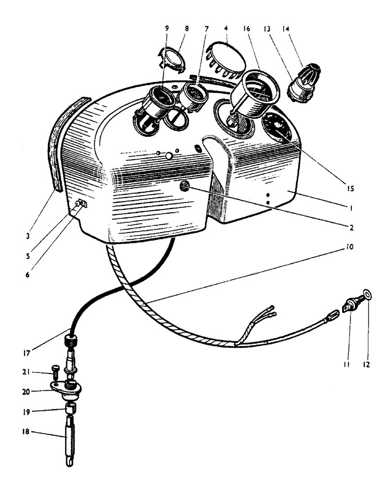
11
18
10
16
3
12
20
7
4
21
5
17
1
8
14
13
19
2
6
9
15
FIT
1:1
100%

Артикул

Название

Примечание

Количество

1

K903443

Instrument Panel

1шт.

2

K627870

PLUG

Button

1шт.

3

K903513

STRIP

Seating Strip

2шт.

4

K901854

Blanking-off Plate--Tractormeter

1шт.

5

K624791

SCREW

Sheet Metal Screw

3шт.

6

K15539

Captive Nut

3шт.

7

K907988

SPARE PART

Thermo Gauge

1шт.

8

K903487

Blanking Plate--Thermo Gauge

1шт.

9

K908351

INDICATOR LIGHT

Ignition and Oil Warning Light

1шт.

10

K908352

HARNESS

--Ignition and Oil Warning Lights

1шт.

11

K903851

PRESSURE SWITCH

Switch--Oil Warning

1шт.

12

K15030

WASHER

Copper Washer, 1/8 BSP

1шт.

K901836

IGNITION SWITCH

Lighting Switch Assembly

1шт.

13

K901980

SPARE PART

Switch 901836

1шт.

14

K901981

KNOB

901836

1шт.

15

K901982

PLATE

Escutcheon Plate 901836

1шт.

K14658

O-RING,0.07" Thk x 0.239" ID

O Ring

1шт.

16

K907090

NO LONGER SERVICED

Tractormeter (MPH) 850 and 880

1шт.

16

K907089

SPARE PART

Tractormeter (KPH) 850 and 880

1шт.

17

K906598

SPARE PART

Cable--Inner and Outer 850 and 880

1шт.

K960954

CABLE

Inner Cable 850 and 880

1шт.

K960955

BOOT

Extension--Inner Cable 850 and 880

1шт.

K960956

SPARE PART

Clip--Extension 850 and 880

1шт.

16

K907091

NO LONGER SERVICED

Tractormeter (MPH) 950

1шт.

16

K907092

SPARE PART

Tractormeter (KPH) 950

1шт.

17

K901132

CABLE

--Inner and Outer 950

1шт.

K904133

NO LONGER SERVICED

Inner Cable 950

1шт.

18

K39281

SPINDLE

Drive Spindle

1шт.

K10518

BUCKLE

Clip

2шт.

19

K39282

Bearing Bush

1шт.

20

K39280

Bracket

1шт.

21

K19346

Bolt, 5/16 BSF x 5/8 in.

1шт.

K19481

SPRING WASHER

Spring Washer, 5/16 in.

1шт.

K19917

Cable Clip Cable to regulator bracket, 950

1шт.

K624792

SCREW

Parker Kalon No. 10 Cable to regulator bracket, 950

1шт.

K908561

SPARE PART

Gear Selection Chart Creeper Gear

1шт.

K24775

Sheet Metal Screw Creeper Gear

2шт.

Выбрано товаров: 37