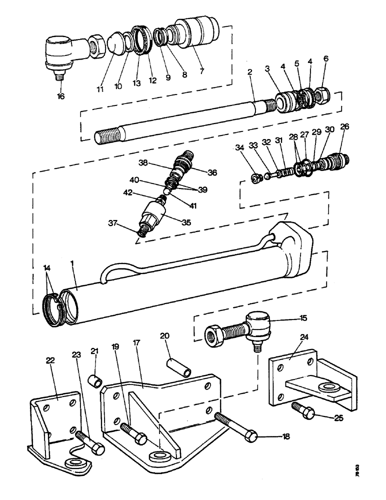
Запчасти Case IH 990 (H18) - STEERING AND FRONT AXLE, STEERING RAM, ALL MODELS WITH HYDROSTATIC STEERING Steering & Front Axle

Схема запчастей Case IH 990 - (H18) - STEERING AND FRONT AXLE, STEERING RAM, ALL MODELS WITH HYDROSTATIC STEERING Steering & Front Axle
15
3
19
40
13
12
31
17
26
25
14
20
37
39
4
35
42
7
4
22
38
10
16
21
6
32
2
18
8
41
30
34
9
24
28
5
33
1
36
27
11
23
29
FIT
1:1
100%

Артикул

Название

Примечание

Количество

K945702

CYLINDER

HYDRAULIC RAM ASSEMBLY, Includes: Ref. 1A - 13

1шт.

Used on model 885, S/N 629960 and after

1шт.

Used on model 885G, S/N 651438 and after

1шт.

Used on model 990, S/N 858243 and after

1шт.

Used on model 995, S/N 928254 and after

1шт.

Used on model 996, S/N 983736 and after

1шт.

Used on model 1210, S/N 723982 and after

1шт.

Used on model 1212, S/N 1002222 and after

1шт.

K929055

CYLINDER

HYDRAULIC RAM ASSEMBLY, Includes: Ref. 1A - 13

1шт.

Used on model 885, up to S/N 629960

1шт.

Used on model 885G, up to S/N 651438

1шт.

Used on model 990, up to S/N 858243

1шт.

Used on model 995, up to S/N 928254

1шт.

Used on model 996, up to S/N 983736

1шт.

Used on model 1210, up to S/N 723982

1шт.

Used on model 1212, up to S/N 1002222

1шт.

1a

K945703

TUBE

RAM CYLINDER CASE, use with K945702

1шт.

1b

K925313

CYLINDER

RAM CYLINDER CASE, use with K929055

1шт.

2

K929056

ROD

RAM ROD

1шт.

3

K925321

PISTON

1шт.

4

K24743

RING

ANTI-EXTRUSION RING, 1-1/2 in internal dia.

2шт.

5

K24744

O-RING,1.475" ID x 1.895" OD x 0.21"

'O' RING, 1-1/2 in internal dia.

1шт.

6

K607446

NUT

CLEVELOC NUT, 3/4 UNC

1шт.

7

K925322

SLEEVE

1шт.

8

K623677

O-RING

'O' RING, 1 in internal dia.

1шт.

9

K24740

WASHER

ANTI-EXTRUSION RING, 1 in internal dia.

1шт.

10

K623762

O-RING,0.99" ID x 0.147" Width

NU-LIP SEALING RING, 1 in internal dia., replaces K690820

1шт.

11

K691596

SEAL

SCRAPER SEAL

1шт.

12

K24737

O-RING,0.139" Thk x 1.609" ID, -223, Cl 6, 90 Duro

'O' RING, 1-5/8 in internal dia.

1шт.

13

K24738

RING,41.07mm ID x 47.88mm OD x 1.83mm Thk

ANTI-EXTRUSION RING, 1-5/8 in internal dia.

1шт.

14

K11744

RING, SNAP

CIRCLIP, 1-7/8 in internal, Includes: Ref. 15 & 16

2шт.

15

K923766

BALL JOINT

BALL SOCKET ASSEMBLY, case

1шт.

K962155

CAP

DIRT EXCLUDER

1шт.

K617316

NUT

NYLOC NUT, 5/8 UNF

1шт.

K622500

LOCK NUT

LOCKNUT, 3/4 in, special

1шт.

16

K929057

BALL JOINT

BALL SOCKET ASSEMBLY, ram rod

1шт.

K962155

CAP

DIRT EXCLUDER

1шт.

K617316

NUT

NYLOC NUT, 5/8 UNF

1шт.

K617289

LOCK NUT

LOCKNUT, 7/8 in, special

1шт.

17

K925342

BRACKET

ANCHOR BRACKET (1210, 1212)

1шт.

18

K601331

BOLT

5/8 UNC x 5-1/4 in, bracket to main frame (1210, 1212)

2шт.

19

K603313

SCREW

SETSCREW, 5/8 UNC x 2-3/8 in, bracket to main frame (1210, 1212)

2шт.

K19485

WASHER

SPRING WASHER, 5/8 in, bracket to main frame (1210, 1212)

4шт.

20a

K627095

BUSHING

DISTANCE PIECE, 2-3/4 in, bracket to main frame (1210, 1212)

2шт.

20b

K627091

BUSHING

DISTANCE PIECE, 2-1/4 in, bracket to main frame (1210)

2шт.

21

K627094

BUSHING

DISTANCE PIECE, 1/2 in, bracket to main frame (1210)

2шт.

22

K926193

BRACKET

ANCHOR BRACKET (990, 995, 996)

1шт.

23

K603313

SCREW

SETSCREW, 5/8 UNC x 2-3/4 in, bracket to main frame (990, 995, 996)

4шт.

K19485

WASHER

SPRING WASHER, 5/8 in, bracket to main frame (990, 995, 996)

4шт.

24

K943341

BRACKET

ANCHOR BRACKET (885)

1шт.

25a

K603307

SCREW

SETSCREW, 5/8 UNC x 1-5/8 in, bracket to main frame (885 with loader)

4шт.

25b

K603313

SCREW

SETSCREW, 5/8 UNC x 2-3/4 in, bracket to main frame (885 with loader)

4шт.

K19485

WASHER

SPRING WASHER, 5/8 in, bracket to main frame (885 with loader)

4шт.

K945714

VALVE

LINE VALVE ASSEMBLY, use with K945702, Includes: Ref. 26A - 34A

1шт.

Used on model 885, S/N 629960 and after

1шт.

Used on model 885G, S/N 651438 and after

1шт.

Used on model 990, S/N 858243 and after

1шт.

Used on model 995, S/N 928254 and after

1шт.

Used on model 996, S/N 983736 and after

1шт.

Used on model 1210, S/N 723982 and after

1шт.

Used on model 1212, S/N 1002222 and after

1шт.

26a

K945571

BODY

VALVE BODY, use with K945702

1шт.

Used on model 885, S/N 629960 and after

1шт.

Used on model 885G, S/N 651438 and after

1шт.

Used on model 990, S/N 858243 and after

1шт.

Used on model 995, S/N 928254 and after

1шт.

Used on model 996, S/N 983736 and after

1шт.

Used on model 1210, S/N 723982 and after

1шт.

Used on model 1212, S/N 1002222 and after

1шт.

27

K623663

O-RING,0.924" ID x 0.116" Width

'O' RING, 15/16 in internal dia., use with K945702

1шт.

Used on model 885, S/N 629960 and after

1шт.

Used on model 885G, S/N 651438 and after

1шт.

Used on model 990, S/N 858243 and after

1шт.

Used on model 995, S/N 928254 and after

1шт.

Used on model 996, S/N 983736 and after

1шт.

Used on model 1210, S/N 723982 and after

1шт.

Used on model 1212, S/N 1002222 and after

1шт.

28

K628850

O-RING,0.612" ID x 0.139" Width

'O' RING, 9/16 in internal dia., use with K945702

2шт.

Used on model 885, S/N 629960 and after

1шт.

Used on model 885G, S/N 651438 and after

1шт.

Used on model 990, S/N 858243 and after

1шт.

Used on model 995, S/N 928254 and after

1шт.

Used on model 996, S/N 983736 and after

1шт.

Used on model 1210, S/N 723982 and after

1шт.

Used on model 1212, S/N 1002222 and after

1шт.

29a

K945567

SPRING

SUPPORT, use with K945702

1шт.

Used on model 885, S/N 629960 and after

1шт.

Used on model 885G, S/N 651438 and after

1шт.

Used on model 990, S/N 858243 and after

1шт.

Used on model 995, S/N 928254 and after

1шт.

Used on model 996, S/N 983736 and after

1шт.

Used on model 1210, S/N 723982 and after

1шт.

Used on model 1212, S/N 1002222 and after

1шт.

30a

K24554

O-RING

'O' RING, use with K945702

1шт.

Used on model 885, S/N 629960 and after

1шт.

Used on model 885G, S/N 651438 and after

1шт.

Used on model 990, S/N 858243 and after

1шт.

Used on model 995, S/N 928254 and after

1шт.

Used on model 996, S/N 983736 and after

1шт.

Used on model 1210, S/N 723982 and after

1шт.

Used on model 1212, S/N 1002222 and after

1шт.

31a

K625520

SPRING

replaces K12043, use with K945702

1шт.

Used on model 885, S/N 629960 and after

1шт.

Used on model 885G, S/N 651438 and after

1шт.

Used on model 990, S/N 858243 and after

1шт.

Used on model 995, S/N 928254 and after

1шт.

Used on model 996, S/N 983736 and after

1шт.

Used on model 1210, S/N 723982 and after

1шт.

Used on model 1212, S/N 1002222 and after

1шт.

32a

K945570

WASHER

ABUTMENT WASHER, use with K945702

1шт.

Used on model 885, S/N 629960 and after

1шт.

Used on model 885G, S/N 651438 and after

1шт.

Used on model 990, S/N 858243 and after

1шт.

Used on model 995, S/N 928254 and after

1шт.

Used on model 996, S/N 983736 and after

1шт.

Used on model 1210, S/N 723982 and after

1шт.

Used on model 1212, S/N 1002222 and after

1шт.

33a

K945569

VALVE

use with K945702

1шт.

Used on model 885, S/N 629960 and after

1шт.

Used on model 885G, S/N 651438 and after

1шт.

Used on model 990, S/N 858243 and after

1шт.

Used on model 995, S/N 928254 and after

1шт.

Used on model 996, S/N 983736 and after

1шт.

Used on model 1210, S/N 723982 and after

1шт.

Used on model 1212, S/N 1002222 and after

1шт.

34a

K945568

VALVE

SEAT, use with K945702

1шт.

Used on model 885G, S/N 651239 to 651438

1шт.

Used on model 885, S/N 625326 to 629960

1шт.

Used on model 1212, S/N 1001205 to 1002222

1шт.

Used on model 1210, S/N 722477 to 723982

1шт.

Used on model 996, S/N 982077 to 983736

1шт.

Used on model 995, S/N 925509 to 928254

1шт.

Used on model 990, S/N 854925 to 858243

1шт.

K945758

CYLINDER

LINE VALVE ASSEMBLY, use with K929055, Includes: Ref. 26B - 34B

1шт.

Used on model 885G, S/N 651239 to 651438

1шт.

Used on model 885, S/N 625326 to 629960

1шт.

Used on model 1212, S/N 1001205 to 1002222

1шт.

Used on model 1210, S/N 722477 to 723982

1шт.

Used on model 996, S/N 982077 to 983736

1шт.

Used on model 995, S/N 925509 to 928254

1шт.

Used on model 990, S/N 854925 to 858243

1шт.

26b

K945571

BODY

VALVE BODY, use with K929055

1шт.

Used on model 885G, S/N 651239 to 651438

1шт.

Used on model 885, S/N 625326 to 629960

1шт.

Used on model 1212, S/N 1001205 to 1002222

1шт.

Used on model 1210, S/N 722477 to 723982

1шт.

Used on model 996, S/N 982077 to 983736

1шт.

Used on model 995, S/N 925509 to 928254

1шт.

Used on model 990, S/N 854925 to 858243

1шт.

29b

K945567

SPRING

SUPPORT, use with K929055

1шт.

Used on model 885G, S/N 651239 to 651438

1шт.

Used on model 885, S/N 625326 to 629960

1шт.

Used on model 1212, S/N 1001205 to 1002222

1шт.

Used on model 1210, S/N 722477 to 723982

1шт.

Used on model 996, S/N 982077 to 983736

1шт.

Used on model 995, S/N 925509 to 928254

1шт.

Used on model 990, S/N 854925 to 858243

1шт.

30b

K24554

O-RING

'O' RING, 3/8 in in internal dia., use with K929055

1шт.

Used on model 885G, S/N 651239 to 651438

1шт.

Used on model 885, S/N 625326 to 629960

1шт.

Used on model 1212, S/N 1001205 to 1002222

1шт.

Used on model 1210, S/N 722477 to 723982

1шт.

Used on model 996, S/N 982077 to 983736

1шт.

Used on model 995, S/N 925509 to 928254

1шт.

Used on model 990, S/N 854925 to 858243

1шт.

31b

K12043

SPRING

use with K929055

1шт.

Used on model 885G, S/N 651239 to 651438

1шт.

Used on model 885, S/N 625326 to 629960

1шт.

Used on model 1212, S/N 1001205 to 1002222

1шт.

Used on model 1210, S/N 722477 to 723982

1шт.

Used on model 996, S/N 982077 to 983736

1шт.

Used on model 995, S/N 925509 to 928254

1шт.

Used on model 990, S/N 854925 to 858243

1шт.

32b

K945570

WASHER

special, use with K929055

1шт.

Used on model 885G, S/N 651239 to 651438

1шт.

Used on model 885, S/N 625326 to 629960

1шт.

Used on model 1212, S/N 1001205 to 1002222

1шт.

Used on model 1210, S/N 722477 to 723982

1шт.

Used on model 996, S/N 982077 to 983736

1шт.

Used on model 995, S/N 925509 to 928254

1шт.

Used on model 990, S/N 854925 to 858243

1шт.

33b

K945569

VALVE

use with K929055

1шт.

Used on model 885G, S/N 651239 to 651438

1шт.

Used on model 885, S/N 625326 to 629960

1шт.

Used on model 1212, S/N 1001205 to 1002222

1шт.

Used on model 1210, S/N 722477 to 723982

1шт.

Used on model 996, S/N 982077 to 983736

1шт.

Used on model 995, S/N 925509 to 928254

1шт.

Used on model 990, S/N 854925 to 858243

1шт.

34b

K945568

VALVE

SEAT, use with K929055

1шт.

Used on model 885G, S/N 651239 to 651438

1шт.

Used on model 885, S/N 625326 to 629960

1шт.

Used on model 1212, S/N 1001205 to 1002222

1шт.

Used on model 1210, S/N 722477 to 723982

1шт.

Used on model 996, S/N 982077 to 983736

1шт.

Used on model 995, S/N 925509 to 928254

1шт.

Used on model 990, S/N 854925 to 858243

1шт.

K943436

HYDRAULIC VALVE

LINE VALVE ASSEMBLY, use with K929055, Includes: Ref. 35 - 42

1шт.

Used on model 885, up to S/N 625326

1шт.

Used on model 885G, up to S/N 651239

1шт.

Used on model 990, up to S/N 854925

1шт.

Used on model 995, up to S/N 925509

1шт.

Used on model 996, up to S/N 982077

1шт.

Used on model 1210, up to S/N 722477

1шт.

Used on model 1212, up to S/N 1001205

1шт.

35

K943438

VALVE

HOUSING

1шт.

Used on model 885, up to S/N 625326

1шт.

Used on model 885G, up to S/N 651239

1шт.

Used on model 990, up to S/N 854925

1шт.

Used on model 995, up to S/N 925509

1шт.

Used on model 996, up to S/N 982077

1шт.

Used on model 1210, up to S/N 722477

1шт.

Used on model 1212, up to S/N 1001205

1шт.

36

K623663

O-RING,0.924" ID x 0.116" Width

'O' RING, 15/16 in internal dia.

1шт.

Used on model 885, up to S/N 625326

1шт.

Used on model 885G, up to S/N 651239

1шт.

Used on model 990, up to S/N 854925

1шт.

Used on model 995, up to S/N 925509

1шт.

Used on model 996, up to S/N 982077

1шт.

Used on model 1210, up to S/N 722477

1шт.

Used on model 1212, up to S/N 1001205

1шт.

37

K623589

O-RING

'O' RING, 5/8 in internal dia.

1шт.

Used on model 885, up to S/N 625326

1шт.

Used on model 885G, up to S/N 651239

1шт.

Used on model 990, up to S/N 854925

1шт.

Used on model 995, up to S/N 925509

1шт.

Used on model 996, up to S/N 982077

1шт.

Used on model 1210, up to S/N 722477

1шт.

Used on model 1212, up to S/N 1001205

1шт.

38

K943437

BODY

VALVE BODY

1шт.

Used on model 885, up to S/N 625326

1шт.

Used on model 885G, up to S/N 651239

1шт.

Used on model 990, up to S/N 854925

1шт.

Used on model 995, up to S/N 925509

1шт.

Used on model 996, up to S/N 982077

1шт.

Used on model 1210, up to S/N 722477

1шт.

Used on model 1212, up to S/N 1001205

1шт.

39

K628850

O-RING,0.612" ID x 0.139" Width

'O' RING, 9/16 in internal dia.

2шт.

Used on model 885, up to S/N 625326

1шт.

Used on model 885G, up to S/N 651239

1шт.

Used on model 990, up to S/N 854925

1шт.

Used on model 995, up to S/N 925509

1шт.

Used on model 996, up to S/N 982077

1шт.

Used on model 1210, up to S/N 722477

1шт.

Used on model 1212, up to S/N 1001205

1шт.

40

K625107

SPRING

1шт.

Used on model 885, up to S/N 625326

1шт.

Used on model 885G, up to S/N 651239

1шт.

Used on model 990, up to S/N 854925

1шт.

Used on model 995, up to S/N 925509

1шт.

Used on model 996, up to S/N 982077

1шт.

Used on model 1210, up to S/N 722477

1шт.

Used on model 1212, up to S/N 1001205

1шт.

41

K13506

BALL

STEEL BALL, 3/8 in

1шт.

Used on model 885, up to S/N 625326

1шт.

Used on model 885G, up to S/N 651239

1шт.

Used on model 990, up to S/N 854925

1шт.

Used on model 995, up to S/N 925509

1шт.

Used on model 996, up to S/N 982077

1шт.

Used on model 1210, up to S/N 722477

1шт.

Used on model 1212, up to S/N 1001205

1шт.

42

K942251

VALVE

SEAT

1шт.

Used on model 885, up to S/N 625326

1шт.

Used on model 885G, up to S/N 651239

1шт.

Used on model 990, up to S/N 854925

1шт.

Used on model 995, up to S/N 925509

1шт.

Used on model 996, up to S/N 982077

1шт.

Used on model 1210, up to S/N 722477

1шт.

Used on model 1212, up to S/N 1001205

1шт.

K963550

SEALING RING

RING PACK, line valve

1шт.

K962555

SEAL

SEAL PACK, ram

1шт.

Выбрано товаров: 271