Запчасти Case IH 990 (H22) - STEERING AND FRONT AXLE, PUMP AND RESERVOIR, HYDROSTATIC POWER STEERING - STANDARD 1212 TRACTORS Steering & Front Axle

Схема запчастей Case IH 990 - (H22) - STEERING AND FRONT AXLE, PUMP AND RESERVOIR, HYDROSTATIC POWER STEERING - STANDARD 1212 TRACTORS Steering & Front Axle
1
33
13
10
23
3
30
27
24
21
19
34
12
4
22
28
31
14
18
17
8
6
9
16
2
7
35
20
26
5
32
17
25
11
6
15
29
FIT
1:1
100%

Артикул

Название

Примечание

Количество

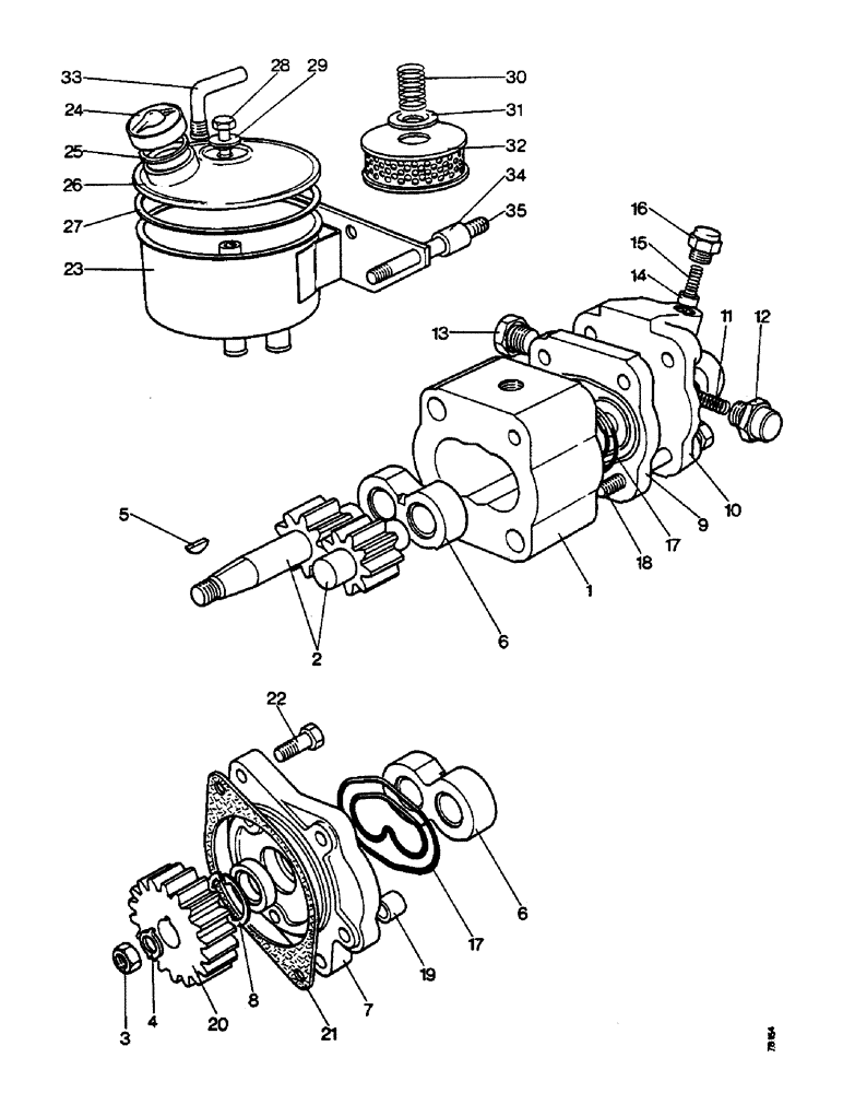
1

K918993

PUMP

ASSEMBLY, Includes: Ref. 2 - 19

1шт.

2

K962179

GEAR

ROTOR PACK

1шт.

3

425-157

JAM NUT,Jam, 7/16"-20, G5

7/16 UNF, gear to pump

1шт.

4

K626380

WASHER

TABWASHER, Serial Range: gear-pump

1шт.

5

K19604

KEY

, Serial Range: gear-pump

1шт.

6

K962189

BEARING

S

2шт.

7

K962187

FLANGE

MOUNTING FLANGE

1шт.

8

K962097

RING, SNAP

CIRCLIP, 1-3/16 in internal

1шт.

9

K962303

PLATE ASSY.

SANDWICH PLATE

1шт.

10

K962180

COVER

with flow control valve spool

1шт.

11

K962304

SPRING

flow control valve

1шт.

12

K962305

CAP

flow control valve

1шт.

13

K962306

PLUG

flow control valve

1шт.

14

K962307

PLUNGER

relief valve

1шт.

15

K962308

SPRING

relief valve

1шт.

16

K962309

CYLINDER END CAP

CAP, relief valve

1шт.

K626522

SEALING WASHER

special, relief valve

1шт.

K962310

SHIM

Relief valve

1шт.

17

K964492

GASKET KIT

SEAL PACK, 8 'O' rings and oil seal, replaces K962178

1шт.

18

K600414

BOLT

3/8 UNC x 3-3/4 in

4шт.

K19482

SPRING WASHER

SPRING WASHER, 3/8 in

4шт.

19

K962110

PIN

RING DOWEL

2шт.

20a

K945098

PINION

GEAR, steel (28 teeth)

1шт.

Used on model 990, S/N E42772 and after

1шт.

Used on model 995, S/N E41927 and after

1шт.

Used on model 996, S/N E56331 and after

1шт.

Used on model 1210, S/N E25713 and after

1шт.

Used on model 1210 (Bosch), S/N E24732 and after

1шт.

Used on model 1212, S/N E18386 and after

1шт.

20b

K944813

DRIVE

GEAR, speroidal graphite (18 teeth) replaces K940083 (1210, 1212 A and after), Serial Range: (A-B)

1шт.

Used on model 1210, from S/N E23614 to S/N E25713

1шт.

Used on model 1212, from S/N E17855 to S/N E18386

1шт.

20c

K940083

DRIVE

GEAR, cast iron (18 teeth)

1шт.

Used on model 990, up to S/N E42772

1шт.

Used on model 995, up to S/N E41927

1шт.

Used on model 996, up to S/N E56331

1шт.

Used on model 1210, up to S/N E23614

1шт.

Used on model 1212, up to S/N E17855

1шт.

21

K919729

GASKET,0.76mm Thk

, Serial Range: pump-engine

1шт.

22

9635884

BOLT,Hex, 5/16" - 18 1", Full Thd, Gr 5

SETSCREW, 5/16 UNC x 1 in, pump to engine

2шт.

K19481

SPRING WASHER

SPRING WASHER, 5/16 in, Serial Range: pump-engine

2шт.

23

K928767

RESERVOIR

ASSEMBLY, Includes: Ref. 24 - 32

1шт.

24

K962515

CAP

FILLER CAP

1шт.

25

K960843

CAP

SEALING RING, filler cap

1шт.

26

K962517

COVER

1шт.

27

K960725

GASKET

SEALING RING, cover

1шт.

28

413-518

BOLT,Hex, 5/16" - 18 x 1-1/8", Gr 5

SETSCREW, 5/16 UNC x 1-1/8 in, special

1шт.

K626682

WASHER

5/16 in, Includes: Ref. 29

1шт.

29

K960723

COVER

SEALING WASHER, 5/16 in, special

1шт.

31

K962191

CAP

element

1шт.

32

K902187

FILTER

ELEMENT

1шт.

K929292

BAFFLE

PLASTIC OIL BAFFLE

1шт.

33

K928171

BREATHER

ELBOW, breather pipe

1шт.

K15735

WASHER

1/2 in, special

2шт.

425-158

JAM NUT,Jam, 1/2"-20, G5

LOCKNUT, 1/2 UNF

1шт.

34

K86372

BUSHING

DISTANCE PIECE, reservoir to cylinder head

2шт.

35

K608299

STUD

3/8 UNC x 3-1/4 in, reservoir to cylinder head

2шт.

280136

NUT,3/8"-16, G8

Reservoir to cylinder head 3/8"-16, G8

2шт.

K19482

SPRING WASHER

SPRING WASHER, 3/8 in, reservoir to cylinder head

2шт.

The notes A, B, and C at the bottom of the page make reference to E numbers. These E numbers are engine serial numbers.

1шт.

Выбрано товаров: 60