Запчасти Case IH 990 (K04-1) - DRAWBARS AND HITCHES, HIGH-HITCH DRAWBAR AND LINKAGE STABILISERS, 990G, 995G, 996G Drawbars & Hitches

Схема запчастей Case IH 990 - (K04-1) - DRAWBARS AND HITCHES, HIGH-HITCH DRAWBAR AND LINKAGE STABILISERS, 990G, 995G, 996G Drawbars & Hitches
13
11
15
3
12
10
4
5
1
8
15
13
11
9
12
14
7
2
10
6
FIT
1:1
100%

Артикул

Название

Примечание

Количество

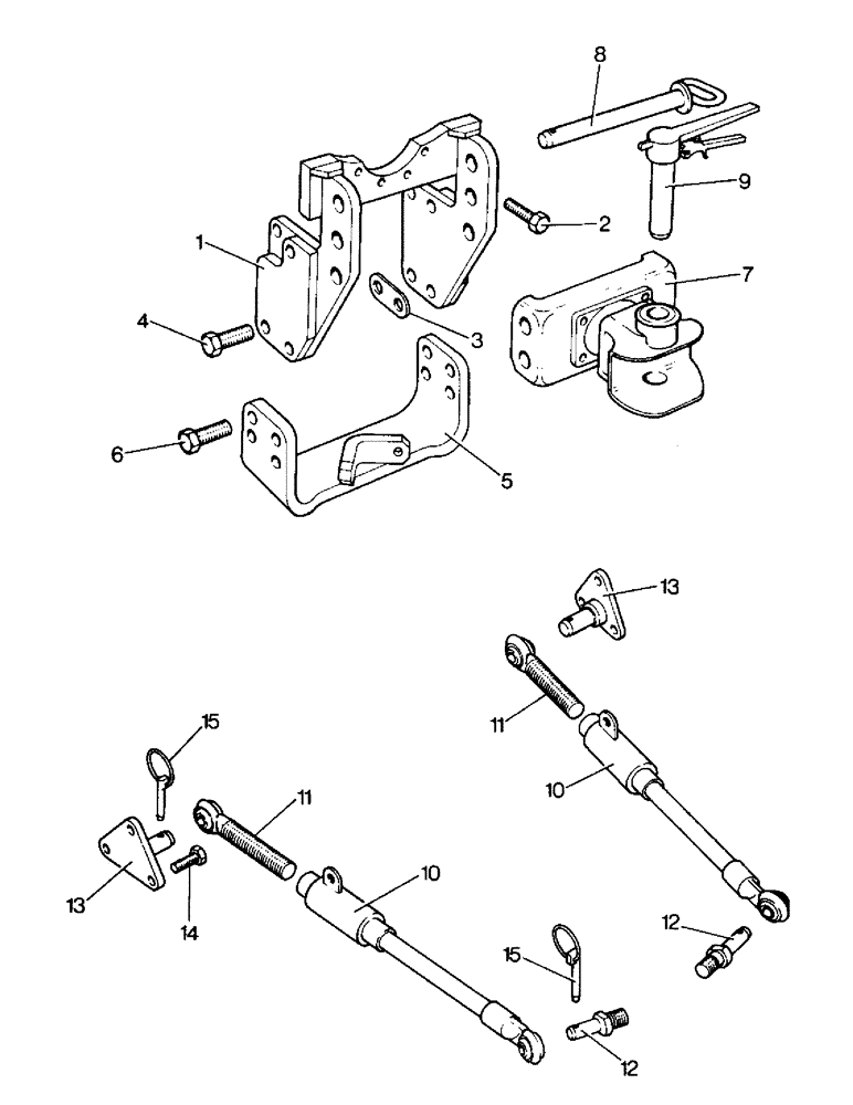
1

K947324

DRAWBAR, SWINGING

SUPPORT FRAME - drawbar

1шт.

2

K601204

BOLT

- 5/8 UNC x 2 in. (Frame to sensing unit)

4шт.

K19485

WASHER

SPRING WASHER - 5/8 in. (Frame to sensing unit)

4шт.

3a

K917071

SHIM

- 1/16 in. (Frame to PTO case)

1шт.

3b

K917072

SHIM

- 1/32 in. (Frame to PTO case)

1шт.

4

K603308

BOLT (SPREADER)

SETSCREW - 5/8 UNC x 1-3/4 in. (Frame to PTO case)

3шт.

K19485

WASHER

SPRING WASHER - 5/8 in. (Frame to PTO case)

3шт.

5

K926341

CHAIN (AG)

ANCHOR BRACKET - check chains

1шт.

6

K603314

SCREW

SETSCREW - 5/8 UNC x 2-1/2 in. (Bracket to PTO case)

4шт.

K19485

WASHER

SPRING WASHER - 5/8 in. (Bracket to PTO case)

4шт.

7

K917856

CLUTCH

TRAILER COUPLING, Includes: Ref. 8 & 9

1шт.

8

K917858

SPARE PART

PIN -, Serial Range: coupling-frame

2шт.

9

K917857

PIN

HITCH PIN

1шт.

K932320

STABILIZER

LINKAGE STABILISER UNIT - U2080, Includes: Ref. 10 - 15

1шт.

K954646

STABILIZER

STABILISER BAR ASSEMBLY - telescopic, Includes: Ref. 10 & 11

2шт.

10

K954647

TIE-ROD,8.125" L

BALL HOUSING AND TUBE

1шт.

11

K914993

END

BALL HOUSING - front

1шт.

12

K907008

PIN

- lower link

2шт.

K19486

WASHER, LOCK

SPRING WASHER - 3/4 in.

2шт.

280954

NUT,3/4"-10, G5

- 3/4 UNC

2шт.

13

K922662

PLATE

BRACKET

2шт.

14

K603107

BOLT,1/2" x 1 3/8"

SETSCREW - 1/2 UNC x 13/8 in., Serial Range: (Brackets-reductions)

6шт.

K119484

SPRING WASHER - 1/2 in., Serial Range: (Brackets-reductions)

6шт.

15

K920359

PIN

LINCH PIN AND RING

4шт.

Выбрано товаров: 24