Запчасти Case IH 990 (C05-1) - GEARBOX, DIFFERENTIAL AND DIFFERENTIAL LOCK Gearbox

Схема запчастей Case IH 990 - (C05-1) - GEARBOX, DIFFERENTIAL AND DIFFERENTIAL LOCK Gearbox
15
5
17
13
6
23
16
21
10
2
3
37
36
34
35
28
38
26
12
27
41
22
33
14
7
4
25
9
18
30
39
10
20
24
40
1
15
31
11
29
32
14
8
19
FIT
1:1
100%

Артикул

Название

Примечание

Количество

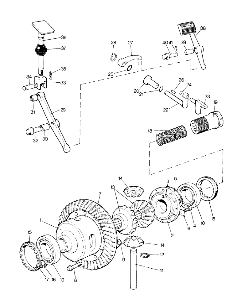
1

K942316

DIFFERENTIAL

CAGE

1шт.

2

K903184

FLANGE

END PLATE - cage

1шт.

3

K621801

PIN

DOWEL - 3/8 x 3/4 in.

3шт.

4

88206

BOLT,Hex, 3/8" - 16 x 1", Gr 5

9шт.

5

K903185

WASHER

TABWASHER

3шт.

6

K626372

WASHER

TABWASHER

3шт.

7a

K964879

GEAR-SET

BEVEL PINION AND SPIRAL GEAR - 7/43 teeth (990, 995, 996, 996Q, 995Q, 996Q, 990SK, 995SK, 996SK)

1шт.

7b

K964897

GEAR

BEVEL PINION AND SPIRAL GEAR - 7/43 teeth (990G, 995G, 996G)

1шт.

7c

K965090

GEAR-SET

BEVEL PINION AND SPIRAL GEAR - 7/43 teeth, 4WD tractors (990, 995, 996, 990Q, 995Q, 996Q, 990SK, 995SK, 996SK)

1шт.

8

K905664

WHEEL BOLT

- 7/16 UNC, special

12шт.

9

K30236

WASHER

TABWASHER

6шт.

280717

NUT,7/16"-14, G5

12шт.

10

K19010

BALL BEARING

2шт.

11

K942318

PIN

- 1-1/8 in. dia.

1шт.

12

K12207

RING, SNAP

CIRCLIP - 1-1/8 in. external

2шт.

13

K30234

CONE PINION

BEVEL WHEEL - 16 teeth

2шт.

14

K942317

DIFFERENTIAL

BEVEL PINION - 10 teeth

2шт.

15

K15007

RING, LOCKING

ADJUSTER

2шт.

16

K626420

WASHER

LOCKPLATE

2шт.

17

13-58

BOLT,Hex, 5/16" - 18 x 1/2", Gr 5

(Replaced K602801) Hex, 5/16"-18 x 1/2", G5, Full Thd

2шт.

18

K625119

SPRING

RETURN SPRING

1шт.

19

K903191

SLEEVE

LOCKING SLEEVE

1шт.

20

K903494

BUSHING

BUSH - rear axle case

1шт.

21

K34454

RING, SNAP

CIRCLIP - 7/8 in. external

1шт.

22

K903197

SHAFT

AND ARM

1шт.

23

K903226

SELECTOR

FORK

1шт.

K626674

WASHER

- 1/2 in., special

1шт.

24

K11302

RING, SNAP

CIRCLIP - 1/2 in. external

1шт.

25

K24676

O-RING,0.103" Thk x 0.612" ID, -114, Cl 6, 90 Duro

"O" RING - 5/8 in. internal dia.

1шт.

26

K622309

KEY

- 3/16 x 5/32 x 3/4 in.

1шт.

27a

K950442

LEVER

(990Q, 995Q, 996Q, 990SK, 995SK, 996SK)

1шт.

27b

K903228

LEVER

(990, 995, 996, 990G, 995G, 996G)

1шт.

28

K11797

RING, SNAP

CIRCLIP - 5/8 in. external

1шт.

29

K955069

LEVER

ACTUATING LEVER - replaces K950443 (990Q, 995Q, 996Q, 990SK, 995SK, 996SK)

1шт.

30

K621377

BUSHING

BUSH - lever pivot (990Q, 995Q, 996Q, 990SK, 995SK, 996SK)

1шт.

31

K949602

BUSHING

BUSH - lever end (990Q, 995Q, 996Q, 990SK, 995SK, 996SK)

1шт.

32

K916855

STUD

PIVOT PIN - 5/8 UNC (990Q, 995Q, 996Q, 990SK, 995SK, 996SK)

1шт.

K19475

WASHER

- 5/8 in. (990Q, 995Q, 996Q, 990SK, 995SK, 996SK)

1шт.

K19532

PIN

SPLIT PIN - 1/8 x 1 in. (990Q, 995Q, 996Q, 990SK, 995SK, 996SK)

1шт.

33

K949600

FORK

END (990Q, 995Q, 996Q, 990SK, 995SK, 996SK)

1шт.

34

K949601

PIN

CLEVIS PIN (990Q, 995Q, 996Q, 990SK, 995SK, 996SK)

1шт.

K19472

WASHER

- 3/8 in. (990Q, 995Q, 996Q, 990SK, 995SK, 996SK)

2шт.

35

K621573

RING, SNAP

SPRING CLIP (990Q, 995Q, 996Q, 990SK, 995SK, 996SK)

2шт.

36a

K955604

PEDAL

- differential lock (990Q, 995Q, 996Q, 990SK, 995SK, 996SK)

1шт.

Used on models 990Q, 990SK, 995Q, 995SK, 996Q, 996SK, S/N 11088300 and after

1шт.

36b

K950444

LOCK

PEDAL - differential lock (990Q, 995Q, 996Q, 990SK, 995SK, 996SK)

1шт.

Used on models 990Q, 990SK, 995Q, 995SK, 996Q, 996SK, up to S/N 11088300

1шт.

280431

NUT,1/2"-13, G5

(990Q, 995Q, 996Q, 990SK, 995SK, 996SK) 1/2"-13, G5

1шт.

37

K950448

BEARING

SPHERICAL BEARING (Pedal to cab) (990Q, 995Q, 996Q, 990SK, 995SK, 996SK)

1шт.

K950447

PLATE

SUPPORT PLATE - bearing to cab floor (Pedal to cab) (990Q, 995Q, 996Q, 990SK, 995SK, 996SK)

2шт.

38

K903229

PEDAL

- differential lock (990, 995, 996, 990G, 995G, 996G)

1шт.

39

K621346

BUSHING

BUSH - pedal (990, 995, 996, 990G, 995G, 996G)

1шт.

40

K919577

PIN

PIVOT PIN - 5/8 UNC (990, 995, 996, 990G, 995G, 996G)

1шт.

K19474

HARDWARE

WASHER - 1/2 in. (990, 995, 996, 990G, 995G, 996G)

1шт.

41

K690976

PIN

SPRING PIN - 1/8 x 1 in. (990, 995, 996, 990G, 995G, 996G)

1шт.

37

K950448

BEARING

SPHERICAL BEARING (Pedal to cab) (990Q, 995Q, 996Q, 990SK, 995SK, 996SK)

1шт.

K950447

PLATE

SUPPORT PLATE - bearing to cab floor (Pedal to cab) (990Q, 995Q, 996Q, 990SK, 995SK, 996SK)

2шт.

38

K903229

PEDAL

- differential lock (990, 995, 996, 990G, 995G, 996G)

1шт.

39

K621346

BUSHING

BUSH - pedal (990, 995, 996, 990G, 995G, 996G)

1шт.

40

K919577

PIN

PIVOT PIN - 5/8 UNC (990, 995, 996, 990G, 995G, 996G)

1шт.

K19474

HARDWARE

WASHER - 1/2 in. (990, 995, 996, 990G, 995G, 996G)

1шт.

41

K690976

PIN

SPRING PIN - 1/8 x 1 in. (990, 995, 996, 990G, 995G, 996G)

1шт.

Выбрано товаров: 62