Запчасти Case IH 990 (C06-1) - GEARBOX, TRANSFER GEARBOX 4WD TRACTORS MK3 - CARRARO AXLE, 990 4WD, 995 4WD, 996 4WD Gearbox

Схема запчастей Case IH 990 - (C06-1) - GEARBOX, TRANSFER GEARBOX 4WD TRACTORS MK3 - CARRARO AXLE, 990 4WD, 995 4WD, 996 4WD Gearbox
9
14
17
44
5
29
25
17
28
34
43
13
2
11
41
10
18
18
21
24
22
19
8
36
30
45
26
40
37
42
4
23
23
39
35
31
32
33
15
27
1
22
20
16
7
3
38
6
12
25
FIT
1:1
100%

Артикул

Название

Примечание

Количество

K200292

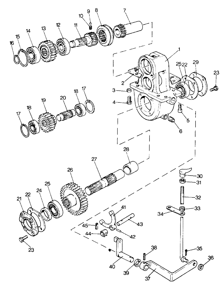
TRANSFER GEARBOX ASSEMBLY, Includes: Ref. 1 - 45

1шт.

1

K965392

PRODUCT GRAPHIC

CASE - (Carraro 105321)

1шт.

2

K965400

GASKET

- (Carraro 104843) (Case to main frame)

1шт.

3

K965384

RING

DOWEL - (Carraro 95472) (Case to main frame)

2шт.

4

K965302

SCREW

SETSCREW - M10 x 30 MM, (Carraro 20852) (Case to main frame)

6шт.

K965303

LOCK WASHER,M10

SPRING WASHER - , (Carraro 22859) (Case to main frame) M10

8шт.

5

K965407

SCREW

SPECIAL SETSCREW - (Carraro 105847) (Case to main frame)

2шт.

6

A156873

PLUG, DRAIN,M22 x 1.5

(Carraro 92270) (Replaced K965379) M22 x 1.5

1шт.

7

K965393

DRIVE

COUPLING - (Carraro 105363)

1шт.

8

K965395

CLUTCH

SLIDING DOG CLUTCH - (Carraro 97192)

1шт.

9

K965385

BALL

STEEL BALL - (Carraro 28265)

3шт.

10

K965394

SPRING

- (Carraro 97199)

3шт.

11

K965386

DRIVE SHAFT

DRIVESHAFT - (Carraro 105361)

1шт.

12

K965408

BALL BEARING

- 6207-4A, (Carraro 25808)

1шт.

13

K965387

DRIVE

GEAR - 23 teeth, (Carraro 105362)

1шт.

14

K965401

BALL BEARING

- 6203-7B, (Carraro 25857)

1шт.

15

K965403

RING, SNAP

CIRCLIP - D 72, DIN 472, (Carraro 24913)

1шт.

16

K965402

RING, SNAP

CIRCLIP - D 30, DIN 471, (Carraro 24785)

1шт.

17

K965404

RING, SNAP

CIRCLIP - D 62, DIN 472, (Carraro 24903)

2шт.

18

K965405

ROLLER

BEARING - NJ 2206, (Carraro 27521)

2шт.

19

K965388

SHAFT

INTERMEDIATE GEAR - 20 teeth, (Carraro 105360)

1шт.

20

K965389

SHAFT

INTERMEDIATE SHAFT - (Carraro 105359)

1шт.

21

K965397

COVER

FRONT COVER PLATE - (Carraro 89275)

1шт.

22

K965398

GASKET

- (Carraro 88830) (Cover, Serial Range: plate-case)

2шт.

23

K965359

BOLT,Hex, M8 x 1.25 x 25mm, Cl 8.8, Full Thd

SETSCREW - M8 x 25 MM, (Carraro 20781) (Cover plate to case)

8шт.

K965360

LOCK WASHER,M8

SPRING WASHER - , (Carraro 22856) (Cover plate to case) M8

8шт.

24

K965399

OIL SEAL

OIL SEAL - front cover plate, (Carraro 25156)

1шт.

25

K965406

ROLLER BEARING

- NJ 207, (Carraro 27544)

2шт.

26

K965390

GEAR

DRIVEN GEAR - 32 teeth, (Carraro 105358)

1шт.

27

K965391

SHAFT

OUTPUT SHAFT - (Carraro 105356)

1шт.

28

K965409

SHAFT

DISTANCE PIECE - (Carraro 105357)

1шт.

29

K965396

COVER

REAR COVER PLATE - (Carraro 89244)

1шт.

30

K965368

HANDLE

- (Carraro 105926)

1шт.

31

K965369

JAM NUT

LOCKNUT - handle to control rod, (Carraro 22123)

1шт.

32

K965371

ROD

CONTROL ROD - (Carraro 105925)

1шт.

33

K965370

GROMMET

- bracket, (Carraro 30053)

1шт.

34

K965372

BRACKET

- control rod, (Carraro 105000)

1шт.

35

K965374

PIN

SPLIT PIN - 3 x 30 MM, (Carraro 25567) (Control rod to selector lever)

1шт.

36

K965373

WASHER

- (Carraro 23113) (Control rod to selector lever)

1шт.

37

K965375

LEVER

SELECTOR LEVER - (Carraro 105924)

1шт.

38

K965376

SPLIT PIN/SAFETY PIN

SPRING PIN - 6 x 35 MM, (Carraro 24442)

1шт.

39

K965377

OIL SEAL

OIL SEAL - selector shaft, (Carraro 25107)

1шт.

40

K965378

SELECTOR

SHAFT - (Carraro 105919)

1шт.

41

K965383

SELECTOR

FORK - (Carraro 105355)

1шт.

42

K965380

PIN, ROLL

SPRING PIN - 5 x 26 MM, selector fork to shaft, (Carraro 24437)

1шт.

43

K965381

SELECTOR

SHAFT - (Carraro 105354)

1шт.

44

K965382

SELECTOR

- (Carraro 99430)

1шт.

45

K965380

PIN, ROLL

SPRING PIN - 5 x 26 MM, selector to shaft, (Carraro 24437)

1шт.

Выбрано товаров: 48