Запчасти Case IH 990B (48) - POWER-ASSISTED STEERING, U379, U483, U659 Steering & Front Axle

Схема запчастей Case IH 990B - (48) - POWER-ASSISTED STEERING, U379, U483, U659 Steering & Front Axle
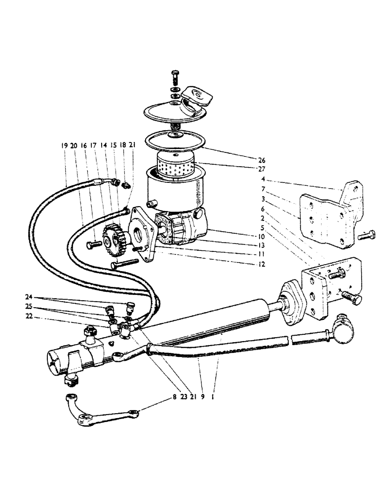
19
17
26
25
2
16
13
15
18
27
7
11
22
21
6
21
14
10
9
20
4
1
24
3
12
5
23
8
FIT
1:1
100%

Артикул

Название

Примечание

Количество

U379

POWER ASSISTED STEERING - Short Wheel Base, Serial Range: -456232

1шт.

U483

POWER ASSISTED STEERING - Long Wheel Base, Start Serial: 456233

1шт.

U659

POWER ASSISTED STEERING - Splined Steering Lever, Start Serial: 468895

1шт.

1

K902357

NO LONGER SERVICED

Ram

1шт.

RE IT NO. 1. - IF LOOKING FOR RUBBER EXCLUDER RING NEAR THE RH SIDE WHERE OVAL SHAPE FLANGE IS PART NUMBER IS K960835.

1шт.

2

K906611

Anchor Bracket--Ram, U379, Serial Range: -456232

1шт.

2

K909948

BRACKET

Anchor Bracket--Ram, U483, Start Serial: 456233

1шт.

3

K907216

Extension--Anchor Bracket

1шт.

4

K907215

SUPPORT

Bracket, U379, Serial Range: -456232

1шт.

4

K909949

Support Bracket--Wide Track, U483, Start Serial: 456233

1шт.

5

K603307

SCREW

Setscrew, 5/8 UNC x 1 5/8 in. Bracket to main frame front

4шт.

K19485

WASHER

Spring Washer, 5/8 in. Bracket to main frame front

4шт.

6

K600611

BOLT

7/16 UNC x 2 5/8 in.

2шт.

7

K603005

SCREW

Setscrew, 7/16 UNC x 1 1/4 in.

2шт.

280717

NUT,7/16"-14, G5

4шт.

K19483

SPRING WASHER

Spring Washer, 7/16 in.

4шт.

8

K907202

KIT

Steering Lever--L.H., U379, Serial Range: -456232

1шт.

8

K910772

SPARE PART

Steering Lever--L.H., U483, Start Serial: 456233

1шт.

8

K913924

LEVER

Steering Lever--L.H., U659, Start Serial: 468895

1шт.

K11312

WASHER

Taper Washer, 1/2 in.

2шт.

K19533

PIN

Split Pin, 1/8 x 1 1/4 in.

2шт.

9

K907293

Drag Link Assembly, U379, Serial Range: -456232

1шт.

9

K909954

LINK

Drag Link Assembly, U483, Start Serial: 456233

1шт.

K902313

TUBE

Drag Link, Included in 907293, U379, Serial Range: -456232

1шт.

K909955

LINK

Drag Link, Included in 909954, U483, Start Serial: 456233

1шт.

K902316

EYE

End, Included in Ref. 9

1шт.

K622500

LOCK NUT

Locknut, 3/4 Whit. 20 TPI, Included in Ref. 9

1шт.

K908071

BALL JOINT

Ball Socket Assembly (Supersedes 905631), Included in Ref. 9

1шт.

K961701

BOOT

Dirt Excluder, Included in Ref. 9

1шт.

K617104

NUT

Slotted Nut, Included in 908071

1шт.

K622500

LOCK NUT

Locknut, Included in 908071

1шт.

K19530

PIN

Split Pin, 3/32 x 1 in.

1шт.

10

K904511

SPARE PART

Pump and Tank

1шт.

RE IT NO. 10. RESV CAP PART NUMBER IS K961112.

1шт.

11

K904190

SUPPORT

1шт.

12

K616501

SCREW

Socket Screw, 1/4 UNF, Serial Range: Pump-support

4шт.

K19480

SPRING WASHER

Spring Washer, 1/4 in., Serial Range: Pump-support

4шт.

13

K904563

GASKET

, Serial Range: Pump-support

1шт.

280345

BOLT,Hex, 5/16" - 18 x 7/8", Gr 5, Full Thd

Setscrew, 5/16 UNC x 7/8 in.

1шт.

14

K600214

BOLT

5/16 UNC x 2 5/8 in.

2шт.

K600316

BOLT

5/16 UNC x 2 1/4 in.

1шт.

K19481

SPRING WASHER

Spring Washer, 5/16 in.

1шт.

15

K904189

GEAR

--Pump

1шт.

K82664

KEY

Parallel Key, 13/16 in.

1шт.

16

K600357

BOLT

Setscrew--Special

1шт.

17

K904523

WASHER

--Pump

1шт.

18

K620010

ADAPTER

Adaptor--Special

1шт.

K623515

SEAL,16.38mm ID x 25.53mm OD x 3.2mm Thk

ing Washer

1шт.

19

K903042

HOSE

, Serial Range: Hose--Pump-Ram

1шт.

20

K903043

HOSE

--Ram to Pump Return

1шт.

21

K13069

HOSE

Clip (Replaces 621770)

2шт.

K14563

BUCKLE

Clip

2шт.

22

K902096

FITTING

Banjo

1шт.

23

K902098

ADAPTER

Banjo Adaptor

1шт.

24

K902097

NO LONGER SERVICED

Banjo Pin

2шт.

25

K14582

WASHER

Dowty Sealing Washer

4шт.

26

K960725

GASKET

Washer--Reservoir Cover

1шт.

27

K960750

FILTER

Element

1шт.

Выбрано товаров: 58