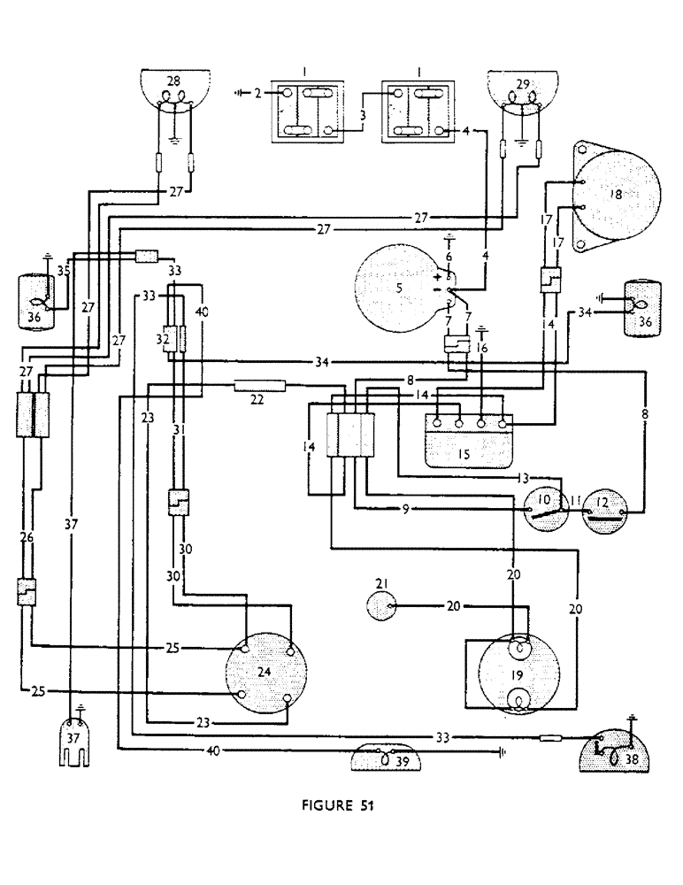
Запчасти Case IH 990B (81) - ELECTRICAL EQUIPMENT, FROM TRACTOR 456233 TO 476324 (06) - ELECTRICAL SYSTEMS

Схема запчастей Case IH 990B - (81) - ELECTRICAL EQUIPMENT, FROM TRACTOR 456233 TO 476324 (06) - ELECTRICAL SYSTEMS
36
10
34
27
37
27
6
32
33
23
23
22
14
20
17
20
27
4
1
40
21
38
19
8
36
1
18
33
29
25
40
34
27
4
7
25
26
7
33
14
15
30
20
14
27
31
13
37
39
35
28
11
16
30
12
17
3
2
24
27
8
9
5
FIT
1:1
100%

Артикул

Название

Примечание

Количество

1

K907789

BATTERY

12 Volt--Standard (Exide 6/TXMZ15L)

1шт.

K909819

NO LONGER SERVICED

Cover Standard Battery

1шт.

K909760

CLAMP

Standard Battery

1шт.

K909818

STUD

Special, 1/4 BSF Standard Battery

2шт.

1

K909913

Battery, 12 Volt--Heavy Duty (Exide 6/RHMZ15L)

1шт.

K912771

SPARE PART

Cover and Clamp Heavy Duty Battery

1шт.

K911930

LINKAGE

Stud, Special Heavy Duty Battery

2шт.

K24892

RATCHET

Plate, 1/4 in.

2шт.

K19470

WASHER

1/4 in.

2шт.

K19480

SPRING WASHER

Spring Washer, 1/4 in.

2шт.

K19435

NUT

Wing Nut, 1/4 BSF

2шт.

K908394

BUSHING

Seating Pad--Battery

1шт.

2

K912722

, Serial Range: Cable--Battery-Earth

1шт.

K602801

BOLT (SPREADER)

Setscrew, 5/16 UNC x 1/2 in.

1шт.

9635082

NUT,5/16" - 18, Gr 5

5/16 UNC

1шт.

K11517

WASHER

Shakeproof Washer, 5/16 in.

1шт.

3

K909824

, Serial Range: Cable--Battery-Starter

1шт.

K621621

CABLE

, Serial Range: Clip--Cable-Frame

1шт.

K87560

CONTACT HOUSING

Rubber Cover--Starter Terminal

1шт.

4

K89772

STARTER MOTOR

Starter

1шт.

K600408

BOLT,3/8" x 2"

3/8 UNC x 2 in.

1шт.

280136

NUT,3/8"-16, G8

1шт.

K600406

BOLT

3/8 UNC x 1 3/4 in.

2шт.

K19482

SPRING WASHER

Spring Washer, 3/8 in.

3шт.

5

K908844

NO LONGER SERVICED

, Serial Range: Cable--Starter-Earth

1шт.

K19470

WASHER

1/4 in.

1шт.

K19472

WASHER

3/8 in.

1шт.

K907500

Conduit--Dynamo and Starter Cable

1шт.

K621618

CLIP

, Serial Range: Conduit-manifold

2шт.

K19482

SPRING WASHER

Spring Washer, 3/8 in., Serial Range: Conduit-manifold

2шт.

280136

NUT,3/8"-16, G8

Conduit to manifold 3/8"-16, G8

2шт.

K82317

GROMMET

--Conduit

2шт.

6

K907472

SWITCH

, Serial Range: Lead--Starter-Connector

1шт.

K24824

NO LONGER SERVICED

Clip Lead to clutch housing

1шт.

K602701

BOLT

Setscrew, 1/4 UNC x 1/2 in. Leat to clutch housing

1шт.

K19480

SPRING WASHER

Spring Washer, 1/4 in. Leat to clutch housing

1шт.

7

K908873

Lead (Starter)--Connector to Connector, To Tractor 463764

1шт.

8

K907477

CONNECTOR, ELEC

Four-Way Connector To Tractor 463764

1шт.

K67916

ELEC CONNECTOR

Cable Nipple To Tractor 463764

1шт.

9

K907457

SPARE PART

Lead--Four-Way Connector to Isolating Switch, To Tractor 463764

1шт.

10

K68534

STARTING MOTOR

Isolating Switch (with Keys) To Tractor 463764

1шт.

11

K907461

SPARE PART

Lead--Isolating Switch to Starter Button, To Tractor 463764

1шт.

12

K19903

IGNITION SWITCH

Starter Button To Tractor 463764

1шт.

13

K907462

Lead--Isolating Switch to Four-Way Connector, To Tractor 463764

1шт.

K912951

STARTER MOTOR

Lead--Connector to Isolating Switch From Tractor 463765

1шт.

K912384

IGNITION SWITCH

Isolating and Starter Switch From Tractor 463765

1шт.

K912417

KEY

--Switch From Tractor 463765

2шт.

K912408

NUT

--Switch Retaining From Tractor 463765

1шт.

K912949

X

Lead--Four-Way Connector to Switch From Tractor 463765

1шт.

K912950

STARTING MOTOR

Lead--Switch to Four-Way Connector From Tractor 463765

1шт.

8

K907477

CONNECTOR, ELEC

Four-Way Connector From Tractor 463765

1шт.

K67916

ELEC CONNECTOR

Cable Nipple

1шт.

14

K908871

HARNESS

Wiring Harness

1шт.

15

K910422

SPARE PART

Regulator (Lucas 37396)

1шт.

K603926

SCREW

1/4 UNC x 3/4 in., Serial Range: Regulator-bracket

2шт.

K19480

SPRING WASHER

Spring Washer, 1/4 in., Serial Range: Regulator-bracket

2шт.

K607000

NUT

1/4 UNC, Serial Range: Regulator-bracket

2шт.

K19921

Ferrule--Regulator Connections

4шт.

16

K907458

, Serial Range: Lead--Regulator-Earth

1шт.

17

K909607

REGULATOR

, Serial Range: Lead--Connector-Dynamo

1шт.

18

K908882

GENERATOR

Dynamo (Lucas C40A)

1шт.

19

K908351

INDICATOR LIGHT

Warning Light--Dynamo Charge and Oil Pressure

1шт.

Bulb, 12 Volt, 2.4 Watt MES

2шт.

20

K908884

HARNESS

--Warning Lights

1шт.

K19932

RING

Clip Harness to tank support

1шт.

K614983

Screw, No. 10 UNF x 3/8 in. Harness to tank support

1шт.

K19488

SPRING WASHER

Spring Washer, 3/16 in. Harness to tank support

1шт.

120614

NUT,Hex, #10 - 32

Nut, No. 10 UNF Harness to tank support

1шт.

21

K903851

PRESSURE SWITCH

Switch--Oil Warning Light

1шт.

K915148

NO LONGER SERVICED

Cover--Switch

1шт.

22

K907475

FUSE

Holder

1шт.

K960980

HOLDER

Cap--Fuse Holder 907475

1шт.

K960981

SEAL

Rubber Seal--Cap 907475

1шт.

K904459

FUSE

25 Amp 907475

1шт.

23

K908872

X

Lead--Fuse to Lighting Switch

1шт.

24

K901836

IGNITION SWITCH

Lighting Switch

1шт.

25

K907471

Lead (Headlamps)--Lighting, Serial Range: Switch-Connector

1шт.

K621600

CLIP

Nylastic Clip Leads to regulator bracket

2шт.

K19488

SPRING WASHER

Spring Washer, 3/16 in. Leads to regulator bracket

2шт.

K11109

NUT

2 BA Leads to regulator bracket

2шт.

26

K907470

CABLE

Lead, Serial Range: (Headlamps)--Connector-Connector

1шт.

27

K903821

SPARE PART

, Serial Range: Lead--Connector-Headlamps

1шт.

K903822

WASHER

Clip--Headlamp, Serial Range: Leads-Bonnet

13шт.

28

K912015

NO LONGER SERVICED

Headlamp, L.H. (see Fig. 92)

1шт.

29

K912016

NO LONGER SERVICED

Headlamp, R.H. (see Fig. 92)

1шт.

Bulb, Pre-Focus, 28 mm, 12 Volt, 35/35 Watt

2шт.

30

K907466

SWITCH

Lead (Sidelamps)--Lighting, Serial Range: Switch-Connector

1шт.

31

K907467

SPARE PART

Lead, Serial Range: (Sidelamps)--Connector-Connector

1шт.

K907501

Guard--Sidelamp Leads

1шт.

32

K86230

CONNECTOR, ELEC

Double Connector

2шт.

33

K910800

Lead--Side and Floodlamp

1шт.

34

K907460

Lead--R.H. Sidelamp

1шт.

35

K907459

SPARE PART

Lead--L.H. Sidelamp

1шт.

K87772

Cable Tube--R.H. Sidelamp

1шт.

K87773

Cable Tube--L.H. Sidelamp

1шт.

K19917

Clip Cable, Serial Range: tubes-mudguards

4шт.

K614983

Screw, No. 10 UNF x 3/8 in. Cable, Serial Range: tubes-mudguards

4шт.

K19488

SPRING WASHER

Spring Washer, 3/16 in. Cable, Serial Range: tubes-mudguards

4шт.

120614

NUT,Hex, #10 - 32

Nut, No. 10 UNF Cable tubes to mudguards

4шт.

36

K901970

STOP LIGHT

Side/Rear Lamp (see Fig. 92)

2шт.

Bulb, 12 Volt, 6 Watt, Single Contact

2шт.

37

K904078

NO LONGER SERVICED

Socket--Trailer Connection

1шт.

K960896

Plug--Trailer Socket

1шт.

K624792

SCREW

Parker Kalon, No. 10 x 1/2 in.

1шт.

38

K911992

HEADLIGHT

Rear Floodlamp (see Fig. 92)

1шт.

Bulb, Pre-Focus, 28 mm, 12 Volt, 36 Watt

1шт.

K19917

Clip Leads to seat support bracket

3шт.

K19932

RING

Clip Leads to seat support bracket

1шт.

K614984

SCREW

No. 10 UNF x 1/2 in. Leads to seat support bracket

4шт.

K19488

SPRING WASHER

Spring Washer, 3/16 in. Leads to seat support bracket

4шт.

120614

NUT,Hex, #10 - 32

Nut, No. 10 UNF Leads to seat support bracket

4шт.

39

K82303

SPARE PART

Lamp--Rear Number Plate, U417 (907435)

1шт.

Bulb, 12 Volt, 4 Watt, Single Contact, U417 (907435)

1шт.

K902460

SUPPORT

Bracket, U417 (907435)

1шт.

K12355

NUT

Domed Nut, 2 BA, U417 (907435)

2шт.

40

K907464

Lead--Connector to Number Plate Lamp, U417 (907435)

1шт.

K603924

SCREW

1/4 UNC x 1/2 in., U417 (907435)

3шт.

K626431

Spring Washer, 1/4 in., U417 (907435)

3шт.

K607043

NUT

1/4 UNC, U417 (907435)

3шт.

K621644

CLIP

--Lead to Seat, U417 (907435)

1шт.

K19930

GROMMET,3/8" ID x 5/8" Groove Dia

U417 (907435)

1шт.

K621600

CLIP

Nylastic Clip--Leads to Seat Support, U417 (907435)

2шт.

Выбрано товаров: 122