Запчасти Case IH 995 (M02) - ELECTRICAL EQUIPMENT, ALTERNATOR, BATTERY AND DYNAMO (06) - ELECTRICAL SYSTEMS

Схема запчастей Case IH 995 - (M02) - ELECTRICAL EQUIPMENT, ALTERNATOR, BATTERY AND DYNAMO (06) - ELECTRICAL SYSTEMS
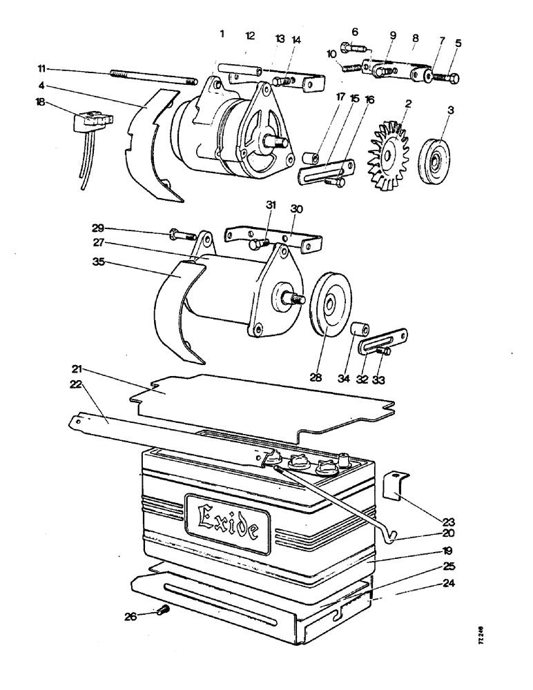
34
28
21
22
9
8
16
29
5
10
13
23
20
3
14
12
18
7
1
25
2
35
11
27
24
32
31
26
17
30
33
4
6
19
15
FIT
1:1
100%

Артикул

Название

Примечание

Количество

1

K925009

ALTERNATOR

ALTERNATOR, (Lucas 23623) (optional equipment)

1шт.

1

92293C1

ALTERNATOR

Alternator, 12V, 45 Amp, W/Fan and Pulley

1шт.

1

92293C1R

REMAN-ALTERNATOR

Reman For New PN 92293C1

1шт.

1

92293C1C

CORE-ALTERNATOR

Return Number

1шт.

1

92293C1GV

ALTERNATOR

Value, 12 Volt, 45 Amp, W/Fan and Pulley

1шт.

1

K956426

ALTERNATOR

Alternator

1шт.

1

104020A1GV

ALTERNATOR

Value, 12V, 26A

1шт.

1

104020A1R

REMAN-ALTERNATOR

Remanufactured 12 VOLT, 26 AMP Alternator

1шт.

1

104020A1C

CORE-ALTERNATOR

Return Number, 12 VOLT, 26 AMP Alternator

1шт.

1

104020A1RGV

ALTERNATOR

REMANUFACTURED 12 VOLT, 26 AMP ALTERNATOR

1шт.

2

K942129

FAN

FAN, alternator

1шт.

3

K942045

PULLEY

PULLEY, alternator

1шт.

4

K942117

GUARD

GUARD, fan

1шт.

5

K600359

BOLT

BOLT, 5/16 UNC x 1-1/4 in

1шт.

Used on model 885, S/N E26595 and after

1шт.

Used on model 885G, S/N E2057 and after

1шт.

Used on model 990, S/N E39274 and after

1шт.

Used on model 995, S/N E32958 and after

1шт.

Used on model 996, S/N E54599 and after

1шт.

Used on model 1210 (Simms), S/N E24549 and after

1шт.

Used on model 1210 (Bosch), S/N E23614 and after

1шт.

Used on model 1212, S/N E17664 and after

1шт.

6

K600365

BOLT

BOLT, 5/15 UNC x 1-1/2 in

1шт.

Used on model 885, S/N E26595 and after

1шт.

Used on model 885G, S/N E2057 and after

1шт.

Used on model 990, S/N E39274 and after

1шт.

Used on model 995, S/N E32958 and after

1шт.

Used on model 996, S/N E54599 and after

1шт.

Used on model 1210 (Simms), S/N E24549 and after

1шт.

Used on model 1210 (Bosch), S/N E23614 and after

1шт.

Used on model 1212, S/N E17664 and after

1шт.

7

K626916

WASHER

WASHER, special, 5/16 in, Serial Range: alternator-bracket

1шт.

Used on model 885, S/N E26595 and after

1шт.

Used on model 885G, S/N E2057 and after

1шт.

Used on model 990, S/N E39274 and after

1шт.

Used on model 995, S/N E32958 and after

1шт.

Used on model 996, S/N E54599 and after

1шт.

Used on model 1210 (Simms), S/N E24549 and after

1шт.

Used on model 1210 (Bosch), S/N E23614 and after

1шт.

Used on model 1212, S/N E17664 and after

1шт.

K19481

SPRING WASHER

SPRING WASHER, 5/16 in, Serial Range: alternator-bracket

2шт.

Used on model 885, S/N E26595 and after

1шт.

Used on model 885G, S/N E2057 and after

1шт.

Used on model 990, S/N E39274 and after

1шт.

Used on model 995, S/N E32958 and after

1шт.

Used on model 996, S/N E54599 and after

1шт.

Used on model 1210 (Simms), S/N E24549 and after

1шт.

Used on model 1210 (Bosch), S/N E23614 and after

1шт.

Used on model 1212, S/N E17664 and after

1шт.

9635082

NUT,5/16" - 18, Gr 5

NUT, 5/16 UNC, alternator to bracket

2шт.

Used on model 885, S/N E26595 and after

1шт.

Used on model 885G, S/N E2057 and after

1шт.

Used on model 990, S/N E39274 and after

1шт.

Used on model 995, S/N E32958 and after

1шт.

Used on model 996, S/N E54599 and after

1шт.

Used on model 1210 (Simms), S/N E24549 and after

1шт.

Used on model 1210 (Bosch), S/N E23614 and after

1шт.

Used on model 1212, S/N E17664 and after

1шт.

8

K947375

SUPPORT

SUPPORT BRACKET

1шт.

Used on model 885, S/N E26595 and after

1шт.

Used on model 885G, S/N E2057 and after

1шт.

Used on model 990, S/N E39274 and after

1шт.

Used on model 995, S/N E32958 and after

1шт.

Used on model 996, S/N E54599 and after

1шт.

Used on model 1210 (Simms), S/N E24549 and after

1шт.

Used on model 1210 (Bosch), S/N E23614 and after

1шт.

Used on model 1212, S/N E17664 and after

1шт.

9

88206

BOLT,Hex, 3/8" - 16 x 1", Gr 5

BOLT, , Bracket to cylinder block Hex, 3/8"-16 x 1", G5, Full Thd

1шт.

Used on model 885, S/N E26595 and after

1шт.

Used on model 885G, S/N E2057 and after

1шт.

Used on model 990, S/N E39274 and after

1шт.

Used on model 995, S/N E32958 and after

1шт.

Used on model 996, S/N E54599 and after

1шт.

Used on model 1210 (Simms), S/N E24549 and after

1шт.

Used on model 1210 (Bosch), S/N E23614 and after

1шт.

Used on model 1212, S/N E17664 and after

1шт.

10a

K60235

STUD, 3/8 UNC x 1-1/4 in, bracket to cylinder block (990, 995, 996, 1210, 1212)

1шт.

Used on model 990, S/N E39274 and after

1шт.

Used on model 995, S/N E32958 and after

1шт.

Used on model 996, S/N E54599 and after

1шт.

Used on model 1210 (Simms), S/N E24549 and after

1шт.

Used on model 1210 (Bosch), S/N E23614 and after

1шт.

Used on model 1212, S/N E17664 and after

1шт.

10b

K602902

SCREW

SETSCREW, 3/8 UNC x 3/4 in, bracket to cylinder block (885)

1шт.

Used on model 885, S/N E26595 and after

1шт.

Used on model 885G, S/N E2057 and after

1шт.

K19482

SPRING WASHER

SPRING WASHER, 3/8 in, bracket to cylinder block

2шт.

Used on model 885, S/N E26595 and after

1шт.

Used on model 885G, S/N E2057 and after

1шт.

Used on model 990, S/N E39274 and after

1шт.

Used on model 995, S/N E32958 and after

1шт.

Used on model 996, S/N E54599 and after

1шт.

Used on model 1210 (Simms), S/N E24549 and after

1шт.

Used on model 1210 (Bosch), S/N E23614 and after

1шт.

Used on model 1212, S/N E17664 and after

1шт.

280136

NUT,3/8"-16, G8

NUT, , Bracket to cylinder block (990, 995, 996, 1210, 1212) 3/8"-16, G8

1шт.

Used on model 990, S/N E39274 and after

1шт.

Used on model 995, S/N E32958 and after

1шт.

Used on model 996, S/N E54599 and after

1шт.

Used on model 1210 (Simms), S/N E24549 and after

1шт.

Used on model 1210 (Bosch), S/N E23614 and after

1шт.

Used on model 1212, S/N E17664 and after

1шт.

11

K925011

STUD

STUD, 5/16 UNC x 7-1/8 in, Serial Range: alternator-bracket

1шт.

Used on model 885, up to S/N E26595

1шт.

Used on model 885G, up to S/N E2057

1шт.

Used on model 990, up to S/N E39274

1шт.

Used on model 995, up to S/N E32958

1шт.

Used on model 996, up to S/N E54599

1шт.

Used on model 1210 (Simms), up to S/N E24549

1шт.

Used on model 1210 (Bosch), up to S/N E23614

1шт.

Used on model 1212, up to S/N E17664

1шт.

231-1435

LOCK NUT,5/16"-18, GB

NYLOC NUT, 5/16 UNC, Alternator to bracket

2шт.

Used on model 885, up to S/N E26595

1шт.

Used on model 885G, up to S/N E2057

1шт.

Used on model 990, up to S/N E39274

1шт.

Used on model 995, up to S/N E32958

1шт.

Used on model 996, up to S/N E54599

1шт.

Used on model 1210 (Simms), up to S/N E24549

1шт.

Used on model 1210 (Bosch), up to S/N E23614

1шт.

Used on model 1212, up to S/N E17664

1шт.

K607081

LOCK NUT

LOCKNUT, 5/16 UNC, Serial Range: alternator-bracket

2шт.

Used on model 885, up to S/N E26595

1шт.

Used on model 885G, up to S/N E2057

1шт.

Used on model 990, up to S/N E39274

1шт.

Used on model 995, up to S/N E32958

1шт.

Used on model 996, up to S/N E54599

1шт.

Used on model 1210 (Simms), up to S/N E24549

1шт.

Used on model 1210 (Bosch), up to S/N E23614

1шт.

Used on model 1212, up to S/N E17664

1шт.

K19481

SPRING WASHER

SPRING WASHER, 5/16 in, Serial Range: alternator-bracket

2шт.

Used on model 885, up to S/N E26595

1шт.

Used on model 885G, up to S/N E2057

1шт.

Used on model 990, up to S/N E39274

1шт.

Used on model 995, up to S/N E32958

1шт.

Used on model 996, up to S/N E54599

1шт.

Used on model 1210 (Simms), up to S/N E24549

1шт.

Used on model 1210 (Bosch), up to S/N E23614

1шт.

Used on model 1212, up to S/N E17664

1шт.

12

K627027

BUSHING

SPACER, Serial Range: alternator-bracket

2шт.

Used on model 885, up to S/N E26595

1шт.

Used on model 885G, up to S/N E2057

1шт.

Used on model 990, up to S/N E39274

1шт.

Used on model 995, up to S/N E32958

1шт.

Used on model 996, up to S/N E54599

1шт.

Used on model 1210 (Simms), up to S/N E24549

1шт.

Used on model 1210 (Bosch), up to S/N E23614

1шт.

Used on model 1212, up to S/N E17664

1шт.

13

K912758

BRACKET

SUPPORT BRACKET

1шт.

Used on model 885, up to S/N E26595

1шт.

Used on model 885G, up to S/N E2057

1шт.

Used on model 990, up to S/N E39274

1шт.

Used on model 995, up to S/N E32958

1шт.

Used on model 996, up to S/N E54599

1шт.

Used on model 1210 (Simms), up to S/N E24549

1шт.

Used on model 1210 (Bosch), up to S/N E23614

1шт.

Used on model 1212, up to S/N E17664

1шт.

14

K602903

SCREW

SETSCREW, 3/8 UNC x 7/8 in, bracket to cylinder block

2шт.

Used on model 885, up to S/N E26595

1шт.

Used on model 885G, up to S/N E2057

1шт.

Used on model 990, up to S/N E39274

1шт.

Used on model 995, up to S/N E32958

1шт.

Used on model 996, up to S/N E54599

1шт.

Used on model 1210 (Simms), up to S/N E24549

1шт.

Used on model 1210 (Bosch), up to S/N E23614

1шт.

Used on model 1212, up to S/N E17664

1шт.

K19482

SPRING WASHER

SPRING WASHER, 3/8 in, bracket to cylinder block

2шт.

Used on model 885, up to S/N E26595

1шт.

Used on model 885G, up to S/N E2057

1шт.

Used on model 990, up to S/N E39274

1шт.

Used on model 995, up to S/N E32958

1шт.

Used on model 996, up to S/N E54599

1шт.

Used on model 1210 (Simms), up to S/N E24549

1шт.

Used on model 1210 (Bosch), up to S/N E23614

1шт.

Used on model 1212, up to S/N E17664

1шт.

15

K942044

STRAP

ADJUSTER STRAP

1шт.

16

280345

BOLT,Hex, 5/16" - 18 x 7/8", Gr 5, Full Thd

SETSCREW, 5/16 UNC x 7/8 in

1шт.

K626916

WASHER

WASHER, 5/16 in

1шт.

K19481

SPRING WASHER

SPRING WASHER, 5/16 in

1шт.

17

K627028

BUSHING

DISTANCE PIECE, adjuster strap (except 885)

1шт.

18

K942603

PEDESTAL

SOCKET, (Lucas 549 58776)

1шт.

19a

K918881

SPARE PART

BATTERY, 12 volt, (Exide 6/TXAZ 15R), standard battery (1210, 1212)

1шт.

20a

K916333

STUD

CLAMPING STUD, 1/4 BSF x 9 in, standard battery (1210, 1212)

2шт.

19b

K929951

SPARE PART

BATTERY, 12 volt, (Exide 6/RHAZ 17R), heavy duty battery (1210, 1212)

1шт.

20b

K919712

STUD

SPARE PART CLAMPING STUD, 1/4 BSF x 11-3/8 in, heavy duty battery (1210, 1212)

2шт.

19c

A38411

DRY BATTERY

BATTERY, 12 volt, (Exide 6/TXMZ 15L), standard battery (990, 995, 996)

1шт.

21a

K947399

COVER

COVER, battery, standard battery (990, 995, 996)

1шт.

20c

K909818

STUD

CLAMPING STUD, 1/4 BSF x 12 in, standard battery (990, 995, 996)

2шт.

19d

K929951

SPARE PART

BATTERY, 12 volt (Exide 6/RHAZ 17R), heavy duty battery (990, 995, 996)

1шт.

21b

K912771

SPARE PART

COVER TO CLAMP, heavy duty battery (990,995, 996)

1шт.

20d

K911930

LINKAGE

CLAMP STUD, 1/4 BSF x 13-1/2 in, heavy duty battery (990, 995, 996)

2шт.

19e

K907789

BATTERY

BATTERY, 12 volt, (Exide 6/TXMZ 15L) (885 diesel)

1шт.

20e

K909818

STUD

CLAMPING STUD, 1/4 BSF x 12 in (885 diesel)

2шт.

21c

K947398

COVER

COVER, battery (885 diesel)

1шт.

19f

K923878

BATTERY, 12 volt, (Exide 6/TXAZ 11L) (885 gasoline)

1шт.

20f

K909818

STUD

CLAMPING STUD, 1/4 BSF x 12 in (885 gasoline)

2шт.

21d

K947398

COVER

COVER, battery (885 gasoline)

1шт.

22

K909760

CLAMP

CLAMP, cover, battery fixing to main frame

1шт.

23

K9237725

PACKING PIECE, battery fixing to main frame

2шт.

K628100

PLUG

PLASTIC PLUG, 7/16 UNC, battery fixing to main frame

2шт.

K24892

RATCHET

RATCHET PLATE, 1/4 in, battery fixing to main frame

2шт.

K19470

WASHER

WASHER, 1/4 in, battery fixing to main frame

2шт.

K626341

SPRING WASHER

SPRING WASHER, 1/4 in, battery fixing to main frame

2шт.

K19435

NUT

WING NUT, 1/4 BSF, battery fixing to main frame

2шт.

24

K918883

COVER

TRAY, battery (1210, 1212)

1шт.

25

K908394

BUSHING

SPARE PART SEATING PAD (1210, 1212)

1шт.

26

K917661

PIN

STUD, 3/8 UNC, special (1210, 1212)

2шт.

K19482

SPRING WASHER

SPRING WASHER, 3/8 in (1210, 1212)

2шт.

280136

NUT,3/8"-16, G8

NUT, (1210, 1212) 3/8"-16, G8

2шт.

27

K913986

NO LONGER SERVICED

DYNAMO, (Lucas 22703)

1шт.

28

K900757

PULLEY

PULLEY, dynamo

1шт.

29

9635884

BOLT,Hex, 5/16" - 18 1", Full Thd, Gr 5

SETSCREW, 5/16 UNC x 1 in, dynamo to bracket

2шт.

9635082

NUT,5/16" - 18, Gr 5

NUT, 5/16 UNC, dynamo to bracket

2шт.

K19481

SPRING WASHER

SPRING WASHER, 5/16 in, Serial Range: dynamo-bracket

2шт.

30

K912758

BRACKET

SUPPORT BRACKET

1шт.

31

K602903

SCREW

SETSCREW, 3/8 UNC x 7/8 in, bracket to, Serial Range: cylinder-block

2шт.

K19482

SPRING WASHER

SPRING WASHER, 3/8 in, bracket to, Serial Range: cylinder-block

2шт.

32a

K902063

STRAP

ADJUSTER STRAP (except 885)

1шт.

32b

K914251

ADJUSTER

ADJUSTER STRAP (885)

1шт.

33

280345

BOLT,Hex, 5/16" - 18 x 7/8", Gr 5, Full Thd

SETSCREW, 5/16 UNC x 7/8 in

1шт.

K626916

WASHER

WASHER, 5/16 in

1шт.

K19481

SPRING WASHER

SPRING WASHER, 5/16 in

1шт.

34

K627036

BUSHING

DISTANCE PIECE, adjuster strap (except 885)

1шт.

35

K928717

GUARD

GUARD, pulley (except 885)

1шт.

K626669

WASHER

WASHER, 5/16 in, special (885)

1шт.

Выбрано товаров: 224