Запчасти Case IH 995 (M01-1-1) - ELECTRICAL EQUIPMENT, ALTERNATOR, AC DELCO (06) - ELECTRICAL SYSTEMS

Схема запчастей Case IH 995 - (M01-1-1) - ELECTRICAL EQUIPMENT, ALTERNATOR, AC DELCO (06) - ELECTRICAL SYSTEMS
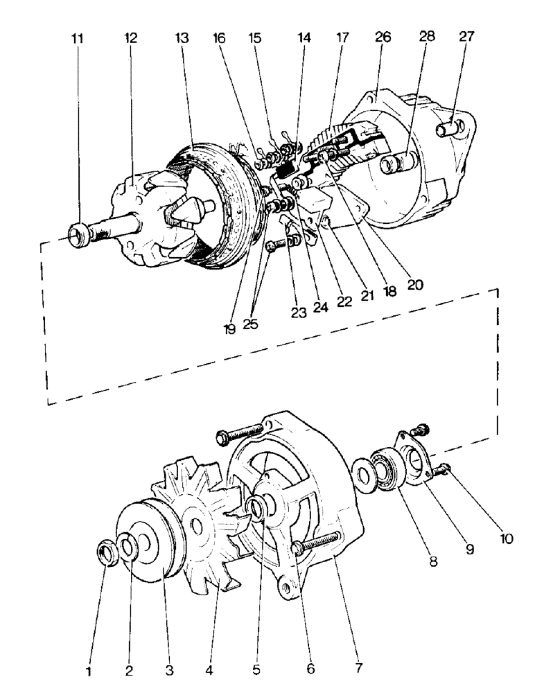
24
7
12
21
17
2
11
20
27
26
14
6
9
22
13
16
23
4
25
28
19
3
5
1
18
10
15
8
FIT
1:1
100%

Артикул

Название

Примечание

Количество

K953785

ALTERNATOR

ALTERNATOR - AC 7982952, Includes: parts listed below

1шт.

K956426

ALTERNATOR

Alternator

1шт.

104020A1GV

ALTERNATOR

Value, 12V, 26A

1шт.

104020A1R

REMAN-ALTERNATOR

Remanufactured 12 VOLT, 26 AMP Alternator

1шт.

104020A1C

CORE-ALTERNATOR

Return Number, 12 VOLT, 26 AMP Alternator

1шт.

104020A1RGV

ALTERNATOR

REMANUFACTURED 12 VOLT, 26 AMP ALTERNATOR

1шт.

1

K965050

NUT

NUT - pulley retaining, AC 7982561

1шт.

2

R16171

SPRING WASHER

SPRING WASHER - AC 1941978 (replaced K965051)

1шт.

3

K953787

PULLEY

SPARE PART PULLEY - AC 7982775

1шт.

4

K953786

FAN

FAN - AC 7982515

1шт.

5

K965052

COLLAR

COLLAR - outer, AC 7982701

1шт.

6

K965053

BOLT

THROUGH BOLT - AC 7982619

3шт.

K965054

FRAME

FRAME ASSEMBLY - drive end, AC 7982954, Includes: Ref. 7 - 9

1шт.

7

K965054

FRAME

FRAME - drive end, AC 7982668 (replaced K965056)

1шт.

8

K965058

BALL BEARING

BALL BEARING - AC 7982956

1шт.

9

K965059

RETAINER

SPARE PART RETAINER PLATE - AC 1955495

1шт.

10

177-131

BOLT (MACHINE),Sl Fil Hd, #10 - 32 x 1/2"

SCREW - retainer plate, AC 120216 (replaced K965060)

3шт.

11

K965061

COLLAR

COLLAR - inner, AC 7982597

1шт.

12

K965062

ROTOR

ROTOR ASSEMBLY - AC 7982522

1шт.

13

K965064

STATOR

STATOR ASSEMBLY - AC 7982511

1шт.

14

K965065

DIODE

DIODE TRIO - AC 3472312

1шт.

15

K965078

TERMINAL CONNECTOR

TERMINAL - positive, AC 7982880

1шт.

16

K965063

NUT

NUT - AC 11010122

3шт.

17

K965070

CONTACT

RECTIFIER BRIDGE AND INSULATOR - AC 7982716

1шт.

18

K965066

SCREW

SCREW - AC 7982711

1шт.

19

K965067

SCREW

SCREW - AC 7982563

1шт.

K965068

WASHER

WASHER - AC 862106

2шт.

K965069

WASHER

SPRING WASHER - AC 131182

3шт.

Ref #19B - Use 192-16 12/15/95

1шт.

20

K965077

REGULATOR

REGULATOR - AC 7982685

1шт.

21

K965076

SCREW

SCREW - regulator mounting, AC 7982594

1шт.

K965072

BRUSH HOLDER

HOLDER, BRUSH BRUSH HOLDER ASSEMBLY - AC 7982589, Includes: Ref. 22 - 24

1шт.

22

K965075

HOLDER

BRUSH HOLDER - AC 7982587

1шт.

23

K965073

TERMINAL CONNECTOR

BRUSH - AC 7982543

2шт.

24

A43678

SPRING

SPRING - AC 1964117 (replaced K965074)

2шт.

25

K965071

SCREW

SCREW - brush holder, AC 1876681

2шт.

K965081

FRAME

FRAME ASSEMBLY - slip ring end, AC 7982861, Includes: Ref. 26 & 27

1шт.

Ref #25 - Use A45223 12/15/95

1шт.

26

K965081

FRAME

FRAME - slip ring, AC 7982687 (replaced K965082)

1шт.

27

K965083

BUSHING

BUSH - AC 7982534

1шт.

28

K965084

ROLLER

ROLLER BEARING - AC 7982870

1шт.

K965079

BLOCK

TERMINAL BLOCK

1шт.

K965080

CLIP

CLIP - socket

1шт.

Выбрано товаров: 43