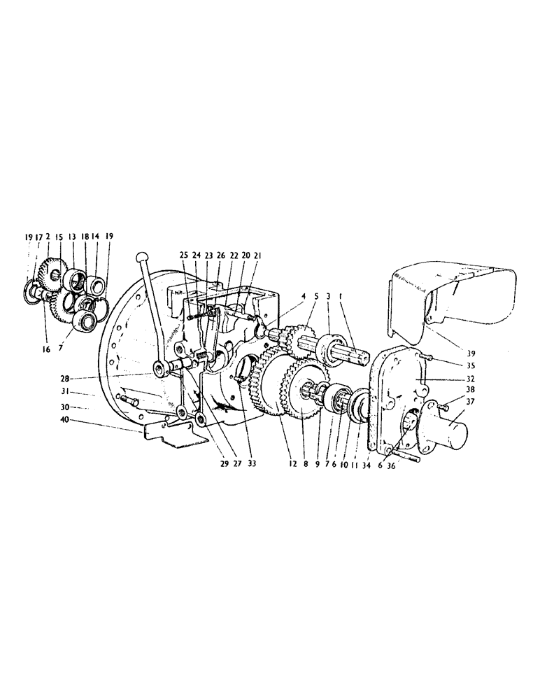
Запчасти Case IH 996 (J04) - PTO AND BELT PULLEYS, MULTI-SPEED POWER TAKE-OFF UNIT, 990, 995 AND 996 TRACTORS Auxiliary Drive Units

Схема запчастей Case IH 996 - (J04) - PTO AND BELT PULLEYS, MULTI-SPEED POWER TAKE-OFF UNIT, 990, 995 AND 996 TRACTORS Auxiliary Drive Units
19
38
31
32
33
13
3
27
8
16
26
6
9
39
7
2
22
28
17
20
6
5
18
23
40
24
14
11
7
37
29
36
34
25
30
1
19
15
35
4
21
12
10
FIT
1:1
100%

Артикул

Название

Примечание

Количество

K962659

PTO

UNIT, complete (Livedrive)

1шт.

K962660

PTO

UNIT, complete (Non-Livedrive)

1шт.

1a

K906735

DRIVE SHAFT

DRIVESHAFT, Livedrive

1шт.

1b

K906734

DRIVE SHAFT

DRIVESHAFT, Non-Livedrive

1шт.

2

K908094

GEAR

PUMP DRIVE GEAR, (29 helical teeth)

1шт.

3

K15172

BALL BEARING,28.57mm ID x 77.79mm OD x 20.64mm W

with snap ring

1шт.

4

K621535

RING, SNAP

CIRCLIP, 1-3/64 in external

1шт.

5

K906688

GEAR

SPEED CHANGE PINION, (13/19 teeth)

1шт.

6

K962826

SHAFT

DRIVEN SHAFT, with split ring

1шт.

7

K620046

BEARING

TAPERED ROLLER BEARING

2шт.

8

K906689

GEAR

high speed (38 teeth)

1шт.

9

K923433

RING

SPLIT RING

2шт.

10

K923435

WASHER

THRUST RING

1шт.

K923436

SHIM

0.002 in

1шт.

K923437

SHIM

0.003 in

1шт.

K923438

SHIM

0.005 in

1шт.

K923439

SHIM

0.010 in

1шт.

K923440

SHIM

0.020 in

1шт.

11

K11119

OIL SEAL

OIL SEAL, 1-5/8 x 2-1/2 x 5/8 in

1шт.

12

K923434

GEAR

low speed (44 teeth)

1шт.

13

K620266

NEEDLE BEARING

NEEDLE ROLLER BEARING

1шт.

14

K906693

RING RACE

INNER RACE, driveshaft

1шт.

15

K923442

GEAR

IDLER GEAR, (36 helical teeth)

1шт.

16

K923441

PIN

SHAFT, idler gear

1шт.

17

K11128

CIRCLIP

1 in external

1шт.

K626200

SHIM,.002" Thk

Shaft, Idlergear, K923441 .002" Thk

1шт.

K626201

SHIM,.003" Thk

Shaft, Idlergear, K923441 .003" Thk

1шт.

K626202

SHIM,.005" Thk

Shaft, Idlergear, K923441 .005" Thk

1шт.

K626203

SHIM,.010" Thk

Shaft, Idlergear, K923441 .010" Thk

1шт.

18

K620102

BEARING, BALL

BALL BEARING

1шт.

19

K621436

RING, SNAP

CIRCLIP, 62 mm internal

2шт.

20

K942469

SELECTOR

ROD

1шт.

21

K906700

PIN

RETAINING PIN

1шт.

22

K906701

SELECTOR

FORK

1шт.

23

K17063

BALL

STEEL BALL, 1/4 in

1шт.

24

K24831

SPRING

1шт.

25

K606021

SCREW

GRUBSCREW, 5/16 UNC

1шт.

26

K916575

SELECTOR

LEVER

1шт.

27

K24555

O-RING,0.737" ID x 0.943" OD x 0.103"

'O' RING, 3/4 in internal dia.

1шт.

28

K943716

LEVER

OPERATING LEVER

1шт.

29

K623726

PIN

MILLS PIN, 1/4 x 1-1/2 in

1шт.

30a

K948929

CASE

1шт.

Used on model 996, S/N 987257 and after

1шт.

Used on model 990, S/N 865634 and after

1шт.

Used on model 995, S/N 933332 and after

1шт.

30b

K923431

CASE

(May also be used in place of K948929)

1шт.

Used on model 996, up to S/N 987257

1шт.

Used on model 990, up to S/N 865634

1шт.

Used on model 995, up to S/N 933332

1шт.

K922591

GASKET

case to rear axle

1шт.

31

K600605

BOLT

7/16 UNC x 1-7/8 in, case to rear axle

11шт.

K19483

SPRING WASHER

SPRING WASHER, 7/16 in, case to rear axle

11шт.

32

K906686

COVER

END COVER

1шт.

33

K14577

DOWEL

1/4 x 9/16 in, cover to PTO case

2шт.

34

K924217

GASKET

cover to PTO case

1шт.

35

9635884

BOLT,Hex, 5/16" - 18 1", Full Thd, Gr 5

SETSCREW, 5/16 UNC x 1 in, cover to PTO case

1шт.

K19481

SPRING WASHER

SPRING WASHER, 5/16 in, cover to PTO case

1шт.

9635082

NUT,5/16" - 18, Gr 5

5/16 UNC

1шт.

K15498

SEALING WASHER

ING WASHER, 5/16 in, cover to PTO case

1шт.

36

K608311

STUD

7/16 UNC x 2-5/16 in, cover to PTO case

4шт.

K19483

SPRING WASHER

SPRING WASHER, 7/16 in, cover to PTO case

4шт.

280717

NUT,7/16"-14, G5

Cover to PTO case 7/16"-14, G5

4шт.

37

K909111

COVER

PTO shaft

1шт.

38

K602840

SCREW

SETSCREW, 5/16 UNC x 1/2 in

2шт.

K626682

WASHER

5/16 in

2шт.

39

K906893

GUARD

PTO shaft (U378 (906988)

1шт.

40

K928304

SHIM

GUARD, hydraulic filter switch

1шт.

K609446

PLUG

5/8 UNC, special, blanking plugs when drawbar not fitted (U1804)

4шт.

K619506

WASHER

COPPER WASHER, 5/8 in, blanking plugs when drawbar not fitted (U1804)

4шт.

K628092

PLUG,Cap, .547" OD

PLASTIC PLUG, 1/2 in dia. (U1804)

1шт.

Выбрано товаров: 70