Запчасти Case IH 996 (M08) - ELECTRICAL EQUIPMENT, ALTERNATOR AND BATTERY, 990, 995 AND 996 TRACTORS (06) - ELECTRICAL SYSTEMS

Схема запчастей Case IH 996 - (M08) - ELECTRICAL EQUIPMENT, ALTERNATOR AND BATTERY, 990, 995 AND 996 TRACTORS (06) - ELECTRICAL SYSTEMS
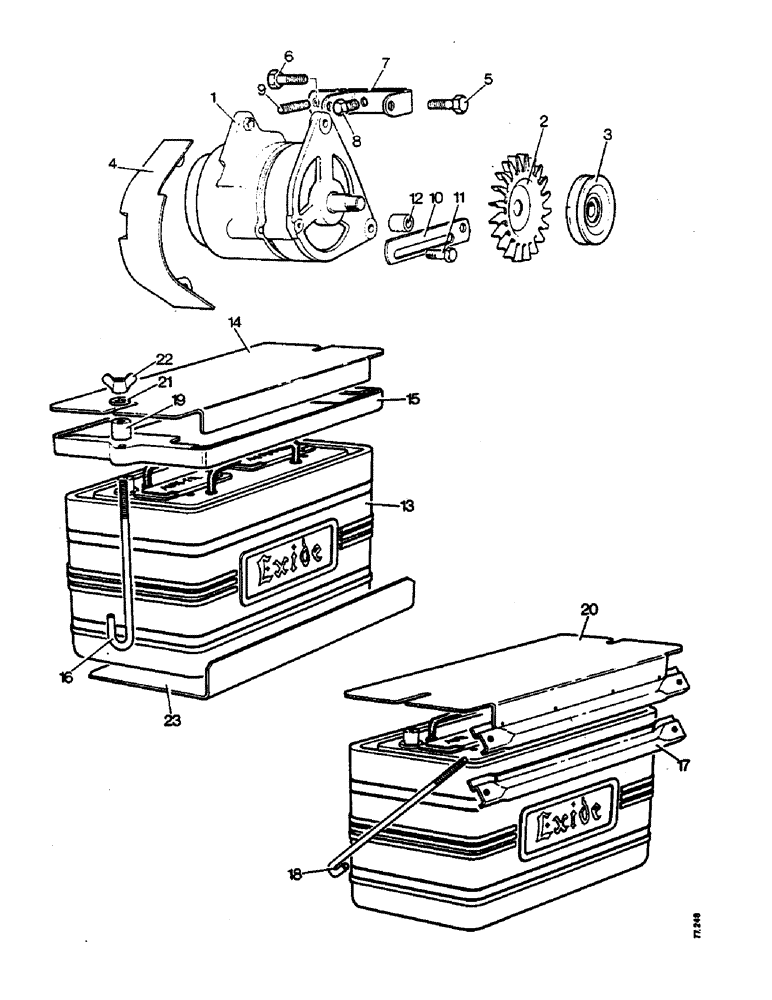
3
19
23
4
8
10
12
9
18
21
20
2
15
16
22
13
5
7
1
17
6
4
11
FIT
1:1
100%

Артикул

Название

Примечание

Количество

1

K925009

ALTERNATOR

ALTERNATOR (Lucas 23623)

1шт.

1

92293C1

ALTERNATOR

Alternator, 12V, 45 Amp, W/Fan and Pulley

1шт.

1

92293C1R

REMAN-ALTERNATOR

Reman For New PN 92293C1

1шт.

1

92293C1C

CORE-ALTERNATOR

Return Number

1шт.

1

92293C1GV

ALTERNATOR

Value, 12 Volt, 45 Amp, W/ Fan and Pulley

1шт.

1

K956426

ALTERNATOR

Alternator

1шт.

1

104020A1GV

ALTERNATOR

Value, 12V, 26A

1шт.

1

104020A1R

REMAN-ALTERNATOR

Remanufactured 12 VOLT, 26 AMP Alternator

1шт.

1

104020A1C

CORE-ALTERNATOR

Return Number, 12 VOLT, 26 AMP Alternator

1шт.

1

104020A1RGV

ALTERNATOR

REMANUFACTURED 12 VOLT, 26 AMP ALTERNATOR

1шт.

2

K942129

FAN

FAN, alternator

1шт.

3

K942045

PULLEY

PULLEY, alternator

1шт.

4

K942117

GUARD

GUARD, fan

1шт.

5

K600359

BOLT

BOLT, 5/16 UNC x 1-1/4 in, Serial Range: alternator-bracket

1шт.

6

K600365

BOLT

BOLT, 5/16 UNC x 1-1/2 in, Serial Range: alternator-bracket

1шт.

9635082

NUT,5/16" - 18, Gr 5

NUT, 5/16 UNC, alternator to bracket

2шт.

K19481

SPRING WASHER

SPRING WASHER, 5/16 in, Serial Range: alternator-bracket

2шт.

K626916

WASHER

WASHER, special, 5/16 in, alternator ot bracket

1шт.

7

K947375

SUPPORT

SUPPORT BRACKET

1шт.

8

88206

BOLT,Hex, 3/8" - 16 x 1", Gr 5

BOLT, , Bracket to cylinder block Hex, 3/8"-16 x 1", G5, Full Thd

1шт.

9

K608235

STUD

STUD, 3/8 UNC x 1-1/4 in, bracket to cylinder block

1шт.

280136

NUT,3/8"-16, G8

NUT, , Bracket to cylinder block 3/8"-16, G8

1шт.

K19482

SPRING WASHER

SPRING WASHER, 3/8 in, bracket to cylinder block

2шт.

10

K950495

ADJUSTER

ADJUSTER STRAP, replaces K942044

1шт.

11

280345

BOLT,Hex, 5/16" - 18 x 7/8", Gr 5, Full Thd

SETSCREW, 5/16 UNC x 7/8 in

1шт.

K626916

WASHER

WASHER, 5/16 in

1шт.

K19481

SPRING WASHER

SPRING WASHER, 5/16 in

1шт.

12

K627028

BUSHING

DISTANCE PIECE, adjuster strap

1шт.

Used on model 990, S/N 866452 and after

1шт.

Used on model 995, S/N 934477 and after

1шт.

Used on model 996, S/N 987778 and after

1шт.

13a

K907789

BATTERY

BATTERY, 12 volt (exide 6/TXMZ15L), standard duty

1шт.

14

K947399

COVER

COVER, battery, standard duty

1шт.

15

K947080

FRAME

CLAMP, cover, standard duty

1шт.

Used on model 990, S/N 866452 and after

1шт.

Used on model 995, S/N 934477 and after

1шт.

Used on model 996, S/N 987778 and after

1шт.

16a

K948515

STEM

CLAMPING STUD, 1/4 UNC x 10-3/4 in, standard duty

2шт.

Used on model 990, S/N 866452 and after

1шт.

Used on model 995, S/N 934477 and after

1шт.

Used on model 996, S/N 987778 and after

1шт.

17

K909760

CLAMP

CLAMP, cover, standard duty

1шт.

Used on model 990, from S/N 862037 to S/N 866452

1шт.

Used on model 995, from S/N 930639 to S/N 934477

1шт.

Used on model 996, from S/N 985304 to S/N 987778

1шт.

18a

K909818

STUD

CLAMPING STUD, 1/4 BSF x 10-3/4 in, standard duty

2шт.

Used on model 990, from S/N 862037 to S/N 866452

1шт.

Used on model 995, from S/N 930639 to S/N 934477

1шт.

Used on model 996, from S/N 985304 to S/N 987778

1шт.

13b

K929951

SPARE PART

BATTERY, 12 volt, (Exide 352/6-RHAZ17R), heavy duty

1шт.

14

K948699

COVER

COVER, battery, heavy duty

1шт.

Used on model 990, S/N 866452 and after

1шт.

Used on model 995, S/N 934477 and after

1шт.

Used on model 996, S/N 987778 and after

1шт.

15

K947080

FRAME

CLAMP, cover, heavy duty

1шт.

Used on model 990, S/N 866452 and after

1шт.

Used on model 995, S/N 934477 and after

1шт.

Used on model 996, S/N 987778 and after

1шт.

16b

K948523

STUD

CLAMPING STUD, 1/4 UNC x 14 in, heavy duty

2шт.

Used on model 990, S/N 866452 and after

1шт.

Used on model 995, S/N 934477 and after

1шт.

Used on model 996, S/N 987778 and after

1шт.

19

K948524

BUSHING

DISTANCE PIECE, heavy duty

2шт.

Used on model 990, S/N 866452 and after

1шт.

Used on model 995, S/N 934477 and after

1шт.

Used on model 996, S/N 987778 and after

1шт.

20

K912771

SPARE PART

COVER AND CLAMP ASSEMBLY, heavy duty

1шт.

Used on model 990, from S/N 862037 to S/N 866452

1шт.

Used on model 995, from S/N 930639 to S/N 934477

1шт.

Used on model 996, from S/N 985304 to S/N 987778

1шт.

18b

K911930

LINKAGE

CLAMPING STUD, 1/4 BSF x 12-3/8 in, heavy duty

2шт.

Used on model 990, from S/N 862037 to S/N 866452

1шт.

Used on model 995, from S/N 930639 to S/N 934477

1шт.

Used on model 996, from S/N 985304 to S/N 987778

1шт.

21

K24892

RATCHET

RETAINING WASHER, 1/4 in, battery fixing to front extension

2шт.

K19470

WASHER

WASHER, 1/4 in, battery fixing to front extension

2шт.

K626341

SPRING WASHER

SPRING WASHER, battery fixing to front extension

2шт.

22a

K607200

NUT

WING NUT, 1/4 UNC, battery fixing to front extension

2шт.

Used on model 990, S/N 866452 and after

1шт.

Used on model 995, S/N 934477 and after

1шт.

Used on model 996, S/N 987778 and after

1шт.

22b

K19435

NUT

WING NUT, 1/4 BSF, battery fixing to front extension

2шт.

Used on model 990, from S/N 862037 to S/N 866452

1шт.

Used on model 995, from S/N 930639 to S/N 934477

1шт.

Used on model 996, from S/N 985304 to S/N 987778

1шт.

23

K908394

BUSHING

SPARE PART SEATING PAD

1шт.

Выбрано товаров: 86