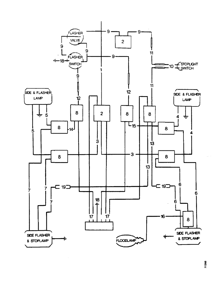
Запчасти Case IH 996 (M46) - ELECT. EQUIP., ELECT. WIRING, SIDE & REAR LAMPS, ALL MODELS W/ LIGHT DUTY FULL FENDERS, UP TO S/N A (06) - ELECTRICAL SYSTEMS

Схема запчастей Case IH 996 - (M46) - ELECT. EQUIP., ELECT. WIRING, SIDE & REAR LAMPS, ALL MODELS W/ LIGHT DUTY FULL FENDERS, UP TO S/N A (06) - ELECTRICAL SYSTEMS
17
13
3
8
8
18
8
5
8
11
9
7
18
19
11
17
1
3
19
2
9
4
6
12
7
8
9
16
8
2
4
6
5
15
7
10
9
8
6
12
9
9
8
13
FIT
1:1
100%

Артикул

Название

Примечание

Количество

1a

K940375

WIRE

LEAD, lighting switch to connector (1210, 1212)

1шт.

1b

K923775

ELECTRICAL WIRE

LEAD, lighting switch to connector (885, 990, 995, 996)

1шт.

2

K925309

CONNECTOR, ELEC

CONNECTOR four-way

2шт.

3a

K925283

NO LONGER SERVICED

LEAD, left-hand side/rear lamps (2 off 1210, 1212)

1шт.

3b

K925197

NO LONGER SERVICED

LEAD, right-hand side/rear lamps (885, 990, 995, 996)

1шт.

4

K945591

HARNESS

right-hand side/indicator lamps

1шт.

5

K945589

HARNESS

left-hand side/indicator lamps

1шт.

6

K945592

HARNESS

right-hand stop/rear lamp

1шт.

7

K945590

HARNESS

left-hand stop/rear lamp

1шт.

K625000

CLIP

(Wiring, Serial Range: harness-fenders)

14шт.

86625206

SCREW,Phillips Drive, Pan HD, #10 - 32 x 1/2"

No. 10 UNF x 1/2 in (fenders)

2шт.

K626310

WASHER

3/16 in (fenders)

2шт.

K626340

RING

WASHER spring, 3/16 in (fenders)

2шт.

K617080

NUT

No. 10 UNF (fenders)

2шт.

K626341

SPRING WASHER

WASHER spring, 1/4 in (fenders)

12шт.

K607043

NUT

WASHER, 1/4 in (fenders)

12шт.

8

K86230

CONNECTOR, ELEC

CONNECTOR double

8шт.

9

K929555

HARNESS

stop and indicator lamps

1шт.

10

K929739

ELECTRICAL WIRE

LEAD, stop lamp switch

1шт.

11a

K940384

NO LONGER SERVICED

LEAD, stop lamp switch (1210, 1212)

1шт.

11b

K929738

ELECTRICAL WIRE

LEAD, stop lamp switch (885, 990, 995, 996)

1шт.

K929737

SWITCH ASSY

SWITCH stop lamp

1шт.

K943744

COVER

stop lamp switch

1шт.

K621633

CABLE

CLIP cable (1 off 1210, 1212)

3шт.

K19930

GROMMET,3/8" ID x 5/8" Groove Dia

5/8 in, frame platform (885, 990, 995, 996)

1шт.

K947475

TUBE

cable, 9 in, instrument panel to tractor frame (1210, 1212)

1шт.

12a

K940383

NO LONGER SERVICED

LEAD, direction indicator lamps (1210, 1212)

1шт.

12b

K925293

ELECTRICAL WIRE

LEAD, direction indicator lamps (885, 990, 995, 996)

1шт.

13a

K925284

ELECTRICAL WIRE

LEAD, stop lamp (2 off 1210, 1212)

1шт.

13b

K925285

ELECTRICAL WIRE

LEAD, stop lamp, right-hand (885, 990, 995, 996)

1шт.

14

K925286

ELECTRICAL WIRE

LEAD, left hand direction indicator lamps

1шт.

15a

K926215

CABLE

LEAD, right-hand direction indicator lamps (1210, 1212)

1шт.

15b

K925287

ELECTRICAL WIRE

LEAD, right-hand direction indicator lamps (885, 990, 995, 996)

1шт.

K920926

CABLE

TUBE plastic, right-hand (1210, 1212)

1шт.

K920927

CABLE

TUBE plastic, left-hand (1210, 1212)

1шт.

K947474

TUBE

plastic, 12 in (885, 990, 995, 996)

1шт.

16

K945631

ELECTRICAL WIRE

LEAD, double, Serial Range: connector-floodlamp

1шт.

17

K925489

HARNESS, trailer socket

1шт.

18

K923592

ELECTRICAL WIRE

LEAD, earth, instrument panel, trailer socket

2шт.

K624522

SCREW

self tapping, 1/2 in (Earth lead to full fenders)

4шт.

K11519

WASHER

lock, 3/16 in (Earth lead to full fenders)

4шт.

K626340

RING

WASHER spring, 3/16 in (Earth lead to full fenders)

4шт.

K19930

GROMMET,3/8" ID x 5/8" Groove Dia

5/8 in (Full fenders)

8шт.

K627708

GROMMET

1-1/4 in (Full fenders)

2шт.

K947474

TUBE

plastic, 20 in (1210, 1212)

1шт.

K621698

CLIP

(1210, 1212)

2шт.

K602983

SCREW

set, 3/8 UNC x 7/8 in, clip to support plate. (1210, 1212)

2шт.

K19482

SPRING WASHER

WASHER spring, 3/8 in, clip to support plate. (1210, 1212)

2шт.

280136

NUT,3/8"-16, G8

Clip to support plate. (1210, 1212) 3/8"-16, G8

2шт.

K627715

GROMMET

special (1210, 1212 Fits end of frame conduit)

2шт.

K67916

ELEC CONNECTOR

CONNECTOR single

2шт.

K627704

GROMMET

1 in (full fenders)

4шт.

Выбрано товаров: 52