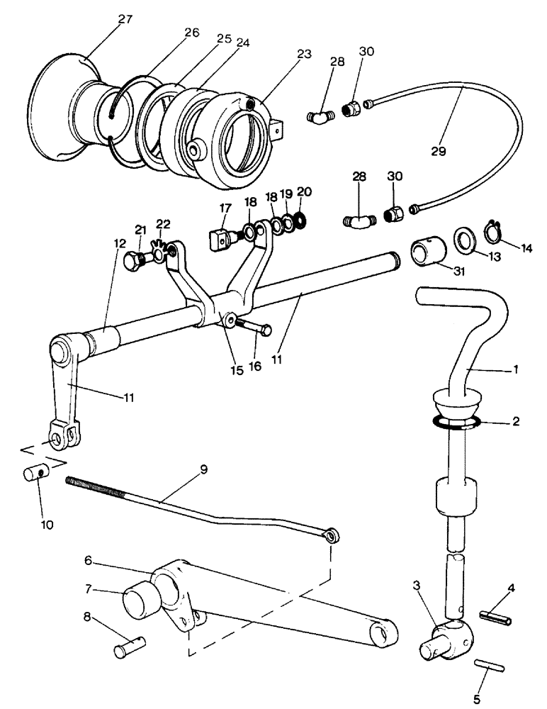
Запчасти Case IH 996 (B05-1) - CLUTCH, PTO CLUTCH RELEASE MECHANISM, 996, 996G (03.1) - CLUTCH

Схема запчастей Case IH 996 - (B05-1) - CLUTCH, PTO CLUTCH RELEASE MECHANISM, 996, 996G (03.1) - CLUTCH
24
3
6
11
25
7
23
27
31
10
30
22
29
18
11
8
12
5
28
14
1
19
21
16
9
28
13
30
17
4
20
2
18
15
26
FIT
1:1
100%

Артикул

Название

Примечание

Количество

1

K946624

LEVER

HAND LEVER

1шт.

2

K628851

O-RING,0.118" Thk x 1.475" ID, -920, Cl 6, 90 Duro

"O" RING - 1-1/2 in. internal dia.

1шт.

3

K946628

PIVOT

- hand lever

1шт.

4

138-155

LOCK PIN,5/16" x 1 1/4", Slotted

PIN, (Replaced K690947) 5/16" x 1 1/4", Slotted

1шт.

5

K15439

PIN

- 3/16 x 1-1/8 in.

1шт.

6

K947635

LEVER

- with bush, Includes: Ref. 7

1шт.

7

K947252

BUSHING

BUSH - clutch lever

1шт.

8

K69984

SPLIT PIN/SAFETY PIN

CLEVIS PIN - 3/8 x 1-5/16

1шт.

K19531

PIN

SPLIT PIN - 3/32 x 1-1/4 in.

1шт.

9

K946629

STEM

ROD - lever to cross shaft

1шт.

K607504

NUT

ADJUSTING NUT - 3/8 UNC

1шт.

280136

NUT,3/8"-16, G8

2шт.

10

K14744

PIN

- 3/4 x 1-1/2 in.

1шт.

11

K943719

ARM

CROSS SHAFT AND ARM

1шт.

12

K944008

BUSHING

SPACER

1шт.

13

K626749

WASHER

BELLEVILLE WASHER - 1 in.

1шт.

14

K11128

CIRCLIP

- 1 in. external

1шт.

15

K915832

CLUTCH FORK

FORK - PTO clutch

1шт.

K19612

KEY

- Woodruff no. 608

2шт.

16

K600406

BOLT

- 3/8 UNC x 1-3/4 in.

1шт.

280136

NUT,3/8"-16, G8

1шт.

K19482

SPRING WASHER

SPRING WASHER - 3/8 in.

1шт.

17

K925323

TRUNNION,14.27mm OD x 57.15mm L

PIN - right-hand

1шт.

K26230

PIN, SPLIT (COTTER)

SPLIT PIN - 3/16 x 1-3/8 in.

1шт.

18

K84749

GASKET

FRICTION WASHER - 3/8 in.

2шт.

19

K925338

BEARING WASHER

WASHER - 3/8 in. special

1шт.

20

K626723

BELLEVILLE WASHER

BELLEVILLE WASHER - 3/8 in.

6шт.

232-1416

LOCK NUT,3/8"-16, GC

NYLOC NUT - 3/8 UNC

1шт.

21

K915833

PIN

TRUNNION PIN - left-hand

1шт.

22

K626399

WASHER

TABWASHER - trunnion pin

1шт.

23

K915837

BEARING HOUSING

HOUSING - thrust bearing

1шт.

24

K19177

BALL BEARING,76.2mm ID x 114.3mm OD x 19.05mm W

THRUST BEARING - PTO clutch

1шт.

Ref #24 - 4" O. D. 12/15/95

1шт.

25

K84745

SEAL,88.01mm ID x 114.17mm OD x 0.56mm Thk

CHIP SHIELD

1шт.

26

K621431

RING, SNAP

CIRCLIP - 4-1/2 in. internal

1шт.

27

K84740

THRUST PLATE

1шт.

28

K19587

FITTING

ELBOW - 1/8 BSP - 3/8 UNF

2шт.

29

K950502

TUBE,0.187" DIA x 2.25" L

PLASTIC TUBE - 3/16 x 20-1/4 in.

1шт.

30

K617956

NUT

TUBING NUT - 3/8 UNF

2шт.

K622407

FERRULE

OLIVE - 3/16 in. internal dia.

2шт.

31

K628753

BUSHING

BUSH - main frame

2шт.

K12250

FITTING

GREASE FITTING - 1/8 BSP

1шт.

Выбрано товаров: 42