Запчасти Case IH 996 (G01-1) - BRAKES, MECHANICAL BRAKING SYSTEM, 990, 995, 996, 990G, 995G, 996G (5.1) - BRAKES

Схема запчастей Case IH 996 - (G01-1) - BRAKES, MECHANICAL BRAKING SYSTEM, 990, 995, 996, 990G, 995G, 996G (5.1) - BRAKES
28
33
34
32
8
33
13
20
16
33
32
24
25
14
2
29
23
12
5
26
6
35
1
19
14
9
33
21
10
11
21
27
22
31
30
4
17
22
6
7
15
18
3
25
FIT
1:1
100%

Артикул

Название

Примечание

Количество

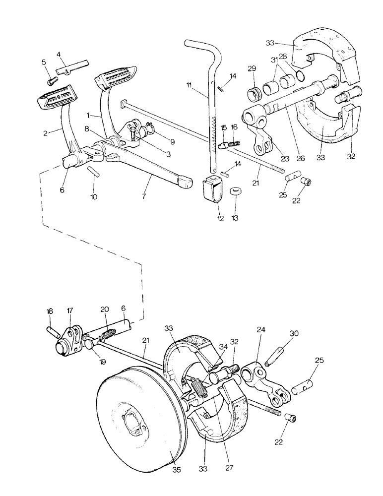
1

K904329

BRAKE

PEDAL - right-hand

1шт.

2

K929845

BRAKE

PEDAL - left-hand

1шт.

3

K603009

SCREW

SETSCREW - 7/16 UNC x 1-3/4 in.

1шт.

425-147

JAM NUT,Jam, 7/16"-14, G5

LOCKNUT - 7/16 UNC

1шт.

219-8

LUBE NIPPLE,1/4" - 28 NPTF

NIPPLE, LUBE, , ANF 1/4"-28 NPT x .54" lg

1шт.

4

K38656

PLATE

LOCKING PLATE - pedals

1шт.

5

K600500

SCREW

BOLT - 3/8 UNC, special

1шт.

K626700

WASHER

SPRING WASHER - 3/8 in., double coil

1шт.

6

K904354

SHAFT

CROSS SHAFT

1шт.

7

K919896

LEVER

OPERATING LEVER - hand brake

1шт.

8

K30884

SHIM

- 1/16 in.

1шт.

9

K11129

RING, SNAP

CIRCLIP - 1-1/4 in., external

1шт.

10

K623732

PIN

- 3/8 x 2 in.

2шт.

11

K929791

LEVER

HAND LEVER

1шт.

12

K949260

FORK

STIRRUP

1шт.

13

K626736

WASHER

- 5/8 in., special

1шт.

14

138-157

LOCK PIN,5/16" x 1 1/2", Slotted

Pin, (replaces K623892) 5/16" x 1 1/2", Slotted

2шт.

15

K909588

PAWL

- hand lever

1шт.

16

K14651

SPRING

- pawl

1шт.

17

K903139

LEVER

- cross shaft

1шт.

18

K623732

PIN

- 3/8 x 2 in.

1шт.

19

K919706

PIN

- shaft lever

2шт.

20

K624927

SPRING

RETURN SPRING

2шт.

21

K929563

ROD

BRAKE ROD

2шт.

22

K607504

NUT

ADJUSTING NUT - 3/8 UNC

2шт.

280136

NUT,3/8"-16, G8

2шт.

23

K928589

LEVER

CAM LEVER - right-hand (990, 995, 996)

1шт.

24a

K929624

LEVER

CAM LEVER - left-hand (990, 995, 996)

1шт.

24b

K940580

LEVER

CAM LEVER - right and left-hand (990G, 995G, 996G)

2шт.

25

K14744

PIN

- cam lever

2шт.

26

K910405

BRAKE

CAMSHAFT - right-hand

1шт.

27

K910406

BRAKE

CAMSHAFT - left-hand

1шт.

28

K623561

O-RING,0.139" Thk x 0.859" ID, -212, Cl 5, 75 Duro

"O" RING - 1 in. internal dia.

2шт.

29

K85417

SEAL

DIRT EXCLUDER

2шт.

30

K609425

LARGE PIN

COTTER PIN - 3/8 UNC

2шт.

K19472

WASHER

- 3/8 in.

2шт.

K11522

WASHER

SHAKEPROOF WASHER - 3/8 in.

2шт.

280136

NUT,3/8"-16, G8

2шт.

31

K30835

BUSHING

BUSH - axle case

4шт.

32

K926164

PIN

FULCRUM PIN - 5/8 UNC, brake shoes

2шт.

K19485

WASHER

SPRING WASHER - 5/8 in.

2шт.

33

K921494

BRAKE SHOE

- with lining

4шт.

K962266

KIT

BRAKE LINING - (4) and rivet pack

1шт.

34

K63462

SPRING

- brake shoes

4шт.

35

K917989

BRAKE

DRUM

2шт.

Выбрано товаров: 45