Запчасти Case IH 996 (F02-1) - ENGINE CONTROL AND INSTRUMENTS, ENGINE THROTTLE CONTROLS, 990Q, 995Q, 996Q, 990SK, 995SK, 996SK Engine Controls & Instruments

Схема запчастей Case IH 996 - (F02-1) - ENGINE CONTROL AND INSTRUMENTS, ENGINE THROTTLE CONTROLS, 990Q, 995Q, 996Q, 990SK, 995SK, 996SK Engine Controls & Instruments
31
14
24
9
13
35
6
20
19
8
22
5
23
23
17
3
2
32
34
21
12
1
27
15
25
14
11
29
18
16
26
28
18
7
10
30
4
33
FIT
1:1
100%

Артикул

Название

Примечание

Количество

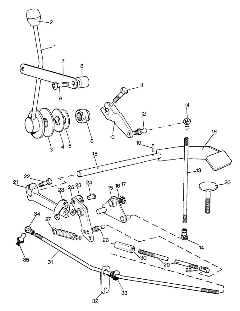
1

K951915

LEVER

HAND LEVER - throttle control

1шт.

2

K950493

KNOB

- hand lever

1шт.

3

K950724

DISC

FRICTION DISC

1шт.

4

K626740

WASHER

BELLEVILLE WASHER - 5/8 IN.

1шт.

5

K626855

WASHER

- 5/8 in.

1шт.

6

131-377

LOCK NUT,5/8"-11, GC

NYLOC NUT - 5/8 UNF

1шт.

7

K950723

STRIP

GUIDE STRIP

1шт.

8

K950722

BUSHING

SPACER

2шт.

9

K603929

SCREW

- 1/4 UNC x 1-1/4 in.

2шт.

K626341

SPRING WASHER

SPRING WASHER - 1/4 in.

2шт.

10

K950714

LEVER

1шт.

11

K600153

BOLT

- 1/4 UNC x 1-1/4 in.

1шт.

K626341

SPRING WASHER

SPRING WASHER - 1/4 in.

1шт.

K607043

NUT

- 1/4 UNC

1шт.

12

K621904

BALL JOINT

BALL END - 1/4 UNF

1шт.

K626341

SPRING WASHER

SPRING WASHER - 1/4 in.

1шт.

K626980

SHIM

NUT - 1/4 UNF

1шт.

13

K9507285

ROD - hand lever to override lever

1шт.

14

K621903

BALL JOINT

SOCKET END - 1/4 UNF

2шт.

K616980

NUT

- 1/4 UNF

2шт.

15

K950715

LEVER

OVERRIDE LEVER

1шт.

16

K626922

SHIM,.030" Thk

1шт.

17

K621562

RING, SNAP

CIRCLIP - 3/8 in. external

1шт.

18

K951977

PEDAL

ACCELERATOR PEDAL AND CROSS SHAFT

1шт.

K626686

WASHER

- 1/2 in. (Cross shaft)

1шт.

19

K623943

SPRING

PIN - 3/32 x 7/8 in. (Cross shaft)

1шт.

20

K952111

STOP

PEDAL STOP

1шт.

86632558

JAM NUT,Jam, 1/2"-13, G5

LOCKNUT - 1/4 UNC

1шт.

21

K954122

LEVER

- cross shaft

1шт.

K19604

KEY

- Woodruff hno. 405, lever to cross shaft

1шт.

22

K600153

BOLT

- 1/4 UNC x 1-1/4 in.

1шт.

K626341

SPRING WASHER

SPRING WASHER - 1/4 in.

1шт.

K607034

NUT - 1/4 UNC

1шт.

23

K954498

LINK

- intermediate lever (Lever to intermediate lever)

2шт.

24

K913180

PIN

CLEVIS PIN - 1/4 x 1/2 in. (Lever to intermediate lever)

2шт.

K19470

WASHER

- 1/4 in. (Lever to intermediate lever)

1шт.

K623605

PIN

SPLIT PIN - 1/16 x 1/2 in. (Lever to intermediate lever)

2шт.

25

K949051

LEVER

- intermediate

1шт.

26

K621905

BALL

END - 1/4 BSF

1шт.

K626341

SPRING WASHER

SPRING WASHER - 1/4 in.

1шт.

K19401

NUT

- 1/4 in BSF

1шт.

27

K624960

SPRING

RETURN SPRING - intermediate lever

1шт.

28

K621903

BALL JOINT

SOCKET END - 1/4 UNF

1шт.

K616980

NUT

- 1/4 UNF

1шт.

29

K950721

ROD

- lever to adjusting sleeve

1шт.

K617593

NUT

- 1/4 UNF left-hand

1шт.

30

K949065

SLEEVE

ADJUSTING SLEEVE - 1/4 UNF

1шт.

K616980

NUT

- 1/4 UNF

1шт.

31

K950720

ROD

-, Serial Range: sleeve-pump

1шт.

32

K950727

GUIDE

BRACKET - pump rod

1шт.

33

K628756

BUSHING

PLASTIC BUSH - guide bracket

1шт.

34

K621903

BALL JOINT

SOCKET END - 1/4 UNF

1шт.

35

K621904

BALL JOINT

BALL END - 1/4 UNF, pump lever

1шт.

K626341

SPRING WASHER

SPRING WASHER - 1/4 in.

2шт.

K616980

NUT

- 1/4 UNF

2шт.

Выбрано товаров: 55