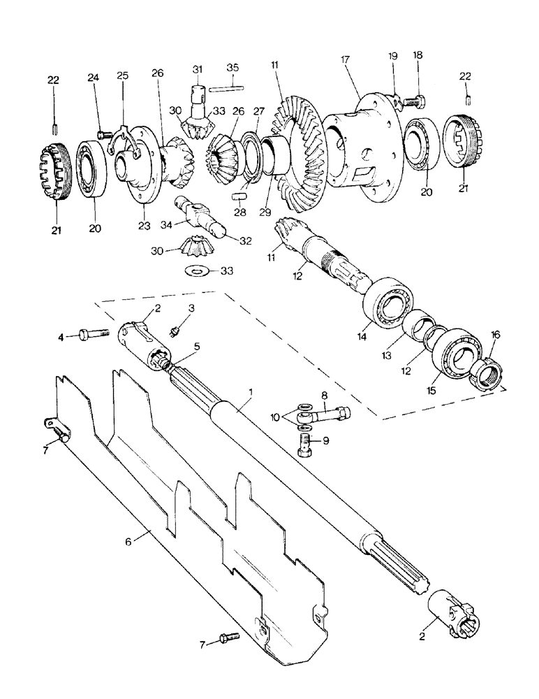
Запчасти Case IH 996 (H03-2-1) - STEERING AND FRONT AXLE, DRIVE SHAFT AND DIFFERENTIAL FOR FRONT AXLE MK3 - CARRARO 4WD TRACTORS Steering & Front Axle

Схема запчастей Case IH 996 - (H03-2-1) - STEERING AND FRONT AXLE, DRIVE SHAFT AND DIFFERENTIAL FOR FRONT AXLE MK3 - CARRARO 4WD TRACTORS Steering & Front Axle
12
29
12
28
24
6
7
16
25
11
31
20
30
34
33
19
4
23
1
2
33
17
26
21
14
20
8
21
22
10
5
32
7
2
9
35
15
3
30
27
26
22
13
18
11
FIT
1:1
100%

Артикул

Название

Примечание

Количество

K200290

DRIVE SHAFT ASSEMBLY

1шт.

1

K965417

SHAFT

DRIVE SHAFT, (Carraro 104844)

1шт.

2

K965411

COUPLING, BREAK AWAY

COUPLING SLEEVE, drive shaft, (Carraro 100609)

2шт.

3

5194260

LUBE NIPPLE,M6 x 1, 16mm lg

GREASE FITTING, (Carraro 24210)

2шт.

4

K965415

BOLT,M10 x 1.25 x 60mm

BOLT, M10 x 1.25 x 60mm, (Carraro 21105)

4шт.

K965414

NUT

M10, (Carraro 22411)

4шт.

5

K965410

SPRING

driveshaft, (Carraro 83787)

1шт.

K200291

SPACER

DRIVESHAFT GUARD ASSEMBLY

1шт.

6

K965418

GUARD

(Carraro 105027)

1шт.

7

K965420

BOLT,Hex, M8 x 1.25 x 20mm, Cl 8.8, Full Thd

SETSCREW, M8, x 20MM, (Carraro 20778)

4шт.

K965360

LOCK WASHER,M8

SPRING WASHER, , (Carraro 22856) M8

4шт.

K965421

WASHER

M8, (Carraro 23109)

4шт.

K200293

SUMP DRAIN EXTENSION

1шт.

8

K965413

PIPE

DRAIN PIPE, (Carraro 105028)

1шт.

9

K965416

BOLT

BANJO BOLT, (Carraro 28240)

1шт.

10

K965419

WASHER

1/2 BSP, (Carraro 23280)

2шт.

11

K965365

WHEEL

SPIRAL GEAR AND PINION ASSEMBLY, (Carraro 65242)

1шт.

12a

K965280

SHIM,2.50mm Thk

(Carraro 98427) 2.50mm Thk

1шт.

12b

K965281

SHIM,2.55mm Thk

(Carraro 100157) 2.55mm Thk

1шт.

12c

K965282

SHIM,2.60mm Thk

(Carraro 98426) 2.60mm Thk

1шт.

12d

K965283

SHIM,2.65mm Thk

(Carraro 100158) 2.65mm Thk

1шт.

12e

K965284

SHIM,40.1mm ID x 50mm OD x 2.7mm Thk

(Carraro 98425) 2.70mm Thk

1шт.

12f

K965285

SHIM,2.75mm Thk

(Carraro 100159) 2.75mm Thk

1шт.

12g

K965286

SHIM,2.85mm Thk

(Carraro 98424) 2.80mm Thk

1шт.

12h

K965287

SHIM,2.85mm Thk

(Carraro 100160) 2.85mm Thk

1шт.

12j

K965288

SHIM,2.90mm Thk

(Carraro 98244) 2.90mm Thk

1шт.

12k

K965289

SHIM,2.95mm Thk

(Carraro 100161) 2.95mm Thk

1шт.

12m

K965290

SPACER

SHIM, 3.0MM, (Carraro 98239)

1шт.

12n

K965291

SHIM,3.05mm Thk

(Carraro 100162) 3.05mm Thk

1шт.

12p

K965292

SHIM,3.10mm Thk

(Carraro 98240) 3.10mm Thk

1шт.

12q

K965293

SHIM,3.15mm Thk

(Carraro 100163) 3.15mm Thk

1шт.

12r

K965294

SHIM,3.20mm Thk

(Carraro 98241) 3.20mm Thk

1шт.

12s

K965295

SHIM,3.25mm Thk

(Carraro 100164) 3.25mm Thk

1шт.

12t

K965296

SHIM,3.30mm Thk

(Carraro 98242) 3.30mm Thk

1шт.

12u

K965297

SHIM,3.35mm Thk

(Carraro 100165) 3.35mm Thk

1шт.

12v

K965298

SHIM,3.40mm Thk

(Carraro 98243) 3.40mm Thk

1шт.

13

K965412

BUSHING

DISTANCE PIECE, (Carraro 10548)

1шт.

14

K965357

BEARING

TAPER ROLLER BEARING, pinion shaft, front (Carraro 27406)

1шт.

15

K965358

BEARING

TAPER ROLLER BEARING, pinion shaft, rear (Carraro 27337)

1шт.

16

K965362

LOCK NUT

LOCKNUT, pinion shaft, M40 (Carraro 23321)

1шт.

17

K965351

HOUSING

DIFFERENTIAL CAGE, (Carraro 10070)

1шт.

18

K965356

BOLT,Hex, M12 x 1.25 x 25, 8.8, Full Thd

SETSCREW, M12 x 25MM, (Carraro 21134) (Spiral gear to differential cage)

8шт.

19

K965355

PLATE, LOCKING

TABWASHER, (Carraro 71319) (Spiral gear to differential cage)

4шт.

20

K965339

BEARING

TAPER ROLLER BEARING, differential, (Carraro 27307)

2шт.

21

K965338

LOCK

RING NUT, differential bearings, (Carraro 88697)

2шт.

22

K965340

SPLIT PIN/SAFETY PIN

SPRING PIN, ring nut, (Carraro 24357)

2шт.

23

K965343

PLATE

COVER, differential cage, (Carraro 88698/1)

1шт.

24

K965341

SCREW

SETSCREW, M10 x 25MM, (Carraro 20851), Serial Range: (Cover-cage)

6шт.

25

K965342

RETAINER

TABWASHER, (Carraro 71326), Serial Range: (Cover-cage)

2шт.

26

K965344

GEAR WHEEL

BEVEL WASHER, (Carraro 83914)

2шт.

27

K965346

WASHER

THRUST WASHER, (Carraro 72409)

1шт.

28

K965348

PIN

DOWEL, thrust washer, (Carraro 76588)

1шт.

29

K965347

BUSHING

BUSH, (Carraro 70858)

1шт.

30

K965345

GEAR

BEVEL PINION, (Carraro 70272)

4шт.

31

K965354

PIN

short, bevel pinion, (Carraro 84167)

2шт.

32

K965352

PIN

long, bevel pinion, (Carraro 70270)

1шт.

33

K965350

WASHER

SPHERICAL WASHER, (carraro 99901)

4шт.

34

K965353

BLOCK

SPIDER, (Carraro 84171)

1шт.

35

K965349

PIN

DOWEL PIN, differential cage, (Carraro 70273)

3шт.

Выбрано товаров: 59