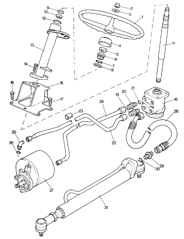
Запчасти Case IH 996 (H05-1) - STEERING AND FRONT AXLE, HYDROSTATIC POWER STEERING - OPTIONAL EQUIPMENT, 990, 995, 996 Steering & Front Axle

Схема запчастей Case IH 996 - (H05-1) - STEERING AND FRONT AXLE, HYDROSTATIC POWER STEERING - OPTIONAL EQUIPMENT, 990, 995, 996 Steering & Front Axle
6
19
13
22
14
10
12
23
15
24
3
9
2
18
20
28
17
11
27
25
30
1
7
8
5
31
26
16
29
21
4
FIT
1:1
100%

Артикул

Название

Примечание

Количество

1

K912634

HANDWHEEL

STEERING WHEEL - black

1шт.

2

K905679

NUT

DOMED NUT - 5/8 UNC

1шт.

3

K626671

WASHER

- 5/8 in., special

1шт.

K19608

KEY

- Woodruff no. 606

1шт.

4

K923681

SEAL

DIRT EXCLUDER

1шт.

5

K924967

NUT

LOCKNUT - 5/8 UNC

1шт.

6

K903463

BEARING CONE

ADJUSTABLE BEARING CONE

1шт.

7

K903468

O-RING,0.156" Thk x 1.234" ID, 75 Duro

"O" RING - 1-1/4 in. internal dia.

1шт.

8

K13506

BALL

STEEL BALL - 3/8 in.

12шт.

9

K903462

SPHERICAL BEARING

LOWER BEARING

1шт.

10

K903461

SPACER

SPHERICAL SEATING

1шт.

11

K920940

SHAFT

- 18-3/4 in.

1шт.

12

K903469

PAD, RUBBER

RUBBER BAFFLE

1шт.

13

K920943

SUPPORT

STEERING COLUMN

1шт.

219-8

LUBE NIPPLE,1/4" - 28 NPTF

NIPPLE, LUBE, , ANF 1/4"-28 NPT x .54" lg

1шт.

14

K600403

BOLT

- 3/8 UNC x 1-3/8 in., Serial Range: (Column-support)

4шт.

K19482

SPRING WASHER

SPRING WASHER - 3/8 in., Serial Range: (Column-support)

4шт.

15

K923596

SUPPORT

BRACKET - steering column

1шт.

16

K602903

SCREW

SETSCREW - 3/8 UNC x 7/8 in., Serial Range: (Support-gearbox)

4шт.

17

K602906

SCREW

SETSCREW - 3/8 UNC x 1-1/4 in., Serial Range: (Support-gearbox)

2шт.

K19482

SPRING WASHER

SPRING WASHER - 3/8 in., Serial Range: (Support-gearbox)

6шт.

18

K946083

VALVE

ORBITROL STEERING VALVE - type OSP125

1шт.

K962387

GASKET KIT

SEAL PACK - steering valve

1шт.

Ref # 18 seal pack-If steering handpump has Danfoss part #150-1051 on it, order seal kit P/N 3141548R91. By: tsg bc 9/18/98

1шт.

19

K626062

FITTING

UNION - 3/4 UNF - 7/8 UNF

1шт.

20

K626039

FITTING

UNION - 3/4 UNF

3шт.

21

K623591

O-RING

"O" RING - 5/8 in. internal dia.

4шт.

22

K946003

PIPE

- pump to steering valve

1шт.

23

K946125

TUBE

NYLON SLEEVE - 19/32 x 1 in.

3шт.

24

K946004

PIPE

- steering valve to pump reservoir

1шт.

25

K622110

FITTING

ELBOW - 9/16 UNF, pump outlet

1шт.

26

K623649

O-RING,0.078" Thk x 0.468" ID, -906, Cl 6, 90 Duro

"O" RING - 7/16 in. internal dia.

1шт.

27

K944944

PUMP

ASSEMBLY - See Figure H08-1

1шт.

28

K940262

HOSE

PIPE - flexible, 3/4 UNF x 34 in.

2шт.

29

K626039

FITTING

UNION - 3/4 UNF

1шт.

30

K623591

O-RING

"O" RING - 5/8 in. internal dia.

1шт.

31

K945702

CYLINDER

STEERING RAM ASSEMBLY - See Figure H09-1

1шт.

Выбрано товаров: 37