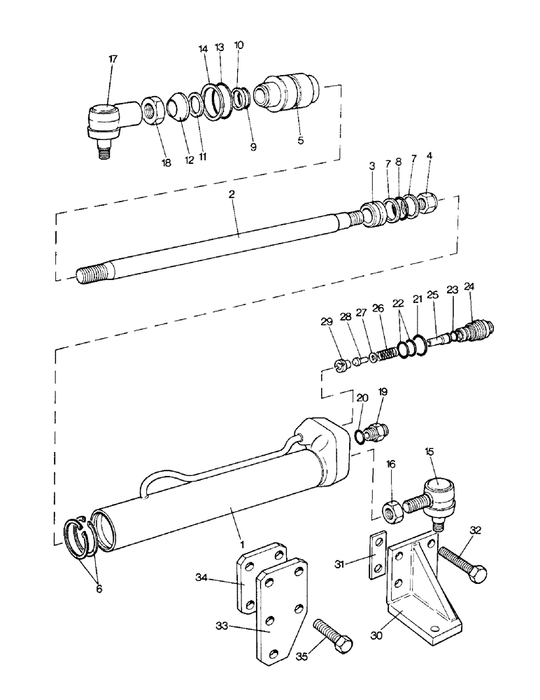
Запчасти Case IH 996 (H09-1) - STEERING FRONT AXLE, STEERING RAM ASSEMBLY Steering & Front Axle

Схема запчастей Case IH 996 - (H09-1) - STEERING FRONT AXLE, STEERING RAM ASSEMBLY Steering & Front Axle
1
8
22
12
24
28
29
16
35
32
34
13
3
15
9
7
21
27
20
10
17
4
2
6
14
25
7
11
18
19
23
33
26
31
30
5
FIT
1:1
100%

Артикул

Название

Примечание

Количество

K945702

CYLINDER

STEERING RAM ASSEMBLY, Includes: Ref. 1 - 18

1шт.

1

K945703

TUBE

RAM CYLINDER CASE

1шт.

2

K929056

ROD

RAM ROD

1шт.

3

K925321

PISTON

1шт.

4

K607446

NUT

CLEVELOC NUT - 3/4 UNC

1шт.

5

K925322

SLEEVE

1шт.

6

K11744

RING, SNAP

CIRCLIP - 1-7/8 in., internal

2шт.

K96255

SEAL PACK - steering ram, Includes: Ref. 7 - 14

1шт.

7

K628912

WASHER

BACK-UP RING - 1-1/2 in., internal dia.

2шт.

8

K24744

O-RING,1.475" ID x 1.895" OD x 0.21"

"O" RING - 1-1/2 in. internal dia.

1шт.

9

K623677

O-RING

"O" RING - 1 in. internal dia.

1шт.

10

K628911

WASHER

BACK-UP RING - 1 in. internal dia.

1шт.

11

K623762

O-RING,0.99" ID x 0.147" Width

NU-LIP SEALING RING - 1 in. internal dia.

1шт.

12

K691596

SEAL

SCRAPER SEAL

1шт.

13

K24737

O-RING,0.139" Thk x 1.609" ID, -223, Cl 6, 90 Duro

"O" RING - 1-5/8 in. internal dia.

1шт.

14

K24738

RING,41.07mm ID x 47.88mm OD x 1.83mm Thk

BACK-UP RING - 1-5/8 in. internal dia.

1шт.

15

K923766

BALL JOINT

BALL SOCKET ASSEMBLY - case, Includes: Ref. 16

1шт.

K962155

CAP

DIRT EXCLUDER

1шт.

131-377

LOCK NUT,5/8"-11, GC

NYLOC NUT - 5/8 UNF

1шт.

16

K622500

LOCK NUT

LOCKNUT - 3/4 in., special

1шт.

17

K929057

BALL JOINT

BALL SOCKET ASSEMBLY - ram rod, Includes: Ref. 18

1шт.

K962155

CAP

DIRT EXCLUDER

1шт.

131-377

LOCK NUT,5/8"-11, GC

NYLOC NUT - 5/8 in.

1шт.

18

K617289

LOCK NUT

LOCKNUT - 7/8 in., special

1шт.

19

K626039

FITTING

UNION - 3/4 UNF

1шт.

20

K623591

O-RING

"O" RING - 5/8 in. internal dia.

1шт.

K945714

VALVE

LINE VALVE ASSEMBLY, Includes: Ref. 21 - 29

1шт.

K963550

SEALING RING

SEAL PACK - line valve, Includes: Ref. 21 - 23

1шт.

21

K623663

O-RING,0.924" ID x 0.116" Width

"O" RING - 15/16 in. internal dia.

1шт.

22

K628850

O-RING,0.612" ID x 0.139" Width

"O" RING - 9/16 in. internal dia.

2шт.

23

K24554

O-RING

"O" RING - 3/8 in. internal dia.

1шт.

24

K945571

BODY

VALVE BODY

1шт.

25

K945567

SPRING

SUPPORT

1шт.

26

K625520

SPRING

1шт.

27

K945570

WASHER

ABUTMENT WASHER

1шт.

28

K945569

VALVE

PLUNGER

1шт.

29

K945568

VALVE

SEAT

1шт.

30a

K926193

BRACKET

ANCHOR BRACKET - 52-76 in. front axle (990, 995, 996, 990G, 995G, 996G, 990Q, 995Q, 996Q, 990SK, 995SK, 996SK)

1шт.

30b

K953600

BRACKET

ANCHOR BRACKET - 56-80 in. front axle (990, 995, 996, 990G, 995G, 996G, 990Q, 995Q, 996Q, 990SK, 995SK, 996SK)

1шт.

31

K776004

PACKING

STRIP (Bracket to main frame) (990Q, 995Q, 996Q, 990SK, 995SK, 996SK)

1шт.

32

K603313

SCREW

SETSCREW - 5/8 UNC x 2-3/4 in. (Bracket to main frame) (990, 995, 996, 990G, 995G, 996G, 990Q, 995Q, 996Q, 990SK, 995SK, 996SK)

4шт.

K19485

WASHER

SPRING WASHER - 5/8 in. (Bracket to main frame) (990, 995, 996, 990G, 995G, 996G, 990Q, 995Q, 996Q, 990SK, 995SK, 996SK)

4шт.

K200294

BRACKET ASSEMBLY - (Carraro axle) (990 4WD, 995 4WD, 996 4WD), Includes: Ref. 33 - 35

1шт.

33

K965428

BRACKET

(Carraro 105927) (990 4WD, 995 4WD, 996 4WD)

1шт.

34

K965429

BUSHING

SPACER - 10 MM, (Carraro 105928) (990 4WD, 995 4WD, 996 4WD)

1шт.

35

K965423

BOLT

- 5/8 UNC x 2-1/2 in., (Carraro 21476) (990 4WD, 995 4WD, 996 4WD)

4шт.

Выбрано товаров: 0