Запчасти Case IH 996 (E08-1) - SELECTAMATIC HYDRAULIC SYSTEM, RAMSHAFT AND RAM CYLINDER (07) - HYDRAULIC SYSTEM

Схема запчастей Case IH 996 - (E08-1) - SELECTAMATIC HYDRAULIC SYSTEM, RAMSHAFT AND RAM CYLINDER (07) - HYDRAULIC SYSTEM
15
16
29
22
4
11
9
7
24
32
2
14
26
33
36
19
12
27
10
30
20
21
8
28
23
34
5
6
1
35
3
18
31
25
13
37
17
FIT
1:1
100%

Артикул

Название

Примечание

Количество

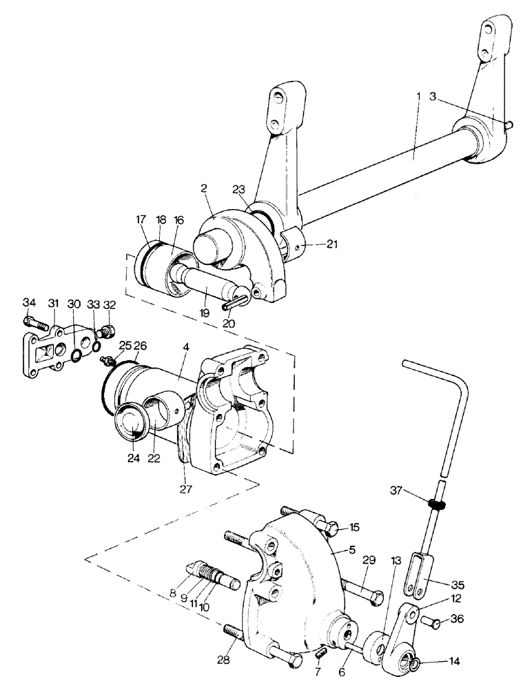
1

K916568

SHAFT ASSY.

RAMSHAFT AND LEVERS, Includes: Ref. 2 & 3

1шт.

2

K913762

ARM

RAM LEVER

1шт.

3

K621807

PIN

DOWEL - 5/16 x 1/2 in.

1шт.

4

K961922

COVER

CYLINDER BODY AND COVER ASSEMBLY, Includes: Ref. 5 - 15 and nut and shakeproof washer

1шт.

5

K961923

COVER

AND LIFT LOCK ASSEMBLY, Includes: Ref. 6 - 14

1шт.

6

K620027

NEEDLE

ROLLER

2шт.

7

K606052

SET SCREW,Hex Skt, 5/16" - 18 x 3/4"

LOCATING SCREW

1шт.

8

K942923

LATCH

PIN

1шт.

9

K913436

SPRING

1шт.

10

K24556

O-RING,0.734" ID x 1.012" OD x 0.139"

"O" RING - 3/4 in. internal dia.

1шт.

11

K907061

BUSHING

SPACER RING

1шт.

12a

K947974

LEVER ASSY.

OPERATING LEVER (990, 995, 996, 990G, 995G, 996G)

1шт.

12b

K950045

LEVER

OPERATING LEVER (990Q, 995Q, 996Q, 990SK, 995SK, 996SK)

1шт.

K626210

SHIM,.030" Thk

1шт.

13

K913724

DUST CAP

DIRT EXCLUDER

1шт.

14

K11290

RING, SNAP

CIRCLIP - 3/4 in. external

2шт.

K924685

RUBBER

RESTRICTOR - cylinder body

1шт.

15

K601218

BOLT

- 5/8 UNC x 4-1/2 in.

2шт.

K607006

NUT

- 5/8 UNC

2шт.

K11516

WASHER

SHAKEPROOF WASHER - 5/8 in.

2шт.

16a

K913769

PISTON

- standard

1шт.

16b

K946371

PISTON

- oversize 0.020 in.

1шт.

17

K623519

O-RING,0.21" Thk x 3.1" ID, -338, Cl 6, 90 Duro

"O" RING - 3-1/8 in. internal dia.

1шт.

18

K623567

RING,79.09mm ID x 89.18mm OD x 2.64mm Thk

ANTI-EXTRUSION RING

1шт.

19

K913774

ROD

CONNECTING ROD

1шт.

20

K623920

SPLIT PIN/SAFETY PIN

SPRING PIN - 1/4 x 1-7/8 in.

1шт.

21

K913772

BEARING HALF

BEARING - (Halves)

2шт.

22

K913758

BUSHING,57.19mm ID x 61.38mm OD x 28.83mm L

BUSH

1шт.

23

K623579

O-RING,0.21" Thk x 2.225" ID, -331, Cl 5, 75 Duro

"O" RING - 2-3/4 in. internal dia.

1шт.

24

K913773

PLUG

SEALING DISC

1шт.

25

K910104

SCREW

BLEED SCREW - 1/8 BSP

1шт.

K11286

BALL

STEEL BALL - 5/16 in.

1шт.

26

K623566

O-RING,0.139" Thk x 3.859" ID, -241, Cl 5, 75 Duro

"O" RING - 3-7/8 in. internal

1шт.

27

K926385

GASKET

- cylinder to rear axle case

1шт.

28

K600825

SCREW

BOLT - 1/2 UNC x 5-3/4 in.

2шт.

K11518

WASHER

SHAKEPROOF WASHER - 1/2 in.

2шт.

29

K601280

BOLT

- 5/8 UNC x 13-1/8 in.

2шт.

K626874

WASHER

SEALING WASHER - 5/8 in.

2шт.

K11516

WASHER

SHAKEPROOF WASHER - 5/8 in.

2шт.

K607006

NUT

- 5/8 UNC

2шт.

219-8

LUBE NIPPLE,1/4" - 28 NPTF

NIPPLE, LUBE, , ANF 1/4"-28 NPT x .54" lg

2шт.

30

K24555

O-RING,0.737" ID x 0.943" OD x 0.103"

"O" RING - 3/4 in. internal dia. (990, 995, 996, 990G, 995G, 996G)

1шт.

31

K910107

HYD CONNECTOR

CONNECTOR - pipe to cylinder (990, 995, 996, 990G, 995G, 996G)

1шт.

32

K619527

PLUG

- 1/2 UNF (990, 995, 996, 990G, 995G, 996G)

1шт.

K15735

WASHER

SEALING WASHER - 1/2 in. (990, 995, 996, 990G, 995G, 996G)

1шт.

33

K24676

O-RING,0.103" Thk x 0.612" ID, -114, Cl 6, 90 Duro

"O" RING - 5/8 in. internal dia. (990, 995, 996, 990G, 995G, 996G)

1шт.

34

K600404

BOLT

- 3/8 UNC x 1/2 in. (990, 995, 996, 990G, 995G, 996G)

4шт.

K19482

SPRING WASHER

SPRING WASHER - 3/8 in. (990, 995, 996, 990G, 995G, 996G)

4шт.

35a

K955607

LEVER

HAND LEVER (990Q, 995Q, 996Q, 990SK, 995SK, 996SK)

1шт.

Used on models 990Q, 990SK, 995Q, 995SK, 996Q, 996SK, S/N 11088300 and after

1шт.

35b

K949578

LEVER

HAND LEVER (990Q, 995Q, 996Q, 990SK, 995SK, 996SK)

1шт.

Used on models 990Q, 990SK, 995Q, 995SK, 996Q, 996SK, up to S/N 11088300

1шт.

36

K625956

PIN

CLEVIS PIN - 5/16 x 1-1/8 in. (990Q, 995Q, 996Q, 990SK, 995SK, 996SK)

1шт.

K11934

PIN

SPLIT PIN - 1/16 x 1/2 in. (990Q, 995Q, 996Q, 990SK, 995SK, 996SK)

1шт.

37

K627729

GROMMET

- 7/8 in. (990Q, 995Q, 996Q, 990SK, 995SK, 996SK)

1шт.

Выбрано товаров: 55