Запчасти Case IH 996 (E15-1) - SELECTAMATIC HYDRAULIC SYSTEM, THREE-WAY SELECTOR VALVE (07) - HYDRAULIC SYSTEM

Схема запчастей Case IH 996 - (E15-1) - SELECTAMATIC HYDRAULIC SYSTEM, THREE-WAY SELECTOR VALVE (07) - HYDRAULIC SYSTEM
9
3
17
17
1
7
16
5
4
15
14
12
8
8
6
2
16
18
15
11
13
9
10
FIT
1:1
100%

Артикул

Название

Примечание

Количество

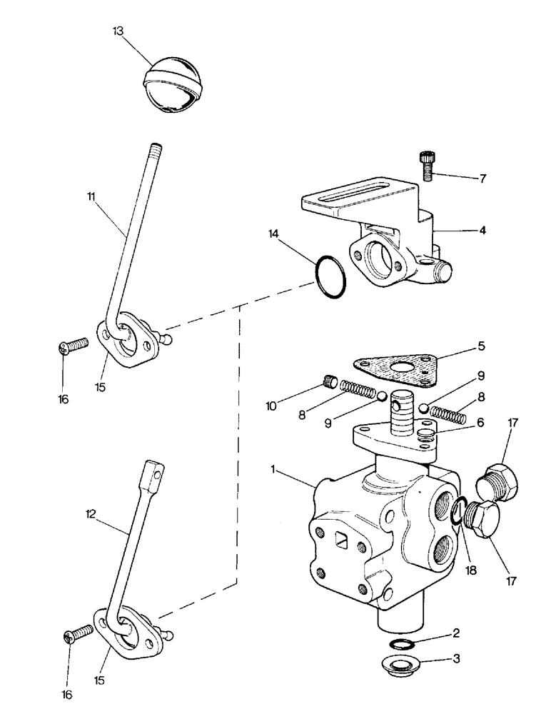
1a

K948000

SELECTOR

TAKE-OFF VALVE ASSEMBLY (990, 995, 996, 990G, 995G, 996G), Includes: Ref. 2 - 16 and spring washer

1шт.

1b

K951162

SELECTOR

TAKE-OFF VALVE ASSEMBLY (990Q, 995Q, 996Q, 990SK, 995SK, 996SK), Includes: Ref. 2 - 16 and spring washer

1шт.

2

K625408

O-RING

"O" RING

2шт.

3

K919826

BREATHER

1шт.

4

K919611

COVER

1шт.

5

K944527

GASKET,0.15mm Thk

1шт.

6

K915393

FOAM

BREATHER PAD

1шт.

7

K606501

SCREW

- 1/4 UNC x 5/8 in.

3шт.

8

K625208

SPRING

2шт.

9

K17063

BALL

STEEL BALL - 1/4 in.

2шт.

10

K606020

SCREW

GRUBSCREW - 5/16 UNC x 1/4 in.

1шт.

11

K919612

LEVER

(990, 995, 996, 990G, 995G, 996G)

1шт.

12

K949302

LEVER

(990Q, 995Q, 996Q, 990SK, 995SK, 996SK)

1шт.

13

K902270

KNOB

(990, 995, 996, 990G, 995G, 996G)

1шт.

14

K16351

O-RING,3.53mm Thk x 24.99mm ID

"O" RING - 1 in. internal dia.

1шт.

15

K919613

SHIM

PLATE

1шт.

16

K614924

SCREW

- no. 10 UNF x 1/2 in.

2шт.

K19488

SPRING WASHER

SPRING WASHER - 3/16 in.

2шт.

17

K920826

O-RING

PLUG - 3/4 UNF (990, 995, 996, 990G, 995G, 996G)

2шт.

18

K623589

O-RING

"O" RING - 5/8 in. internal dia.

2шт.

Выбрано товаров: 20