Запчасти Case IH AD4/47 (06S) - CAMSHAFT, VALVE MECHANISM AND INJECTION PUMP DRIVE, AD4/47

Схема запчастей Case IH AD4/47 - (06S) - CAMSHAFT, VALVE MECHANISM AND INJECTION PUMP DRIVE, AD4/47
44
34
35
18
28
12
40
53
27
26
21
2
3
13
46
29
17
11
51
14
42
49
32
22
10
9
43
38
48
31
19
23
37
5
6
52
15
4
45
50
36
8
47
39
20
7
24
25
30
41
1
33
18
32
FIT
1:1
100%

Артикул

Название

Примечание

Количество

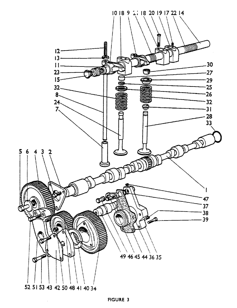
1

K914673

CAMSHAFT

1шт.

2

K902015

PLATE

LOCATING PLATE

1шт.

3

9635884

BOLT,Hex, 5/16" - 18 1", Full Thd, Gr 5

SETSCREW, 5/16 UNC x 1 in.

3шт.

K19481

SPRING WASHER

SPRING WASHER, 5/16 in.

3шт.

4

K902016

GEAR

- camshaft

1шт.

K19607

KEY

Woodruff no. 506

1шт.

5

K600700

BOLT

7/16 UNC x 2 in.

1шт.

6

K66382

WASHER

7/16 in.

1шт.

7

K901137

TAPPET

8шт.

8

K902035

ROD

PUSH ROD

8шт.

9

K961052

ROCKER

VALVE ROCKER, right-hand (With bush), nos. 2, 4, 6, 8-from front

4шт.

10

K961053

ROCKER

VALVE ROCKER, left-hand (With bush), nos. 1, 3, 5, 7-from front

4шт.

11

K11060

BUSHING

BUSH - valve rocker

8шт.

12

K900413

ADJUSTMENT SCREW,3/8" - 16 x 1 1/8"

- adjusting

8шт.

13

87016560

JAM NUT,Jam, 3/8"-16, G5

LOCKNUT, 3/8 UNC

8шт.

14

K909622

SHAFT

- rocker

1шт.

15

K19590

PLUG

3/8 BSP

2шт.

17

K606051

SET SCREW,5/16" - 18 x 1/2"

LOCATING SCREW

1шт.

18

K913753

BRACKET

- rocker shaft (Nos. 1, 2 and 3)

3шт.

19

K913754

NO LONGER SERVICED

BRACKET - rocker shaft (Rear)

1шт.

20

K600412

BOLT

3/8 UNC x 2-1/2 in.

4шт.

K19482

SPRING WASHER

SPRING WASHER, 3/8 in.

4шт.

21

K11017

SPRING

LOCATING SPRING - intermediate

2шт.

22

K11034

SPRING

LOCATING SPRING - centre

1шт.

23

K11018

SPRING

LOCATING SPRING - ends

2шт.

24

K900417

VALVE

- exhaust

4шт.

25

K68412

COTTER PIN

COTTERS - exhaust valve (Pairs)

4шт.

26

K900419

COLLAR

- exhaust valve

4шт.

27

K68414

CAP

- exhaust valve

4шт.

28

K914528

VALVE

- inlet

4шт.

29

K903995

COLLAR

- inlet valve

4шт.

30

K65893

LOCKING DEVICE

COTTERS - inlet valve (Pairs)

4шт.

31

K903996

NO LONGER SERVICED

SEAL - inlet valve

4шт.

32

K914529

SPRING

- valve

8шт.

33

K623523

O-RING,1.802" OD x 0.143" Width

"O" RING, 1-3/16 in. int. dia.

1шт.

34

K902006

GEAR

DRIVE GEAR - injection pump

1шт.

35

K904061

SUPPORT FLANGE

1шт.

36

K904062

GASKET

1шт.

37

K24779

O-RING,0.103" Thk x 0.424" ID, -11, Cl 6, 90 Duro

"O"RING, 7/16 in. int. dia.

1шт.

38

K608106

STUD

5/16 UNC x 2 in. - injection pump mounting

3шт.

39

K602806

BOLT

SETSCREW, 5/16 UNC x 1-1/8 in.

1шт.

K19481

SPRING WASHER

SPRING WASHER, 5/16 in.

1шт.

40

K902007

WASHER, THRUST

THRUST WASHER (2 halves)

1шт.

41

K902008

COUPLING, BREAK AWAY

COUPLING - pump

1шт.

42

K902009

RETAINING PLATE

1шт.

43

K600353

BOLT

special, 5/16 UNC

3шт.

44

K902010

CONNECTION - oil feed

1шт.

45

K600354

BOLT (SPREADER)

BOLT, 5/16 UNC, special

1шт.

K24784

COPPER WASHER

5/16 in.

1шт.

46

K902014

RESTRICTOR BOLT AND TUBE

1шт.

47

K609441

PLUG, 1/4 UNC, injection pump support flange

1шт.

K626442

WASHER

COPPER WASHER, 1/4 in., injection pump support flange

1шт.

48

K917904

GEAR

47 teeth - intermediate (Supersedes K904074)

1шт.

49

K904075

NO LONGER SERVICED

SHAFT - intermediate gear

1шт.

50

K606021

SCREW

PLUG, 5/16 UNC

2шт.

51

K904073

SUPPORT

BRACKET - intermediate gear support

1шт.

K902113

SHIM,.003" Thk

1шт.

K902114

SHIM,.010" Thk

1шт.

K908713

SHIM,.020" Thk

1шт.

52

K600324

BOLT

5/16 UNC x 1-3/4 in., support bracket (Replaces K600207)

2шт.

53

K600325

BOLT

5/16 UNC x 2 in., support bracket (Replaces K600209)

2шт.

K19481

SPRING WASHER

SPRING WASHER, 5/16 in., support bracket

4шт.

Выбрано товаров: 62