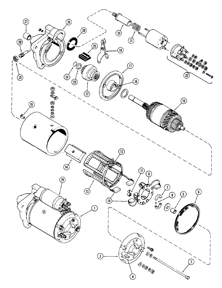
Запчасти Case IH LUCAS (12) - K919752 STARTER, LUCAS NUMBER 26379, MODEL M50

Схема запчастей Case IH LUCAS - (12) - K919752 STARTER, LUCAS NUMBER 26379, MODEL M50
16
4
3
6
21
14
2
19
18
31
28
12
11
27
1
22
26
29
30
5
10
32
13
25
7
17
23
24
8
20
15
9
FIT
1:1
100%

Артикул

Название

Примечание

Количество

1

K919752

STARTING MOTOR

STARTER ASSY.

1шт.

2

K964217

BOLT

- thru

2шт.

K964209

KIT

FRAME ASSY. - commutator end

1шт.

3

NSS

NOT SOLD SEPARAT

FRAME

1шт.

4

NSS

NOT SOLD SEPARAT

TERMINAL

1шт.

5

NSS

NOT SOLD SEPARAT

BUSHING - (Order K963931 kit)

1шт.

K964212

SEAL KIT

- sealing rubber (Consists of items 6, 12, 24, 28)

1шт.

6

NSS

NOT SOLD SEPARAT

RING - sealing (Order K964212)

1шт.

K963857

BRAKE

KIT

1шт.

7

NSS

NOT SOLD SEPARAT

SHOE - brake

2шт.

8

NSS

NOT SOLD SEPARAT

SPRING - brake

2шт.

9

K964208

BRACKET

PLATE ASSY. - brush mounting

1шт.

10

K964218

KIT

- brush

1шт.

11

K963798

SPRING

KIT - brush tension

1шт.

12

NSS

NOT SOLD SEPARAT

GROMMET - field lead (Order K964212)

1шт.

K964210

KIT

- field coil

1шт.

13

NSS

NOT SOLD SEPARAT

COIL - field

4шт.

14

NSS

NOT SOLD SEPARAT

SHOE - pole

4шт.

15

NSS

NOT SOLD SEPARAT

SCREW - pole

4шт.

16

K964221

ARMATURE

ASSY.

1шт.

K964211

FRAME

- intermediate

1шт.

17

NSS

NOT SOLD SEPARAT

FRAME

1шт.

18

NSS

NOT SOLD SEPARAT

BUSHING - (Order K963931 kit)

1шт.

K964213

LINK

KIT - solenoid link

1шт.

19

NSS

NOT SOLD SEPARAT

LINK - solenoid

1шт.

20

NSS

NOT SOLD SEPARAT

BOLT - pivot

1шт.

21

NSS

NOT SOLD SEPARAT

NUT - pivot bolt

1шт.

K964214

DRIVE

ASSY.

1шт.

22

NSS

NOT SOLD SEPARAT

DRIVE

1шт.

23

NSS

NOT SOLD SEPARAT

COLLAR - thrust

1шт.

24

NSS

NOT SOLD SEPARAT

RING - retaining (Order K964212)

1шт.

25

NSS

NOT SOLD SEPARAT

GROMMET - drive end frame

1шт.

K964219

BRUSH, COMMUTATOR

FRAME ASSY. - drive end

1шт.

26

NSS

NOT SOLD SEPARAT

FRAME

1шт.

27

NSS

NOT SOLD SEPARAT

BUSHING - (Order K963931 kit)

1шт.

28

NSS

NOT SOLD SEPARAT

GASKET - solenoid to frame (Order K964212)

1шт.

29

K964215

SOLENOID

1шт.

30

NSS

NOT SOLD SEPARAT

PLUNGER - solenoid

1шт.

31

NSS

NOT SOLD SEPARAT

SPRING - solenoid plunger

1шт.

32

K964216

COVER

KIT - solenoid end cover

1шт.

K964220

KIT

- hardware (Includes all items illustrated but not listed or identified)

1шт.

K963931

KIT

- bushing (Incl. items 5, 18 & 27)

1шт.

Выбрано товаров: 42