Запчасти Case IH 1206 (F-03) - HYDRAULIC SYSTEM, SEAT SUPPORTS AND HYDRAULIC COMPONENTS (07) - HYDRAULIC SYSTEM

Схема запчастей Case IH 1206 - (F-03) - HYDRAULIC SYSTEM, SEAT SUPPORTS AND HYDRAULIC COMPONENTS (07) - HYDRAULIC SYSTEM
9
4
28
25
24
3
17
12
34
31
23
22
15
30
10
19
1
21
33
16
7
2
18
29
26
11
14
13
11
27
5
32
6
8
20
FIT
1:1
100%

Артикул

Название

Примечание

Количество

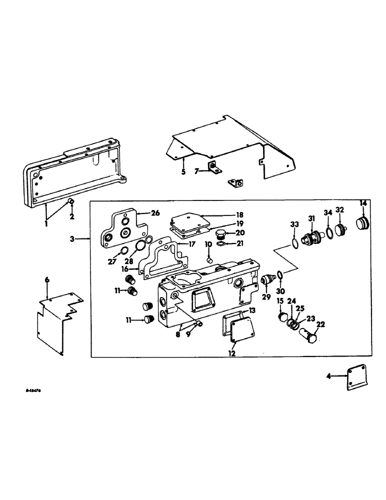
1

382912R11

SUPPORT ASSY, LH seat

1шт.

179885

BOLT,Hex, 1/2" - 13 x 1 1/2", Gr 5

2шт.

103323

LOCK WASHER,1/2"

WASHER, LOCK, 1/2"

2шт.

2

382913R1

BUSHING, seat support

1шт.

2

405513R1

BUSHING, IPTO control handle shaft, for use w/399603R92 support

1шт.

3

399603R91

SUPPORT ASSY, RH seat, tractors without draft control or auxiliary valves, composed of ref. nos. 8, 10 thru 13, 15 thru 20 and attaching hardware

1шт.

3

399604R92

SUPPORT ASSY, RH seat, tractors with draft control, will work for 391916R91, composed of ref. nos. 8, 10 thru 13, 20 thru 34 and attaching hardware

1шт.

3

399606R92

SUPPORT ASSY, RH seat, tractors with auxiliary valves, will work for 391918R92, composed of ref. nos. 8, 10, 12, 13, 18 thru 25, 32, 34 and attaching hardware

1шт.

279991R1

SCREW

W/PELLET INSERT, 1/2-13 x 1-1/2 hex-hd cap

1шт.

179841

BOLT,Hex, 3/8" - 16 x 1 1/4", Gr 5

3/8-16 x 1-1/4 hex-hd cap

2шт.

103321

LOCK WASHER,3/8"

WASHER, LOCK, 3/8"

2шт.

103323

LOCK WASHER,1/2"

WASHER, LOCK, 1/2"

1шт.

4

382919R1

COVER, auxiliary valve handle support pad

1шт.

179814

SPACER

3шт.

5

382922R11

COVER ASSY, seat support, front

1шт.

5

383334R11

COVER ASSY, seat support front, tractors w/auxiliary valves

1шт.

179789

BOLT,Hex, 1/4" - 20 x 3/8", Gr 5, Full Thd

8шт.

6

383175R1

COVER, seat support rear

1шт.

179789

BOLT,Hex, 1/4" - 20 x 3/8", Gr 5, Full Thd

6шт.

7

383176R11

CLIP ASSY, seat support front cover mounting

2шт.

179813

BOLT,Hex, 5/16" - 18 x 9/16", Gr 5

2шт.

8

399608R41

SUPPORT ASSY, RH seat w/plug 444660

1шт.

8

399609R31

SUPPORT

ASSY, RH seat w/plug 444660, tractors w/draft control

1шт.

9

382913R1

BUSHING, seat support

1шт.

10

444660

DRAIN PLUG,Sq Soc, 3/8"-18 NPTF

PLUG, 3/8-18 auto sq-soc pipe

1шт.

11

1017989R1

PLUG

7/8-14 self aligning, not used on tractors with auxiliary valves

4шт.

12

382790R1

PLATE, access hole

1шт.

179791

BOLT,Hex, 1/4" - 20 x 1/2", Gr 5

4шт.

13

382791R1

GASKET

access hole plate

1шт.

14

1017971R1

PLUG, plastic tapered, not used on tractors with draft control or auxiliary valves

1шт.

15

379144R1

PLUG, hyd transfer block, not used on tractors with draft control or auxiliary valves

2шт.

16

382920R1

COVER, auxiliary valve mounting pad, not used on tractors with draft control or auxiliary valves

1шт.

179837

BOLT,Hex, 3/8" - 16 x 3/4", Gr 5

3шт.

17

382921R1

GASKET AUXILIARY VALVE MOUNTING PAD COVER, not used on tractors with draft control or auxiliary valves

1шт.

18

382918R1

COVER, hyd quadrant support opening, not used on tractors with draft control

1шт.

179837

BOLT,Hex, 3/8" - 16 x 3/4", Gr 5

4шт.

19

382793R1

GASKET

quadrant support opening cover, not used on tractors with draft control

1шт.

20

9410361

PLUG

1-1/16-12 cd or zn-pltd str thd-o-rings boss, for 3/4 tube, used on tractors with draft control or auxiliary valves

1шт.

21

368269R1

O-RING,0.116" Thk x 0.924" ID, -912, Cl 6, 90 Duro

for 3/4 OD tube, check valve port plug, used on tractors with draft control or auxiliary valves

1шт.

22

388208R92

VALVE

ASSY, relief, for components see list of parts under details of pilot relief valve, used on tractors with draft control or auxiliary valves

1шт.

23

364879R1

O-RING,0.103" Thk x 0.862" ID, -118, Cl 5, 75 Duro

7/8 x 1-1/16 x 3/32, relief valve outer, used on tractors with draft control or auxiliary valves

2шт.

24

362796R1

O-RING,0.924" ID x 0.103" Width

15/16 x 1-1/8 x 3/32, relief valve outer, used on tractors with draft control or auxiliary valves

2шт.

25

378985R2

BACK-UP RING

relief valve inner o-ring backup, used on tractors with draft control or auxiliary valves

2шт.

26

376023R4

COVER

control valve end, used on tractors with draft control

1шт.

179840

BOLT,Hex, 3/8" - 16 x 1 1/8", Gr 5

SCREW, 3/8-16 x 1-1/8 hex-hd cap

3шт.

27

381884R1

O-RING,0.103" Thk x 0.987" ID, -120, Cl 6, 90 Duro

valve end cover, small, used on tractors with draft control

2шт.

28

381885R1

O-RING,0.103" Thk x 1.362" ID, -126, Cl 6, 90 Duro

valve end cover, large, used on tractors with draft control

1шт.

29

376762R11

PISTON ASSY.

PISTON ASSY, unloading valve, used on tractors with draft control

1шт.

30

406181R1

O-RING,21.82mm ID x 3.53mm Width

unloading valve piston, used on tractors with draft control

1шт.

31

391920R91

SEAT

ASSY, unloading valve, used on tractors with draft control

1шт.

32

391922R1

PLUG

regulator port, used on tractors with auxiliary valves

1шт.

33

391923R1

O-RING,0.103" Thk x 1.299" ID, -125, Cl 6, 90 Duro

1-5/16 x 1-1/2 x 3/32, carrier inner, used on tractors with draft control

1шт.

34

307915R1

O-RING,0.118" Thk x 1.475" ID, -920, Cl 6, 90 Duro

1-15/32 x 1-11/16 x 7/64, carrier outer, used on tractors with draft control or auxiliary valves

1шт.

Выбрано товаров: 53