Запчасти Case IH 1206 (F-16) - HYDRAULIC SYSTEM, DRAFT SENSING (07) - HYDRAULIC SYSTEM

Схема запчастей Case IH 1206 - (F-16) - HYDRAULIC SYSTEM, DRAFT SENSING (07) - HYDRAULIC SYSTEM
14
3
4
12
2
8
17
1
3
9
5
4
11
7
16
6
2
10
13
15
1
17
FIT
1:1
100%

Артикул

Название

Примечание

Количество

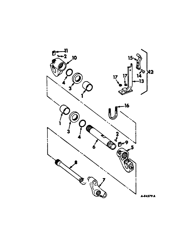
392080R91

PARTS ACCESSORY, draft sensing, tractors with draft control and three point hitch

1шт.

1

394889R91

BUSHING

ASSY, lining & case, will work 392889R91 & 392082R1

2шт.

2

142510

GROOVED PIN,3/16" x 1 3/4", Type A

Pin, Grooved, , use w/block, 394667R1 and 394666R1 3/16" x 1 3/4", Type A

1шт.

2

20504R1

AXLE PIN,3/16" x 1 3/4"

PIN, 3/16 x 1-3/4 hardened dowel, use w/block, 392089R1 and 392091R1, Farmall tractors w/serial no. 8080 & below, International tractors w/serial no. 7649 & below

1шт.

3

392083R1

RETAINER

crank arm o-ring

2шт.

4

652226R1

O-RING,0.21" Thk x 2.85" ID, -336, Cl 5, 75 Duro

2-7/8 x 3-1/4 x 3/16 crank arm retainer

2шт.

5

392084R2

ARM

RH crank

1шт.

6

392085R3

SHAFT

crank arm

1шт.

7

392086R11

BRACKET

ASSY, torsion bar anchor

1шт.

273303

BOLT,Hex, 5/8" - 11 x 5 1/4", Gr 5

SCREW, 5/8-11 x 5-1/4 hex-hd cap

2шт.

106267

WASHER,5/8"

11/16 x 1-3/4 x .134

2шт.

8

392088R1

BAR

torsion spring

1шт.

9

394667R1

BLOCK

RH crank arm retainer, also order pin, 142510

1шт.

10

392090R2

ARM

LH crank

1шт.

11

394666R1

BLOCK

LH crank arm & spring retainer, also order pin, 142510

1шт.

12

392092R91

ARM

ASSY, sensing

1шт.

138632

SET SCREW,Hex Soc, 1/4"-20 x 1 1/2"

SCREW, 1/4-20 hex-soc-hd dv-pt set

1шт.

109084

NUT,1/4"-20, G5

1шт.

13

392093R91

ARM

ASSY, sensing lower

1шт.

14

427-5094

CLEVIS PIN,7.92mm OD x 23.88mm L

Rod end 5/16" x .940", HDN

1шт.

107762

WASHER,3/32" x 5/8"

PIN, SPLIT, (COTTER), , Extended prong 3/32" x 5/8"

1шт.

15

390118R1

ARM

sensing upper

1шт.

138632

SET SCREW,Hex Soc, 1/4"-20 x 1 1/2"

SCREW, 1/4-20 hex-soc-hd dv-pt set

1шт.

109084

NUT,1/4"-20, G5

1шт.

16

392095R1

BOLT,3/8" - 16 x 3.28" W x 3.60" L

sensing arm U

1шт.

17

231-1446

NUT,3/8" - 16, Gr 5

NUT LOCK, 3/8"-16, GB

2шт.

Выбрано товаров: 26