Запчасти Case IH 1206 (A-04) - CHASSIS, RADIATOR AND SHEET METAL, FRONT CHANNELS AND BOLSTERS Chassis, Radiator & Sheet Metal

Схема запчастей Case IH 1206 - (A-04) - CHASSIS, RADIATOR AND SHEET METAL, FRONT CHANNELS AND BOLSTERS Chassis, Radiator & Sheet Metal
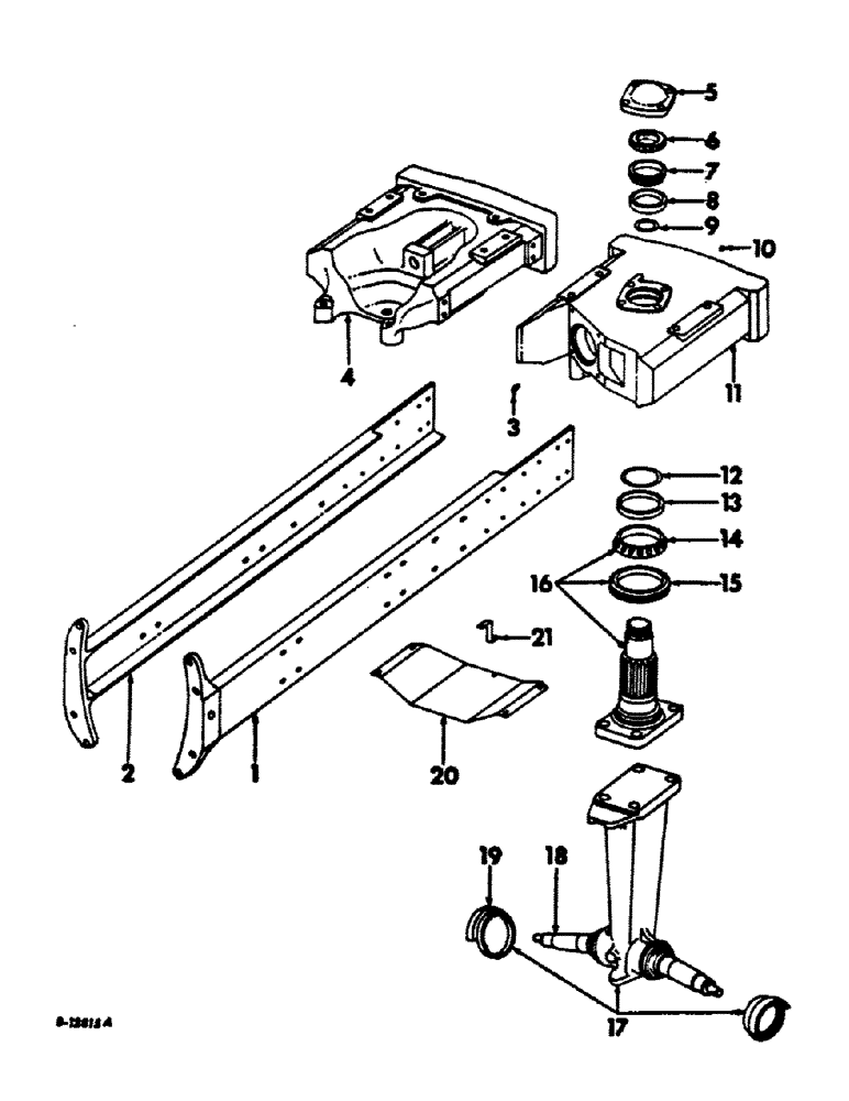
15
10
2
3
1
6
18
16
14
17
20
9
8
21
19
12
5
7
11
13
4
FIT
1:1
100%

Артикул

Название

Примечание

Количество

1

379400R11

CHANNEL ASSY, RH front frame

1шт.

525841R1

BOLT,Hex, 5/8" - 11 x 1 1/2", Gr 8

SCREW, 5/8-11 x 1-1/2 hex-hd cap

4шт.

413-1056

BOLT,Hex, 5/8" - 11 x 3-1/2", Gr 5

SCREW, 5/8-11 x 3-1/2 hex-hd cap

2шт.

379401R1

SCREW, 3/4-10 x 3-1/4 hex-hd cap

4шт.

396842R1

12 PT SCREW,Flg, 3/4" - 10 x 3 1/4"

SCREW, 3/4-10 x 3-1/4 12 PT cap

2шт.

2

379399R11

CHANNEL ASSY, LH front frame

1шт.

525841R1

BOLT,Hex, 5/8" - 11 x 1 1/2", Gr 8

SCREW, 5/8-11 x 1-1/2 hex-hd cap

4шт.

NLS

NO LONGER SERVICED

SCREW, 5/8-11 x 3-1/2 hex-hd cap

2шт.

379401R1

SCREW, 3/4-10 x 3-1/4 hex-hd cap

4шт.

396842R1

12 PT SCREW,Flg, 3/4" - 10 x 3 1/4"

SCREW, 3/4-10 x 3-1/4 12 PT cap

2шт.

3

219-53

LUBE NIPPLE,65 Degree Elbow, 3/16" NPTF

FITTING, 3/16 65 Deg angle drive type lub

1шт.

4

367057R51

BOLSTER, upper, International tractors

1шт.

5

378648R1

COVER

upper bolster pivot shaft, Farmall tractors

1шт.

179883

BOLT,Hex, 1/2" - 13 x 1 1/4", Gr 5

4шт.

6

374248R1

NUT

upper Bolster pivot shaft, Farmall tractors

1шт.

7

ST2086

BEARING ASSY,44.45mm ID x 29.9mm W

upper Bolster pivot shaft upper cone, Farmall tractors

1шт.

8

13207D

BEARING CUP,95.28mm OD x 22.35mm W

BEARING, upper Bolster pivot shaft upper cup, Farmall tractors

1шт.

9

259246R1

O-RING,0.139" Thk x 3.859" ID, -241, Cl 5, 75 Duro

3-7/8 x 4-1/8 x 1/8, Farmall tractors

1шт.

10

384803R1

PLUG, upper Boster, Farmall tractors

1шт.

11

367056R41

BOLSTER

W/BEARING, 13207D, bearing, ST981 & plug, 384803R1, upper, Farmall tractors

1шт.

12

252734R1

O-RING,0.21" Thk x 2.725" ID, -335, Cl 5, 75 Duro

2-3/4 x 3-1/8 x 3/16, Farmall tractors

1шт.

13

ST981

BEARING CONE,112.71mm OD x 19.05mm W

BEARING, upper Bolster pivot shaft lower cup, Farmall tractors

1шт.

14

ST2087

TAPERED BEARING,2.7815" ID x 4.4385" OD x 1.014"

BEARING, upper Bolster pivot shaft lower cone

1шт.

15

369380R91

OIL SEAL

upper Bolster pivot shaft oil, Farmall tractors

1шт.

16

379363R21

SHAFT

ASSY, upper Bolster pivot, Farmall tractors

1шт.

17

379989R11

BOLSTER ASSY, lower, Farmall tractors

1шт.

384195R1

12 PT SCREW,Flg, 3/4" - 10 x 2 1/4"

SCREW, 3/4-10 x 2-1/4 12 point cap

4шт.

18

370253R1

AXLE, front, Farmall tractors

1шт.

19794R1

RIVET, 5/8 x 3-3/4 rd-hd

1шт.

19

48701D

SHIELD

front wheel dust, Farmall tractors

2шт.

20

381714R1

SHIELD

fan pulley, Farmall tractors

1шт.

256873

BOLT,Hex Serr, 5/16" - 18 x 1/2", 5SPL, Full Thd

4шт.

21

(Not used)

1шт.

Выбрано товаров: 33