Запчасти Case IH 140 (08-03) - ELECTRICAL, GENERATOR AND CONNECTIONS, FOR 140 SERIES TRACTORS (06) - ELECTRICAL

Схема запчастей Case IH 140 - (08-03) - ELECTRICAL, GENERATOR AND CONNECTIONS, FOR 140 SERIES TRACTORS (06) - ELECTRICAL
2
4
3
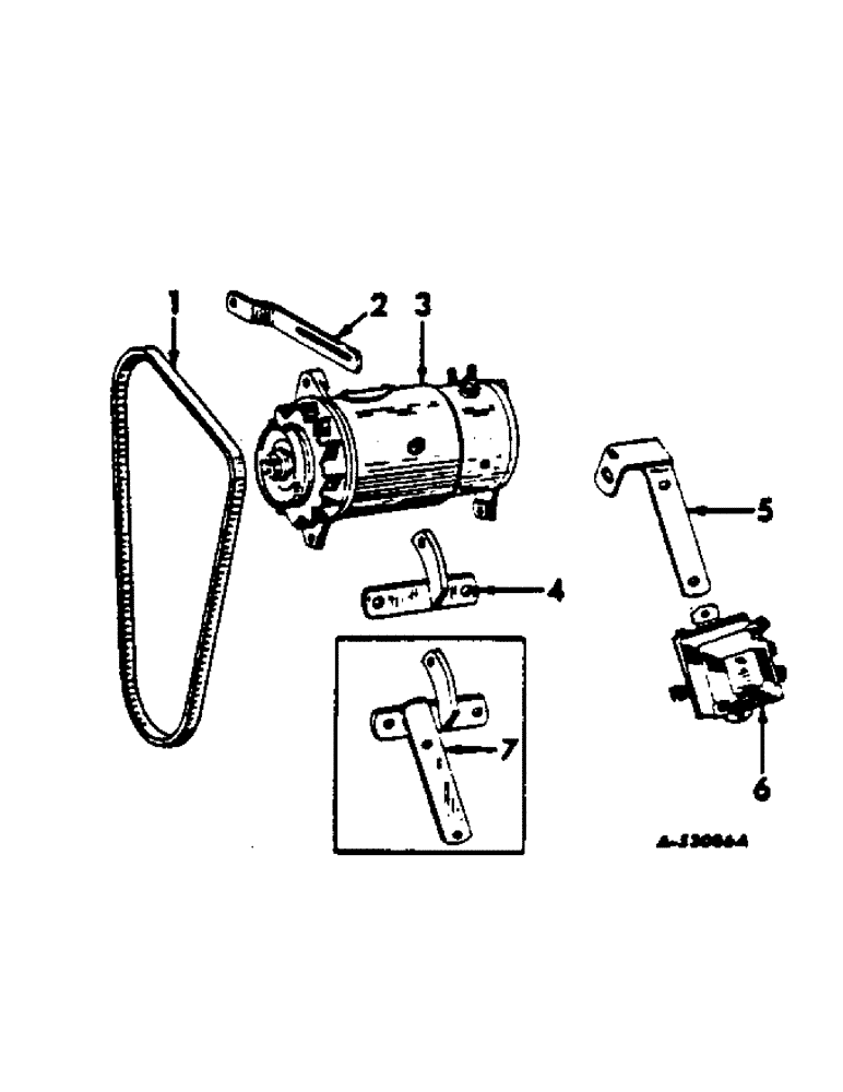
1
5
7
6
FIT
1:1
100%

Артикул

Название

Примечание

Количество

1

367697R1

V-BELT,0.38" W x 42.00" L

Generator

1шт.

2

368574R1

BRACE

BRACE, generator

1шт.

179816

BOLT,Hex, 5/16" - 18 x 3/4", Gr 5

BOLT, Hex, 5/16"-18 x 3/4", G5, Full Thd

1шт.

179817

BOLT,Hex, 5/16" - 18 x 7/8", Gr 5, Full Thd

BOLT, Hex, 5/16"-18 x 7/8", G5, Full Thd

1шт.

103320

LOCK WASHER,5/16"

WASHER, LOCK, 5/16"

3шт.

95-11034

WASHER,1/4"

WASHER, 11/32 x 11/16 x 16 ga

1шт.

280185R1

SPACER

SPACER, brace

1шт.

3

1100052

SPARE PART GENERATOR ASSY, 6 volt, 368652R92, order generator, 1100055, serial no. 26800 and below, for components see list of parts under details of generator

1шт.

3

104449A1R

REMAN-GENERATOR

Remanufactured Generator, 6 volt 35 ampere

1шт.

3

104449A1C

CORE-GENERATOR

Return Number, 6 volt 35 ampere

1шт.

3

1100409

SPARE PART GENERATOR ASSY, 12 volt, 376842R91, order generator, 1100401, serial no. 26801 and above, for components see list of parts under details of generator

1шт.

3

104019A1R

REMAN-GENERATOR

Remanufactured, Generator 12 volt 25 ampere

1шт.

3

104019A1C

CORE-GENERATOR

Return Number, Generator 12 volt 25 ampere

1шт.

9635082

NUT,5/16" - 18, Gr 5

NUT, 5/16"-18, G5

2шт.

179818

BOLT,Hex, 5/16" - 18 x 1", Gr 5

BOLT, Hex, 5/16"-18 x 1", G5, Full Thd

1шт.

179819

BOLT,Hex, 5/16" - 18 x 1 1/8", Gr 5

BOLT, Hex, 5/16"-18 x 1 1/8", G5

1шт.

103320

LOCK WASHER,5/16"

WASHER, LOCK, 5/16"

2шт.

4

368650R11

SPARE PART BRACKET, rear generator, serial no. 2582 and above

1шт.

179838

BOLT,Hex, 3/8" - 16 x 7/8", Gr 5, Full Thd

BOLT, 3/8-16 x 7/8 hex-hd cap

2шт.

93-41039

LOCK WASHER,Ext Tooth, 3/8"

WASHER, 3/8 external-tooth lock

2шт.

5

373107R11

SPARE PART BRACKET, mounting voltage regulator, serial no. 2582 and above

1шт.

6

1119575

REGULATOR

REGULATOR ASSY, voltage, 6 volt, 378121R91, serial no. 26800 and below

1шт.

6

1118999

REGULATOR

REGULATR ASSY, voltage, 12 volt, 376122R91, serial no, 26801 and above

1шт.

179791

BOLT,Hex, 1/4" - 20 x 1/2", Gr 5

BOLT, Hex, 1/4"-20 x 1/2", G5, Full Thd

2шт.

103319

LOCK WASHER,1/4"

WASHER, LOCK, 1/4"

2шт.

7

370619R91

SPARE PART BRACKET, generator and voltage regulator, serial no. 2581 and below

1шт.

179838

BOLT,Hex, 3/8" - 16 x 7/8", Gr 5, Full Thd

BOLT, 3/8-16 x 7/8 hex-hd cap

2шт.

93-41039

LOCK WASHER,Ext Tooth, 3/8"

WASHER, 3/8 external-tooth lock

2шт.

Выбрано товаров: 28