Запчасти Case IH 1456 (07-26) - DRIVE TRAIN, GEAR SHIFT MECHANISM, RANGE TRANSMISSION (04) - Drive Train

Схема запчастей Case IH 1456 - (07-26) - DRIVE TRAIN, GEAR SHIFT MECHANISM, RANGE TRANSMISSION (04) - Drive Train
19
20
18
16
2
10
17
22
15
14
9
22
12
21
8
13
4
7
1
3
7
5
6
9
11
FIT
1:1
100%

Артикул

Название

Примечание

Количество

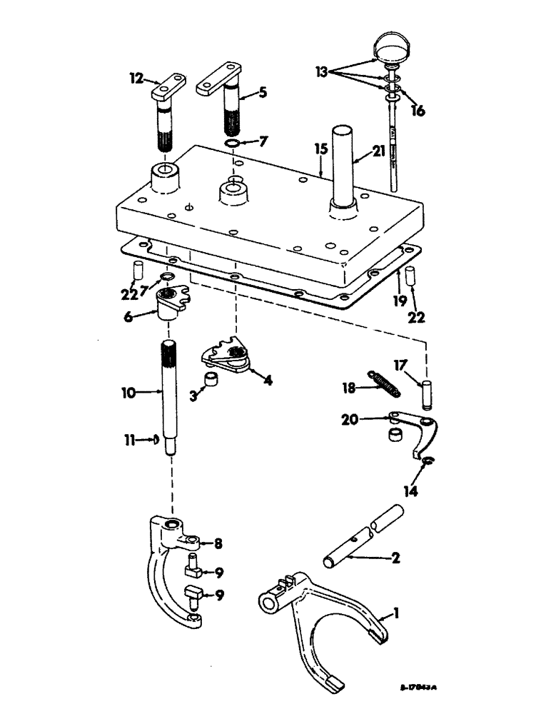
1

398279R1

FORK

hi-lo shift

1шт.

2

398280R1

PIN

hi-lo shift fork

1шт.

20648R1

BOLT,5/16" x 7/8", Gr 8

SCREW, 5/16-18 x 7/8 hex-hd cap

1шт.

114605

LOCK WASHER,Ext Tooth, 5/16"

WASHER, LOCK, Ext Tooth, 5/16"

1шт.

3

380115R2

ROLLER

detent

2шт.

4

398285R2

ARM

ASSY, hi-lo operating

1шт.

591184R1

PIN,3/16" x 1 1/4", Coiled

1шт.

5

398281R3

SHAFT

ASSY, hi-lo shift

1шт.

615168R1

WASHER

25/32 x 1-1/2 x 11 ga

1шт.

6

528183R1

SECTOR

ASSY, reverse detent plate

1шт.

591184R1

PIN,3/16" x 1 1/4", Coiled

1шт.

7

128359

O-RING,0.07" Thk x 0.614" ID, -16, Cl 5, 75 Duro

5/8 x 3/4 x 1/16

2шт.

8

380308R1

FORK

reverse shift

1шт.

9

380309R1

PAD

reverse shift fork

2шт.

19371R1

PIN,1/8" x 3/4", Coiled

2шт.

10

398297R1

SHAFT

reverse shift lower

1шт.

11

218217

KEY

3/16 x 5/8 Woodruff 61

1шт.

12

398291R3

SHAFT

ASSY, reverse shift upper

1шт.

615168R1

WASHER

23/32 x 1-1/2 x 11 ga

1шт.

13

398311R91

GAUGE

ASSY, oil level

1шт.

14

370290R1

SNAP RING,#50, .392" Dia, E-Type

Ring, Retaining, , shift control arm pivot pin #50, .392" Dia, E-Type

1шт.

15

398298R11

COVER

ASSY, rear frame front

1шт.

179847

BOLT,Hex, 3/8" - 16 x 2", Gr 5

10шт.

16

350684R1

O-RING,0.139" Thk x 0.734" ID, -210, Cl 5, 75 Duro

3/4 x 1 x 1/8

2шт.

17

398299R1

PIN

shift control pivot

1шт.

18

398304R1

SPRING

shift control arm

1шт.

19

380315R1

GASKET

rear frame front cover

1шт.

20

398300R1

ARM

ASSY, shift control

2шт.

21

386450R1

GUIDE

oil level gauge

1шт.

22

19962R1

DOWEL,3/8" x 3/4"

PIN, 3/8 x 3/4 dowel

2шт.

Выбрано товаров: 0