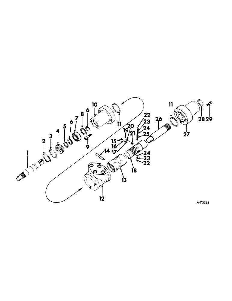
Запчасти Case IH 504 (180) - STEERING MECHANISM, POWER STEERING UNIT, FARMALL TRACTORS WITH ADJUSTABLE WIDE TREAD FRONT AXLE Steering Mechanism

Схема запчастей Case IH 504 - (180) - STEERING MECHANISM, POWER STEERING UNIT, FARMALL TRACTORS WITH ADJUSTABLE WIDE TREAD FRONT AXLE Steering Mechanism
17
10
11
24
13
6
22
28
3
14
8
29
22
6
2
20
21
9
23
16
25
26
24
27
15
12
7
11
23
1
5
19
18
4
FIT
1:1
100%

Артикул

Название

Примечание

Количество

382924R91

UNIT, hydraulic power steering

1шт.

1

382952R1

SHAFT, control end

1шт.

2

382958R1

RING, retainer retaining

1шт.

3

382418R1

O-RING,0.103" Thk x 1.299" ID, -125, Cl 5, 75 Duro

1-5/16 x 1-1/2 x 3/32, retainer

1шт.

4

382957R1

RETAINER, O-ring

1шт.

5

355965R1

O-RING,0.139" Thk x 0.921" ID, -213, Cl 5, 75 Duro

15/16 x 1-3/16 x 1/8, control end shaft

1шт.

6

382953R1

RING

bearing retainer

2шт.

7

382954R91

BEARING ASSY,0.87" ID x 1.4" OD x 0.37"

control end shaft (replaces 382965R91)

1шт.

8

382955R1

SHIM, bearing retaining ring, .005

1шт.

8

382956R1

SHIM, bearing retaining ring, .010

1шт.

9

186923

HEX SOC SCREW,1/4"-20 x 5/8"

SCREW, 1/4-20 x 5/8 hex-soc-hd cap

3шт.

10

382951R1

HOUSING, control end

1шт.

11

382781R1

O-RING,1.737" ID x 0.103" Width

1-3/4 x 1-15/16 x 3/32, housing

2шт.

12

382823R93

HOUSING ASSY, sleeve and spool, composed of (1) ball 17003R1, (1) housing (NSS), (1) seat 382974R1, (1) sleeve (NSS), (1) spool (NSS), (1) spring 382975R1

1шт.

13

NSS

NOT SOLD SEPARAT

(Not serviced separately)

1шт.

14

374524R1

PIN

shaft retaining

1шт.

15

382974R1

SEAT, valve

1шт.

16

17003R1

BALL,3/32" Dia

3/32 cr-stl

1шт.

17

382975R1

SPRING, compression

1шт.

18

NSS

NOT SOLD SEPARAT

(Not serviced separately)

1шт.

19

16008R1

BALL,1/4" Dia, Steel

1/4 cr-stl, jiggle wire guide

1шт.

20

382948R1

WIRE, jiggle

1шт.

21

382947R1

SPRING, jiggle wire

1шт.

22

382988R1

PISTON, centering, also order washer 382987R1

2шт.

23

382987R1

BACK-UP RING

WASHER, O-ring back-up

2шт.

24

363226R1

O-RING,0.07" Thk x 0.114" ID, -6, Cl 5, 75 Duro

1/8 x 1/4 x 1/16, centering piston

2шт.

25

382837R1

SPRING, centering piston

1шт.

26

382949R1

SHAFT, power end

1шт.

27

382950R1

HOUSING, power end

1шт.

28

355965R1

O-RING,0.139" Thk x 0.921" ID, -213, Cl 5, 75 Duro

15/16 x 1-3/16 x 1/8, power end shaft

1шт.

29

138202

SCREW,1/4" - 20 x 1"

1/4-20 x 1 hex-soc-hd cap

3шт.

382989R91

STRIPPER PACKAGE

PACKAGE, power steering unit O-ring service, consists of (3) O-ring 355965R1, (2) O-ring 363226R1, (1) O-ring 382418R1, (2) O-ring 382781R1, (2) washer 372987R1

1шт.

Выбрано товаров: 32