Запчасти Case IH 504 (148) - REAR FRAME AND DRIVING MECHANISMS, REAR FRAME COVER AND CONNECTIONS, INTERNATIONAL TRACTORS Rear Frame & Driving Mechanisms

Схема запчастей Case IH 504 - (148) - REAR FRAME AND DRIVING MECHANISMS, REAR FRAME COVER AND CONNECTIONS, INTERNATIONAL TRACTORS Rear Frame & Driving Mechanisms
2
3
10
14
47
4
16
33
19
31
39
43
23
22
36
34
7
20
5
6
38
41
18
17
8
28
12
24
48
29
44
9
26
15
25
30
49
15
32
37
42
14
40
35
46
27
13
1
11
45
21
FIT
1:1
100%

Артикул

Название

Примечание

Количество

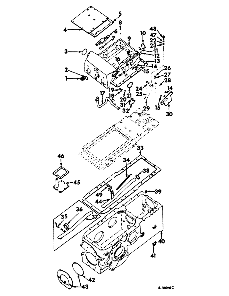
1

381196R1

PLUG, draft control shaft

1шт.

2

307915R1

O-RING,0.118" Thk x 1.475" ID, -920, Cl 6, 90 Duro

1-15/32 x 1-23/32 x 1/8, draft control shaft plug

1шт.

3

378086R1

PLUG, rockshaft core, LH

1шт.

4

376016R11

COVER ASSY, hyd unit housing

1шт.

376885R1

SCREW,Hex, 5/16" - 18 x 3/8", Nylon

5/16-18 x 3/8 nylock hex-hd cap, tractors w/deluxe cushion seat

2шт.

379757R1

SCREW, 5/16-18 x 3/4 nylock hex-hd cap

2шт.

114663

SCREW,Sl Flat Hd, 5/16" - 18 x 3/4"

5/16-18 x 3/4 f-hd mach

6шт.

179816

BOLT,Hex, 5/16" - 18 x 3/4", Gr 5

3шт.

5

376018R1

GASKET

hyd unit housing cover

1шт.

6

378030R2

FLANGE, hydraulic diverting

1шт.

Tractors w/backhoe and w/o draft control.

1шт.

179844

BOLT,Hex, 3/8" - 16 x 1 5/8", Gr 5

SCREW, 3/8-16 x 1-5/8 hex-hd cap

2шт.

103321

LOCK WASHER,3/8"

WASHER, LOCK, 3/8"

2шт.

7

364879R1

O-RING,0.103" Thk x 0.862" ID, -118, Cl 5, 75 Duro

7/8 x 1-1/16 x 3/32, hydraulic diverting flange

2шт.

Tractors w/backhoe and w/o draft control.

1шт.

8

381747R1

PLUG, hydraulic unit housing draing

1шт.

9

389524R91

HOUSING ASSY, hydraulic unit, tractors without draft control, for service replacement, also order ref nos 1, 2, 3, 16, 18, 19, 20 & 21, composed of (1) bearing 376011R11, (1) bushing 376009R1, (1) bushing 376010R1, (1) bushing 389525R1

1шт.

179840

BOLT,Hex, 3/8" - 16 x 1 1/8", Gr 5

SCREW, 3/8-16 x 1-1/8 hex-hd cap

5шт.

413-630

BOLT,Hex, 3/8" - 16 x 1-7/8", Gr 5

4шт.

179883

BOLT,Hex, 1/2" - 13 x 1 1/4", Gr 5

4шт.

10

378083R2

COVER, manifold

1шт.

179840

BOLT,Hex, 3/8" - 16 x 1 1/8", Gr 5

SCREW, 3/8-16 x 1-1/8 hex-hd cap

3шт.

103321

LOCK WASHER,3/8"

WASHER, LOCK, 3/8"

3шт.

11

356005R1

O-RING,1.109" ID x 0.139" Width

1-1/8 x 1-3/8 x 1/8, manifold cover, large

1шт.

12

355965R1

O-RING,0.139" Thk x 0.921" ID, -213, Cl 5, 75 Duro

15/16 x 1-3/16 x 1/8, manifold cover, small

1шт.

13

375577R1

GASKET

hyd unit housing

1шт.

14

381885R1

O-RING,0.103" Thk x 1.362" ID, -126, Cl 6, 90 Duro

1-3/8 x 1-9/16 x 3/32, transfer block, large

2шт.

15

381884R1

O-RING,0.103" Thk x 0.987" ID, -120, Cl 6, 90 Duro

1 x 1-3/16 x 3/32, transfer block, small

4шт.

16

378085R1

PLUG, quadrant control shaft core

1шт.

17

380375R11

TUBE ASSY, differential lubricating

1шт.

179814

SPACER

1шт.

615031R1

WASHER

3/8 x 7/8 x .083

2шт.

18

9410358

PLUG

drain

1шт.

19

364839R1

O-RING,0.078" Thk x 0.468" ID, -906, Cl 6, 90 Duro

6-1, 90 Duro, .468" ID x .078" Thk, drain plug

1шт.

20

378084R1

PLUG, eccentric shaft core

1шт.

21

378087R1

PLUG, rockshaft core RH

1шт.

22

378985R2

BACK-UP RING

relief valve backup

1шт.

23

364879R1

O-RING,0.103" Thk x 0.862" ID, -118, Cl 5, 75 Duro

7/8 x 1-1/16 x 3/32, relief valve outer

1шт.

24

383440R91

LOCK VALVE

VALVE ASSY, check

1шт.

25

296247R1

O-RING,16-1, 90 Duro, 1.171" ID x .116" Thk

1-11/64 x 1-23/64 x 3/32, return port plug

1шт.

26

9410358

PLUG

hydraulic transfer block, small

1шт.

27

364839R1

O-RING,0.078" Thk x 0.468" ID, -906, Cl 6, 90 Duro

6-1, 90 Duro, .468" ID x .078" Thk, transfer block plug

1шт.

28

381795R2

BLOCK, transfer

1шт.

29

9410363

PLUG

return port

1шт.

30

376023R3

COVER

control valve end, all tractors without auxiliary valves, tractors with auxiliary valves, Start Serial: 14034

1шт.

179850

BOLT,Hex, 3/8" - 16 x 2 3/4", Gr 5

SCREW, 3/8-16 x 2-3/4 hex-hd cap

3шт.

31

372764R1

O-RING,0.103" Thk x 1.11" ID, -122, Cl 5, 75 Duro

1-1/8 x 1-5/16 x 3/32, suction line cover

1шт.

32

381443R1

COVER, suction line

1шт.

179814

SPACER

2шт.

33

360556R2

GASKET

rear frame

1шт.

34

374959R1

TROUGH, oil

1шт.

370345R2

SCREW, trough mounting

1шт.

114607

LOCK, Ext Tooth, 7/16"

1шт.

35

368214R1

RETAINER, suction tube bracket support, Serial Range: -16239

1шт.

443321

NUT, 3/8-16 hex, lock

1шт.

Used only on tractors with forward and reverse drive.

1шт.

179837

BOLT,Hex, 3/8" - 16 x 3/4", Gr 5

1шт.

Used only on tractors with forward and reverse drive.

1шт.

3944B

SPACER, suction tube support retainer

1шт.

Used only on tractors with forward and reverse drive.

1шт.

311246R1

WASHER, suction tube support retainer

2шт.

Used only on tractors with forward and reverse drive.

1шт.

35

395129R1

ARM ASSY, suction pipe, Serial Range: 16240-16889

1шт.

443321

NUT, 3/8-16 hex. lock

1шт.

Used only on tractors with forward and reverse drive.

1шт.

179837

BOLT,Hex, 3/8" - 16 x 3/4", Gr 5

1шт.

179845

BOLT,Hex, 3/8" - 16 x 1 3/4", Gr 5

SCREW, 3/8-16 x 1-3/4 hex-hd cap

1шт.

Used only on tractors with forward and reverse drive.

1шт.

3944B

SPACER, suction tube support retainer

1шт.

Used only on tractors with forward and reverse drive.

1шт.

311246R1

WASHER, suction tube support retainer

2шт.

Used only on tractors with forward and reverse drive.

1шт.

36

370368R11

SUPPORT ASSY, suction tube bracket, Serial Range: -16239

1шт.

36

307222R1

SUPPORT, suction tube bracket, tractors with transmission driven PTO, Serial Range: -16239

1шт.

37

368210R11

TUBE ASSEMBLY, oil suction 13.32, 4.36" Length, Serial Range: -16889

1шт.

179837

BOLT,Hex, 3/8" - 16 x 3/4", Gr 5

1шт.

103321

LOCK WASHER,3/8"

WASHER, LOCK, 3/8"

1шт.

38

368548R1

RING

oil suction line quad seal

1шт.

383381R1

SPACER, suction tube quad ring

1шт.

39

48651D

DOWEL, rear frame cover

2шт.

40

375580R31

FRAME ASSY, rear, composed of (1) frame 375580R3 (NSS), (2) oil seal 380959R91, (1) pin 48651D, (1) plug 444678, (1) plug 445686, (1) plug 372350R1, (1) screw 372349R1, (1) washer Q5001, Serial Range: -19690

1шт.

40

401258R92

FRAME ASSY, rear, composed of (1) frame 396625R3 (NSS), (1) plug 372350R1, (1) screw 372349R1, (1) washer Q5001, (1) plug 444678, (1) plug 445686, (2) pin 48651D, (2) seal 380959R91, Start Serial: 19691

1шт.

445686

PLUG

3/8-18 auto. sq-hd pipe

1шт.

372350R1

PLUG, 1/2-14 automotive hex-hd pipe

1шт.

444678

PLUG

1-11-1/2 auto. sq-soc-hd pipe

1шт.

372349R1

SCREW,Hex, 1/4" - 20 x 7/16", W/ Nylon Pellet

1/4-20 x 7/16 hex-hd cap

1шт.

Q5001

WASHER

9/32 x 3/4 x 11 ga

1шт.

41

380959R91

OIL SEAL,26.67mm ID x 46.53mm OD x 6.5mm Thk

brake pedal shaft oil

2шт.

42

358842R1

RING

O-RING, 7-1/8 x 7-17/32 x 13/64, PTO opening cover

1шт.

43

358841R11

COVER ASSY, PTO opening

1шт.

179881

BOLT,1/2" - 13 x 1", Gr 5

4шт.

44

396824R1

TUBE ASSY, oil suction, Start Serial: 16890

1шт.

18253R1

LOCK NUT,3/8"-16, GB

NUT, 3/8-16 nylon insert hex

1шт.

45

376040R11

COVER ASSY, hyd unit housing bottom

1шт.

179814

SPACER

8шт.

103320

LOCK WASHER,5/16"

WASHER, LOCK, 5/16"

8шт.

46

376983R1

GASKET

hyd unit housing bottom cover

1шт.

47

383219R1

O-RING,0.924" ID x 0.103" Width

15/16 x 1-1/8 x 3/32, relief valve inner

1шт.

48

389033R92

VALVE

ASSY, pilot operated relief, 1600 PSI, for components see list of parts under details of pilot relief valve

1шт.

49

388139R1

SUPPORT, oil suction tube, Start Serial: 16890

1шт.

NLS

NO LONGER SERVICED

1шт.

Выбрано товаров: 0