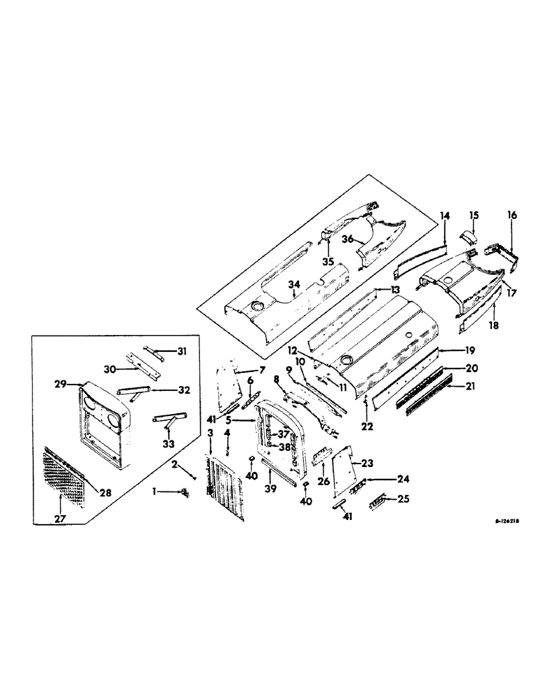
Запчасти Case IH 504 (264) - SHEET METAL, GRILLES AND FENDERS, HOOD AND RADIATOR GRILLE Sheet Metal, Grilles & Fenders

Схема запчастей Case IH 504 - (264) - SHEET METAL, GRILLES AND FENDERS, HOOD AND RADIATOR GRILLE Sheet Metal, Grilles & Fenders
38
1
26
2
23
36
22
35
3
5
28
27
25
41
11
40
33
12
16
24
34
39
17
21
15
41
18
30
40
7
31
29
9
37
4
6
20
19
10
8
32
14
13
FIT
1:1
100%

Артикул

Название

Примечание

Количество

1

2751844R1

PRODUCT GRAPHIC

S, IH emblem, die cast, optional with 2751846R1

1шт.

155097

SCREW, 10-24 x 5/16 rd-hd cr-rec mach

2шт.

147794

SCREW, 10-24 x 1/2 cr-rec-rd-hd mach, industrial tractors

2шт.

495-21019

WASHER,#8

3/16 x 7/16 x .049 cd-pltd

2шт.

1

2751846R1

EMBLEM CASE/IH

PRODUCT GRAPHICS, IH emblem, plastic, optional with 2751844R1

1шт.

385129R1

SCREW,Sl Rnd Hd, #10 - 16 x 3/8"

10-16 x 3/8 thd cutting

2шт.

385130R1

SCREW, 10-16 x 9/16 thd cutting, industrial tractors

2шт.

395-31022

WASHER,#10

3/16 x 7/16 x .049 C-Z

2шт.

2

376786R1

SCREW,Sl Hex Wshr Hd, 5/16" - 18 x 0.75"

5/16-18 x 3/4 slt-hex washer hd cap

2шт.

3

377529R11

GRILLE ASSY, radiator

1шт.

3

377533R11

GRILLE ASSY, radiator, International tractors w/electric lighting

1шт.

4

376787R1

WASHER

RETAINER, slt-hd cap screw

2шт.

5

376788R11

FRAME

HOUSING ASSY, radiator grill

1шт.

131-883

SPRING NUT,Rtnr, 5/16" - 18

5/16-18 floating cage

2шт.

6

377532R91

BRACKET ASSY, RH grill side panel

1шт.

179833

BOLT,Hex, 3/8" - 16 x 1/2", Gr 5, Full Thd

2шт.

7

377130R11

PANEL ASSY, grill side RH, Farmall tractors, order panels 377130R21 & 377129R21

1шт.

7

377130R21

PANEL ASSY, grill side RH, Farmall tractors

1шт.

7

376793R11

PANEL ASSY, grill side RH, International tractors

1шт.

131-883

SPRING NUT,Rtnr, 5/16" - 18

5/16-18 floating cage

1шт.

369222R1

BOLT,Hex Wshr Hd, 5/16" - 18 x 5/8"

SCREW, 5/16-18 x 5/8 hex, washer hd cap

3шт.

368175R1

BUMPER

grill side panel

1шт.

8

376790R91

SUPPORT ASSY, hood grill housing

1шт.

131-883

SPRING NUT,Rtnr, 5/16" - 18

5/16-18 floating cage

4шт.

110633

NUT,#10-24

4шт.

9

377099R1

BAFFLE, radiator top, Farmall tractors

1шт.

9

377144R1

BAFFLE, radiator top, International tractors

1шт.

110633

NUT,#10-24

4шт.

10

370181R1

GASKET

radiator top baffle

1шт.

11

369180R1

PRODUCT GRAPHIC

ORNAMENT, hood

1шт.

11

369180R1GV

DECAL

Value, Ornament, Hood

1шт.

423324

SCREW,Hex L/Wshr Hd, #10-24 x 7/16"

10-24 x 7/16 hex-hd mach w/est tooth lock washer

2шт.

12

377125R11

HOOD ASSY, Farmall gasoline & diesel engine tractors

1шт.

12

376782R11

HOOD ASSY, International gasoline engine tractors

1шт.

12

376783R11

HOOD ASSY, International diesel engine tractors

1шт.

12

377198R11

HOOD ASSY, International gasoline engine tractors w/vertical exhaust

1шт.

12

380627R11

HOOD ASSY, International diesel engine tractors w/vertical exhaust

1шт.

369222R1

BOLT,Hex Wshr Hd, 5/16" - 18 x 5/8"

SCREW, 5/16-18 c 5/8 hex, washer hd cap, 6 used on International gasoline engine tractors

8шт.

256873

BOLT,Hex Serr, 5/16" - 18 x 1/2", 5SPL, Full Thd

International gasoline engine tractors only Hex Flg, 5/16"-18 x 1/2", Serr

2шт.

13

377128R1

PANEL, front hood side RH, Farmall tractors

1шт.

376787R1

WASHER

RETAINER, cap screw

2шт.

381052R1

BOLT,Sl Hex Wshr Hd, 5/16" - 18 x 5/8"

SCREW, 5/16-18 x 5/8 slt hex, washer hd cap

1шт.

376786R1

SCREW,Sl Hex Wshr Hd, 5/16" - 18 x 0.75"

5/16-18 x 3/4 slt hex, washer hd cap

1шт.

13

376785R1

PANEL, front hood side RH, International tractors

1шт.

376787R1

WASHER

RETAINER, cap screw

2шт.

389872R1

THUMB SCREW,Knurled Head, 5/16"-18 x 3/4"

SCREW, side panel

2шт.

14

376798R11

PANEL ASSY, instrument side RH

1шт.

369222R1

BOLT,Hex Wshr Hd, 5/16" - 18 x 5/8"

SCREW, 5/16-18 x 5/8 hex, washer hd cap

1шт.

15

369268R11

CHANNEL ASSY, instrument panel housing

1шт.

16

376799R11

PANEL ASSY, instrument lower rear

1шт.

369916R2

SCREW,Hex Wshr Hd, #10 - 24 x 7/16"

10-24 x 7/16 hex, washer hd cap

8шт.

17

376809R11

HOUSING ASSY, instrument panel, Farmall gasoline & diesel engine tractors, International gasoline & diesel engine tractors w/side headlights

1шт.

17

376796R11

HOUSING ASSY, instrument panel, International gasoline & diesel engine tractors & Farmall tractors with deluxe flat top fenders and adjustable headlights

1шт.

131-883

SPRING NUT,Rtnr, 5/16" - 18

5/16-18 floating cage

2шт.

369916R2

SCREW,Hex Wshr Hd, #10 - 24 x 7/16"

10-24 x 7/16 hex, washer hd cap

8шт.

369222R1

BOLT,Hex Wshr Hd, 5/16" - 18 x 5/8"

SCREW, 5/16-18 x 5/8 hex, washer hd cap

4шт.

18

376797R11

PANEL ASSY, instrument side LH

1шт.

369222R1

BOLT,Hex Wshr Hd, 5/16" - 18 x 5/8"

SCREW, 5/16-18 x 5/8 hex, washer hd cap

1шт.

19

377127R1

PANEL, front hood side LH, Farmall tractors

1шт.

376787R1

WASHER

RETAINER, cap screw

2шт.

381052R1

BOLT,Sl Hex Wshr Hd, 5/16" - 18 x 5/8"

SCREW, 5/16-18 x 5/8 slt hex, washer hd cap

1шт.

376786R1

SCREW,Sl Hex Wshr Hd, 5/16" - 18 x 0.75"

5/16-18 x 3/4 slt hex, washer hd cap

1шт.

19

376784R1

PANEL, front hood side LH, International tractors

1шт.

376787R1

WASHER

RETAINER, cap screw

2шт.

389872R1

THUMB SCREW,Knurled Head, 5/16"-18 x 3/4"

SCREW, side panel

2шт.

20

377796R1

PRODUCT GRAPHIC

McCormick Farmall name plate

2шт.

370786R1

FASTENER

tubular clip

14шт.

21

377797R1

DECAL

PRODUCT GRAPHIC, International name plate

2шт.

370786R1

FASTENER

tubular clip

14шт.

22

369173R1

SPRING

hood panel

4шт.

110633

NUT,#10-24

4шт.

23

377129R11

PANEL ASSY, grill side LH, Farmall tractors, order panels 377129R21 & 377130R11

1шт.

23

377129R21

PANEL ASSY, grill side LH, Farmall tractors

1шт.

23

376792R11

PANEL ASSY, grill side LH, International tractors

1шт.

131-883

SPRING NUT,Rtnr, 5/16" - 18

5/16-18 floating cage

1шт.

369222R1

BOLT,Hex Wshr Hd, 5/16" - 18 x 5/8"

SCREW, 5/16-18 x 5/8 hex, washer hd cap

3шт.

368175R1

BUMPER

grill side panel

1шт.

24

378075R1

PRODUCT GRAPHIC

PLATE, 504 model symbol

2шт.

24

378109R1

PLATE, 504 LP gas model symbol

2шт.

24

378108R1

PLATE, 504 diesel model symbol

2шт.

24

380760R1

PLATE, 504 hi-clear model symbol

2шт.

24

380762R1

PLATE, LP gas hi-clear model symbol

1шт.

24

380761R1

PLATE, 504 diesel hi-clear model symbol

2шт.

370786R1

FASTENER

tubular clip

4шт.

25

378533R1

PLATE, 2504 model symbol

2шт.

25

380656R1

PLATE, 2504 diesel model symbol

2шт.

370786R1

FASTENER

tubular clip

4шт.

26

377532R91

BRACKET ASSY, LH grill side panel, Farmall tractors

1шт.

377449R1

BAFFLE, radiator lower side

1шт.

26

377131R11

BRACKET ASSY, LH grill side panel, International tractors

1шт.

179833

BOLT,Hex, 3/8" - 16 x 1/2", Gr 5, Full Thd

2шт.

27

375243R1

GRILLE, radiator guard

1шт.

386451R1

SCREW,Hex Wshr Hd, 5/16" - 18 x 1"

5/16-18 x 1 hex, washer hd cap

4шт.

28

378518R1

PLATE, name, industrial

1шт.

398310R1

SCREW, industrial name plate mtg

3шт.

29

375242R1

GUARD, radiator

1шт.

179885

BOLT,Hex, 1/2" - 13 x 1 1/2", Gr 5

2шт.

413-840

BOLT,Hex, 1/2" - 13 x 2-1/2", Gr 5

SCREW, 1/2-13 x 2-1/2 hex-hd cap

2шт.

395-11053

WASHER,0.53" ID x 1.06" OD x 0.1" Thk

17/32 x 1-1/16 x .095

4шт.

30

375246R1

BRACKET, headlight mounting

1шт.

179844

BOLT,Hex, 3/8" - 16 x 1 5/8", Gr 5

SCREW, 3/8-16 x 1-5/8 hex-hd cap

2шт.

31

375244R11

SUPPORT ASSY, hood top front

1шт.

179810

SCREW,Hex, 5/16" - 18 x 3/8", Gr 5, Full Thd

BOLT, Hex, 5/16"-18 x 3/8", G5, Full Thd

1шт.

32

378520R91

BRACE ASSY, radiator guard RH

1шт.

179885

BOLT,Hex, 1/2" - 13 x 1 1/2", Gr 5

1шт.

33

378519R91

BRACE ASSY, radiator guard LH

1шт.

179885

BOLT,Hex, 1/2" - 13 x 1 1/2", Gr 5

1шт.

34

377526R11

HOOD ASSY, Farmall LP gas engine tractors

1шт.

34

376126R11

HOOD ASSY, International LP gas engine tractors

1шт.

369222R1

BOLT,Hex Wshr Hd, 5/16" - 18 x 5/8"

SCREW, 5/16-18 x 5/8 hex, washer hd cap

8шт.

35

377528R11

HOUSING ASSY, instrument panel RH, Farmall LP gas engine tractors

1шт.

35

372398R11

HOUSING ASSY, instrument panel RH, International LP gas engine tractors

1шт.

187309

PLUG, 1-1/8 button, Farmall LP gas tractors w/deluxe flat top fenders and adjustable head lights

1шт.

369916R2

SCREW,Hex Wshr Hd, #10 - 24 x 7/16"

10-24 x 7/16 hex, washer hd cap

4шт.

369222R1

BOLT,Hex Wshr Hd, 5/16" - 18 x 5/8"

SCREW, 5/16-18 x 5/8 hex, washer hd cap

2шт.

36

377527R11

HOUSING ASSY, instrument panel LH, Farmall LP gas engine tractors

1шт.

36

372397R11

HOUSING ASSY, instrument panel LH, International LP gas engine tractors

1шт.

187309

PLUG, 1-1/8 button, Farmall LP gas tractors w/deluxe flat top fenders and adjustable head lights

1шт.

369916R2

SCREW,Hex Wshr Hd, #10 - 24 x 7/16"

10-24 x 7/16 hex, washer hd cap

4шт.

369222R1

BOLT,Hex Wshr Hd, 5/16" - 18 x 5/8"

SCREW, 5/16-18 x 5/8 hex, washer hd cap

2шт.

37

384210R1

GASKET, radiator baffle upper

2шт.

38

384209R1

GASKET, radiator baffle lower

2шт.

39

385631R1

SEAL

GASKET, radiator baffle bottom

1шт.

40

391544R1

GASKET, radiator grille housing lower side, Farmall tractors 11880 up

2шт.

41

391545R1

GASKET, grill side panel, Farmall tractors 11880 up

2шт.

41

391537R1

GASKET, grill side panel, International tractors 12322 up

2шт.

Выбрано товаров: 126