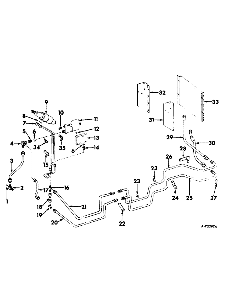
Запчасти Case IH 504 (172) - STEERING MECHANISM, POWER STEERING, FARMALL TRACTORS WITH 1/2 INCH OD TUBING Steering Mechanism

Схема запчастей Case IH 504 - (172) - STEERING MECHANISM, POWER STEERING, FARMALL TRACTORS WITH 1/2 INCH OD TUBING Steering Mechanism
21
18
20
3
33
26
10
13
15
12
1
24
6
7
35
29
23
14
4
25
16
11
31
34
17
9
2
30
23
19
8
27
22
28
5
32
6
FIT
1:1
100%

Артикул

Название

Примечание

Количество

377223R93

ACCESSORIES

PARTS ACCESSORY, power steering, carbureted engine tractors

1шт.

380594R93

PARTS ACCESSORY, power steering, diesel engine tractors

1шт.

1

217-430

PLUG,Hex Soc, 1/8" - 27 NPTF

1/8 sq-hd filler

1шт.

2

382762R1

ELBOW, rear frame

1шт.

3

382760R11

TUBE ASSY, flow divider to rear frame

1шт.

4

382761R1

ELBOW, flow divider

1шт.

5

382449R1

CONNECTOR, ELEC

CONNECTOR, flow divider elbow

1шт.

6

364839R1

O-RING,0.078" Thk x 0.468" ID, -906, Cl 6, 90 Duro

6-1, 90 Duro, .468" ID x .078" Thk, connector

2шт.

7

379865R91

MANIFOLD

ASSY, power steering

1шт.

179820

BOLT,Hex, 5/16" - 18 x 1 1/4", Gr 5

2шт.

103320

LOCK WASHER,5/16"

WASHER, LOCK, 5/16"

2шт.

8

355966R1

O-RING,0.424" ID x 0.103" Width

7/16 x 5/8 x 3/32, power steering manifold

2шт.

9

373069R94

PUMP

UNIT, power steering, for components see list of parts under details of power steering unit

1шт.

379324R2

SCREW,5/16" -18 x 3 3/8", w/ Nylon Pellet

5/16-18 x 3-3/8 twelve pt cap

3шт.

10

382235R1

PLUG, flow divider

1шт.

11

386910R91

VALVE ASSY, flow divider, will work for 392665R91, for components see list of parts under details of power steering flow divider valve

1шт.

179848

BOLT,Hex, 3/8" - 16 x 2 1/4", Gr 5

3шт.

12

369908R1

O-RING,0.103" Thk x 0.799" ID, -117, Cl 5, 75 Duro

13/16 x 1 x 3/32 flow divider cover, 2 used with cover 379855R1

1шт.

13

379855R1

COVER, flow divider, Serial Range: 501-6076

1шт.

13

382470R1

COVER, flow divider, 6077 up

1шт.

NLS

NO LONGER SERVICED

2шт.

14

9410202

HYD CONNECTOR,9/16"-18, 37 Degree x 9/16"-18, O-Ring

CONNECTOR, power steering pressure tube

1шт.

15

382763R1

BRACKET, power steering tubes

1шт.

179820

BOLT,Hex, 5/16" - 18 x 1 1/4", Gr 5

1шт.

16

382764R1

TEE, power steering to oil cooler tube

1шт.

17

382759R11

TUBE ASSY, flow divider to relief valve

1шт.

18

383887R92

PIPE FITTING

VALVE ASSY, oil cooler relief

1шт.

19

9402982

TEE,3/4"-16, 37 Degree

oil cooler relief valve to flow divider tube

1шт.

20

382770R11

TUBE ASSY, oil cooler return rear

1шт.

21

382766R11

TUBE ASSY, power steering to oil cooler rear

1шт.

22

382772R11

BRACKET ASSY, oil cooler tube engine mounting rear

1шт.

23

381448R1

CLAMP

oil cooler tubes

2шт.

413-412

BOLT,Hex, 1/4" - 20 x 3/4", Gr 5

SCREW, 1/4-20 x 3/4 hex-hd cap

2шт.

24

382417R11

BRACKET ASSY, oil cooler tube engine mounting front, diesel engine tractors

1шт.

24

381449R11

BRACKET ASSY, oil cooler tube engine mounting front, carbureted engine tractors

1шт.

25

382769R11

TUBE ASSY, oil cooler return front

1шт.

26

382765R11

TUBE ASSY, power steering to oil cooler front

1шт.

27

381448R1

CLAMP

oil cooler tubes front bracket

1шт.

109084

NUT,1/4"-20, G5

1шт.

179797

BOLT,Hex, 1/4" - 20 x 1", Gr 5

1шт.

28

380780R1

BRACKET, oil cooler tube front

1шт.

179837

BOLT,Hex, 3/8" - 16 x 3/4", Gr 5

2шт.

29

382445R91

HOSE ASSY, oil cooler inlet

1шт.

30

382768R91

HOSE ASSY, oil cooler outlet

1шт.

31

380710R11

BRACKET ASSY, oil cooler RH

1шт.

32

380709R11

BRACKET ASSY, oil cooler LH

1шт.

33

380485R91

COOLER ASSY, oil

1шт.

377681R1

SCREW, 5/16-18 x 3/8 slt-hex, washer hd cap

1шт.

34

369758R1

CLAMP

rear manifold

1шт.

413-412

BOLT,Hex, 1/4" - 20 x 3/4", Gr 5

SCREW, 1/4-20 x 1/2 hex-hd cap

1шт.

35

369758R11

CLAMP ASSY, power steering tubes

1шт.

378395R1

CAP

steering wheel monogrammed

1шт.

9410205

HYD CONNECTOR,1 1/16"-12, 37 Degree x 1 1/16"-12, O-Ring

CONNECTOR, flow divider to transfer block tube, illustrated with hydraulic power supply

1шт.

379856R91

HOSE,19.05mm ID x 482.6mm L, SAE 100R2

ASSY, pump pressure, illustrated with hydraulic power supply

1шт.

368269R1

O-RING,0.116" Thk x 0.924" ID, -912, Cl 6, 90 Duro

59/64 x 1-1/16 x 7/64, illustrated with hydraulic power supply

1шт.

369908R1

O-RING,0.103" Thk x 0.799" ID, -117, Cl 5, 75 Duro

pressure hose flange, illustrated with hydraulic power supply

1шт.

21249D

PIN

power steering rear yoke

1шт.

379857R91

HYD TUBE

TUBE ASSY, flow divider to transfer block, illustrated with hydraulic power supply

1шт.

373237R1

YOKE

power steering rear

1шт.

Выбрано товаров: 59