Запчасти Case IH 656 (G-34) - ELECTRICAL SYSTEM, CAB WIRING AND CONNECTIONS, FARMALL TRACTORS WITH SERIAL NO. 31137 AND BELOW (06) - ELECTRICAL SYSTEMS

Схема запчастей Case IH 656 - (G-34) - ELECTRICAL SYSTEM, CAB WIRING AND CONNECTIONS, FARMALL TRACTORS WITH SERIAL NO. 31137 AND BELOW (06) - ELECTRICAL SYSTEMS
33
37
28
4
13
30
8
14
9
5
12
10
5
29
3
2
21
34
5
11
18
27
20
32
15
31
5
14
25
35
1
16
19
17
24
7
26
22
5
2
23
6
36
FIT
1:1
100%

Артикул

Название

Примечание

Количество

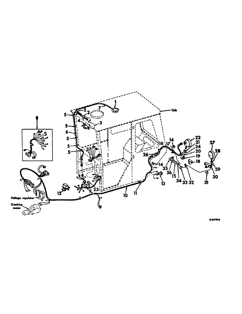
1

404150R91

LIGHT ASSY, cab dome, only serviceable items are bulb, 142456 and lens, 336853R1

1шт.

125932

SELF-TAP SCREW,Sl Pan Hd, #8 x 1/2"

SCREW, SELF TAPPING, Slotted Pan Hd, #8 x 1/2"

3шт.

153022

SCREW, 6-32 x 5/8 C-Z cr-rec-fil-hd mach

3шт.

2

299406C1

CLAMP,7/16", Insul, 3/8" Bolt

power supply cable harness

2шт.

3

391791R91

CABLE ASSY, wiper motor

1шт.

145193

BATTERY

10-16 x 1/2 C-Z slt-pan-hd tap

1шт.

178378

LOCK WASHER,Ext-Int Tooth, #10

WASHER, no. 10 C-Z int-ext tooth lock

1шт.

4

MOTOR ASSY, windshield wiper, for components, see list of parts under detail of windshield wiper motor section N

1шт.

5

299405C1

CLAMP,7/16", Insul, 1/4" Bolt

cable harness

5шт.

441201

SCREW, 12-14 x 1/2 C-Z slt-pan-hd tap.

5шт.

6

391790R91

HARNESS ASSY, power supply cable

1шт.

7

299405C1

CLAMP,7/16", Insul, 1/4" Bolt

cable harness

1шт.

145200

SCREW, 12-14 x 5/8 C-Z slt-pan-hd tap.

1шт.

8

395341R1

HARNESS ASSY, RH panel cable

1шт.

8

395342R1

HARNESS ASSY, RH panel cable, tractors w/cab installed at the factory

1шт.

9

395343R1

HARNESS ASSY, cab power supply cable

1шт.

10

HARNESS ASSY, rear main cable, carbureted engine tractors, refer to starting and lighting listing

1шт.

10

HARNESS ASSY, rear main cable, diesel engine tractors, refer to starting and lighting listing

1шт.

11

384558R1

CLIP

rear main cable harness, on LH rear hyd housing bolt

1шт.

12

1115841

RELAY

electric load, 202303R91

1шт.

157716

SCREW, 1/4-20 x 1/2 C-Z slt-hd-truss mach

2шт.

174916

LOCK WASHER,Ext-Int Tooth, 1/4"

WASHER, 1/4 C-Z int-ext tooth lock

1шт.

120375

NUT,Hex, 1/4" - 20, Gr 5

2шт.

13

370378R91

SOCKET

ASSY, electrical breakaway connector

1шт.

120375

NUT,Hex, 1/4" - 20, Gr 5

2шт.

413-410

BOLT,Hex, 1/4" - 20 x 5/8", Gr 5

SCREW, 1/4-20 x 5/8 C-Z hex-hd cap

4шт.

492-11025

LOCK WASHER,1/4"

WASHER, LOCK, 1/4"

4шт.

14

42731H

GROMMET

cab power supply cable harness rubber

2шт.

15

394132R91

FLASHER UNIT

FLASHER, safety warning light

1шт.

16

392121R1

CLIP, rear light extension cable, mount on inside rear of cab

1шт.

17

362121R1

CLIP

rear light extension cable harness, mount on inside rear of cab

1шт.

120375

NUT,Hex, 1/4" - 20, Gr 5

1шт.

440-12510

SCREW,Cross Pan Hd, 1/4"-20 x 5/8"

1/4-20 x 5/8 C-Z slt-truss-hd

1шт.

492-11025

LOCK WASHER,1/4"

WASHER, LOCK, 1/4"

1шт.

18

391157R11

BRACKET ASSY, rear light

1шт.

80681

LOCK WASHER,5/16"

WASHER, LOCK, 5/16"

2шт.

326-512

BOLT,Hex, 5/16" - 18 x 3/4", Gr 8

SCREW, 5/16-18 x 3/4 C-Z slt-truss hd mach

2шт.

120376

NUT,5/16"-18, G5

2шт.

19

350920R1

CLAMP

combination rear light

1шт.

120378

NUT,Hex, 1/2" - 13, Gr 5

NUT, 1/2"-13, G5

1шт.

20

370820R1

CLIP

rear light extension cable harness, on lamp stud under spacer

1шт.

21

365503R1

SPACER

combination rear light

1шт.

22

387729R91

LIGHT

ASSY, combination rear and tail, only serviceable items are lamp, 455490 and unit, 371461R91, tractors with shockproof lights

1шт.

23

42731H

GROMMET

cab power supply cable harness rubber

1шт.

24

391192R91

HARNESS ASSY, rear light extension

1шт.

25

362120R1

CLAMP,9.53mm ID, 10.32mm Bolt Hole, P Type

CLIP, cab power supply cable harness, on LH front steering gear housing mounting bolt

1шт.

26

266516C1

CONNECTOR, ELEC

CONNECTOR, rear light extension cable

1шт.

27

394129R91

LIGHT

ASSY, flashing warning, only serviceable items are lamp, 9447866 and lens, Guide, 396585R1 or lens, Dietz, 899280R1

1шт.

120371

NUT,1/2"-20, G5

1шт.

135659

SHEET METAL

WASHER, 1/2 C-Z ext-tooth lock

1шт.

28

394262R1

WASHER

GASKET, flashing warning light

1шт.

29

394466R1

BRACKET, flashing warning light

1шт.

NLS

NO LONGER SERVICED

NUT, 7/16-14 C-Z hex.

1шт.

180143

SCREW,Hex, 7/16" - 14 x 3/4"

7/16-14 x 3/4 C-Z hex-hd cap

1шт.

136857

WASHER,Ext Tooth, 7/16"

7/16 C-Z ext-tooth lock

2шт.

30

358986R1

CABLE CLIP

CLIP, flashing light cable terminal

1шт.

31

1203032

GROMMET, flashing light cable, fender

1шт.

32

366460R1

CABLE CLIP

CLIP, flashing light cable

1шт.

33

120408

GROMMET,1/2" ID x 1 1/16" x .188", Diag Cut

flashing light cable, cab

1шт.

34

394467R91

CABLE ASSY, flashing light

1шт.

35

394133R1

FASTENER

BRACKET, flasher mounting

1шт.

36

394134R1

SEAL

ABSORBER, flasher mounting

1шт.

37

404151R1

CABLE ASSY, dome light extension

1шт.

Выбрано товаров: 63