Запчасти Case IH 656 (F-02) - HYDRAULICS, HYDRAULIC POWER SUPPLY, FARMALL GEAR DRIVE TRACTORS (07) - HYDRAULIC SYSTEM

Схема запчастей Case IH 656 - (F-02) - HYDRAULICS, HYDRAULIC POWER SUPPLY, FARMALL GEAR DRIVE TRACTORS (07) - HYDRAULIC SYSTEM
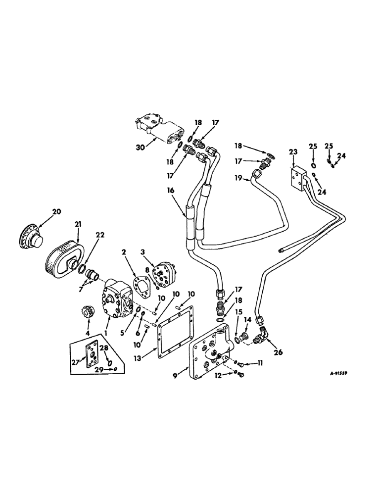
7
10
26
12
20
17
25
14
9
16
22
17
18
1
25
5
28
6
18
10
24
11
4
13
10
19
18
10
27
17
18
17
29
21
23
8
15
2
3
30
24
FIT
1:1
100%

Артикул

Название

Примечание

Количество

1

374483R96

PUMP

ASSY, hydraulic gear, 12 GPM, Thompson, for components see list of parts under details of hydraulic pump, optional with 373964R94, Serial Range: -13011

1шт.

1

1949296C1

REMAN-HYD PUMP

Remanufactured HYDRAULIC PUMP

1шт.

1

1949297C1

CORE-HYDRAULIC PUMP

Return No, HYDRAULIC PUMP

1шт.

1

527755R91

PUMP

ASSY, hydraulic gear, 17 GPM, will work for 370880R94, Thompson, for components see list of parts under details of hydraulic pump, optional with 373966R94, Start Serial: 13012

1шт.

52999D

WASHER

GASKET, pump mounting screw

4шт.

179862

BOLT,Hex, 7/16" - 14 x 1 1/2", Gr 5

SCREW, 7/16-14 x 1-1/2 hex-hd cap

4шт.

1

373964R94

PUMP

ASSY, hydraulic gear, 12 GPM, Cessna, for components see list of parts under details of hydraulic pump, optional with 374483R96, Serial Range: -13011

1шт.

1

373966R94

HYDRAULIC PUMP

PUMP ASSY, hydraulic gear, 17 GPM, Cessna, for components see list of parts under details of hydraulic pump, optional with 527755R91, Start Serial: 13012

1шт.

1

1949292C1

REMAN-HYD PUMP

Remanufactured HYDRAULIC PUMP

1шт.

1

1949293C1

CORE-HYDRAULIC PUMP

Return No, HYDRAULIC PUMP

1шт.

52999D

WASHER

GASKET, pump mounting screw

4шт.

NLS

NO LONGER SERVICED

SCREW, 7/16-14 x 1-1/2 hex-hd cap

4шт.

2

371543R2

GASKET

hydraulic gear pump, tractors with draft control

1шт.

3

381115R92

PUMP

ASSY, hydraulic gear, 7 GPM, Thompson, for components see list of parts under details of hydraulic pump, tractors with draft control, Serial Range: -13011

1шт.

371803R1

BOLT,Hex, 3/8" - 16 x 2 1/2"

SCREW, 3/8-16 x 2-1/2 hex-hd cap

4шт.

3

391351R93

HYDRAULIC PUMP

PUMP ASSY, hyd gear, 9 GPM, Cessna, for components see list of parts under details of hydraulic pump, optional with 395229R92, tractors with draft control, Start Serial: 13012

1шт.

3

1949290C1

REMAN-HYD PUMP

Reman For New PN 391351R93

1шт.

3

1949291C1

CORE-HYDRAULIC PUMP

Return Number

1шт.

179849

BOLT,Hex, 3/8" - 16 x 2 1/2", Gr 5

4шт.

3

395229R92

PUMP

ASSY, hyd gear, 9 GPM, Thompson, for components see list of parts under details of hydraulic pump, optional with 391351R93, tractors with draft control, Start Serial: 13012

1шт.

3

1949290C1

REMAN-HYD PUMP

Reman for new P/N 395229R92

1шт.

3

1949291C1

CORE-HYDRAULIC PUMP

Return Number

1шт.

179849

BOLT,Hex, 3/8" - 16 x 2 1/2", Gr 5

4шт.

4

373711R1

PINION

GEAR, pump drive, 15 teeth, tractors with hi-capacity power supply but with out 1000 RPM independent PTO, Serial Range: -13011

1шт.

4

393471R1

GEAR

pump drive, 21 teeth, all tractors except those with 1000 RPM independent PTO, Start Serial: 13012

1шт.

4

389148R1

GEAR, pump drive, 17 teeth, tractors w/1000 RPM independent PTO and hi-capacity power supply, Serial Range: -15375

1шт.

4

39351R1

GEAR, pump drive, 26 teeth, tractors w/1000 RPM independent PTO, tractors with hi-capacity power supply and with out independent PTO, Start Serial: 15376

1шт.

19263R1

LOCK NUT,Hex, 5/8" - 18

NUT, 5/8-18 ESNA stop, pump drive shaft

1шт.

5

254691R1

O-RING,-211, 70 Duro, .796" ID x .139" Thk

13/16 x 1-1/16 x 1/8, pump pressure port large

1шт.

6

352221R1

O-RING,0.103" Thk x 0.549" ID, -113, Cl 5, 75 Duro

9/16 x 3/4 x 3/32, pump pressure port small

1шт.

7

395334R91

TUBE

PACKAGE, pump suction tube service, all tractors except those with 1000 RPM independent PTO

1шт.

7

395335R92

TUBE

PACKAGE, pump suction tube service, tractors with 1000 RPM independent PTO

1шт.

8

371544R1

O-RING,0.07" Thk x 0.551" ID, -15, Cl 5, 75 Duro

9/16 x 11/16 x 1/16

1шт.

9

388404R21

FLANGE ASSY, pump mounting, tractors with hi-capacity power supply but without 1000 RPM independent PTO, serial no. 13011 & below

1шт.

9

389149R92

FLANGE ASSY, pump mounting, tractors w/1000 RPM independent PTO and hi-capacity power supply, Serial Range: -15375

1шт.

NLS

NO LONGER SERVICED

10шт.

103321

LOCK WASHER,3/8"

WASHER, LOCK, 3/8"

10шт.

9

393470R21

FLANGE ASSY, pump mounting, all tractors except those with 1000 RPM PTO, Start Serial: 13012

1шт.

9

393470R21

FLANGE ASSY, pump mounting, tractors w/1000 RPM independent PTO, Start Serial: 15376

1шт.

179846

LEVER

10шт.

103321

LOCK WASHER,3/8"

WASHER, LOCK, 3/8"

10шт.

10

384116R1

PIN

pump mounting flange dowel

4шт.

11

9410358

PLUG

9/16-18 str thd-o-ring boss

2шт.

12

364839R1

O-RING,0.078" Thk x 0.468" ID, -906, Cl 6, 90 Duro

6-1, 90 Duro, .468" ID x .078" Thk

2шт.

13

370892R2

GASKET

pump mtg flange, light

1шт.

13

370893R2

GASKET

pump mtg flange, heavy

1шт.

14

9410360

PLUG

7/8-14 str thd-o-ring boss, tractors w/o draft control

1шт.

15

364885R1

O-RING,0.097" Thk x 0.755" ID, -910, Cl 6, 90 Duro

3/4 x 15/16 x 3/32

1шт.

16

388405R91

HYD TUBE

PIPE & HOSE ASSY, hyd power supply

1шт.

17

9410205

HYD CONNECTOR,1 1/16"-12, 37 Degree x 1 1/16"-12, O-Ring

CONNECTOR, 1-1/16-12 37 deg hyd tube short swivel

4шт.

18

368269R1

O-RING,0.116" Thk x 0.924" ID, -912, Cl 6, 90 Duro

59/64 x 1-1/16 x 7/64

4шт.

19

396875R1

HOSE

PIPE & HOSE ASSY, open center valve transfer, will work for 388406R91

1шт.

20

386121R92

VALVE

ASSY, filter

1шт.

21

388084R93

HYDRAULIC OIL FILTER

PACKAGE, oil filter element service

1шт.

21

388084R93GV

HYDRAULIC OIL FILTER

Value, Hydraulic Oil Filter

1шт.

21

388085R92

FILTER, ELEMENT

PACKAGE, oil filter element service, tractors w/hi-capacity power supply

1шт.

22

388082R1

O-RING,1.424" ID x 0.099" Width

RING, element seal

1шт.

23

389631R93

MANIFOLD ASSY

hyd housing power supply, tractors with draft control

1шт.

23

392716R92

MANIFOLD ASSY, oil cooler return, tractors w/o draft control

1шт.

179846

LEVER

3шт.

24

355965R1

O-RING,0.139" Thk x 0.921" ID, -213, Cl 5, 75 Duro

15/16 x 1-13/16 x 1/8

1шт.

25

356005R1

O-RING,1.109" ID x 0.139" Width

1-1/8 x 1-3/8 x 1/8, manifold assy, large

1шт.

26

9410978

ELBOW,90 Degree, 7/8"-14, 37 Degree x 7/8"-14, O-Ring

7/8-14 37 deg hyd flared tube adj-str-thd 90 deg, tractors with draft control

1шт.

27

389151R1

PLATE, pump mounting, tractors w/1000 RPM independent PTO and hi-capacity power supply, Serial Range: -15375

1шт.

179864

BOLT,Hex, 7/16" - 14 x 1 3/4", Gr 5

SCREW, 7/16-14 x 1-3/4 hex-hd cap

4шт.

28

254691R1

O-RING,-211, 70 Duro, .796" ID x .139" Thk

13/16 x 1-1/16 x 1/8, pump mounting spacer large, tractors w/1000 RPM independent PTO and hi-capacity power supply, Serial Range: -15375

1шт.

29

352221R1

O-RING,0.103" Thk x 0.549" ID, -113, Cl 5, 75 Duro

9/16 x 3/4 x 3/32, pump mounting spacer small, tractors w/1000 RPM independent PTO and hi-capacity power supply, Serial Range: -15375

1шт.

30

VALVE ASSY, power steering, for components see list of parts under detail of power steering flow divider valve, section J

1шт.

393259R1

HOSE

INSULATOR, hydraulic line, round

1шт.

393258R1

INSULATOR, hydraulic line, square

1шт.

Выбрано товаров: 70