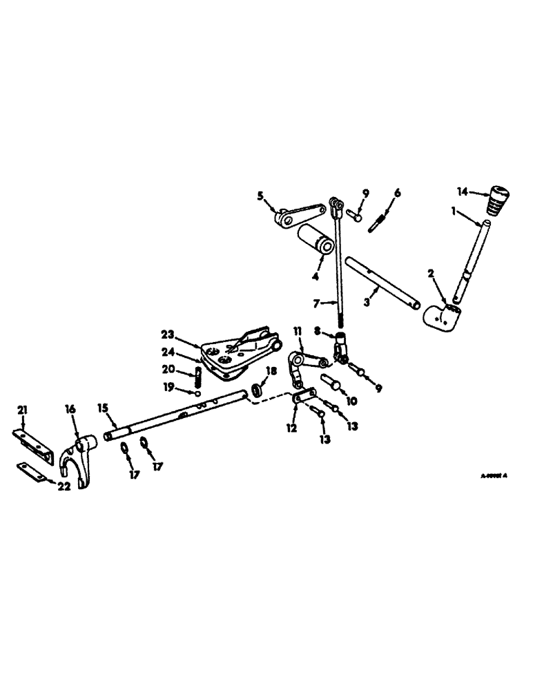
Запчасти Case IH 656 (H-09) - CONTROLS, HI-LO SHIFT CONTROLS AND LINKAGE, FARMALL TRACTORS WITH HYDROSTATIC DRIVE Controls

Схема запчастей Case IH 656 - (H-09) - CONTROLS, HI-LO SHIFT CONTROLS AND LINKAGE, FARMALL TRACTORS WITH HYDROSTATIC DRIVE Controls
10
1
7
3
15
24
9
18
11
5
14
21
2
20
8
13
17
19
23
22
12
16
13
9
6
4
17
FIT
1:1
100%

Артикул

Название

Примечание

Количество

1

399029R2

ROD, hi-lo shift, also order knob 537110R1, Serial Range: -46202

1шт.

1

537477R1

ROD, hi-lo shift, Start Serial: 46203

1шт.

2

399031R1

PIVOT

HUB, shift rod

1шт.

617940R1

PIN,5/16" x 1 3/4", Coiled

2шт.

3

398767R1

ROD

shift rod pivot

1шт.

4

398768R1

BEARING, pivot rod

1шт.

5

388189R91

LEVER

ASSY, rod operating RH

1шт.

617939R1

PIN,5/16" x 1 1/2", Coiled

1шт.

6

388183R1

SCREW,1/4" - 20 x 2"

shift handle housing retaining

1шт.

114501

JAM NUT,Jam, 1/4"-20, G5

1шт.

7

398769R1

ROD

ASSY, hi-lo range

1шт.

114494

NUT,Jam, 3/8"-24, G5

1шт.

8

104038

ADJUSTABLE CLEVIS,3/8"-24 x 2 1/2"

CLEVIS, 3/8-24 x 2-1/2 adj rod end

1шт.

9

103496

CLEVIS PIN,3/8" x 1.060"

PIN, 3/8 x 1-3/32 rod end

2шт.

103373

COTTER PIN,3/32" x 3/4"

Pin, Split (Cotter), 3/32" x 3/4"

2шт.

10

496032R1

PIN, 5/8 x 3-5/8 std-hd

1шт.

432-1216

COTTER PIN,3/16" x 1"

Pin, Split (Cotter), 3/16" x 1"

1шт.

11

398624R1

LEVER

transmission shift

1шт.

12

388201R1

DRAG LINK

LINK, transmission shift lever actuating

2шт.

13

Q3529

AXLE PIN

PIN, 5/16 x 1-5/8 std-hd

2шт.

103384

COTTER PIN,1/8" x 3/4"

Pin, Split (Cotter), 1/8" x 3/4"

2шт.

14

537110R1

GRIP

KNOB, shift handle

1шт.

If dealer is looking for decal that goes inside P/N 537110R1, it is P/N 2753957R1.

1шт.

15

396813R1

RAIL, hi-lo shifter

1шт.

16

388172R1

FORK

hi-lo shifter

1шт.

NLS

NO LONGER SERVICED

1шт.

93-41039

LOCK WASHER,Ext Tooth, 3/8"

WASHER, 3/8 ext-tooth lock

1шт.

17

388173R1

RING

shifter rail stop snap

2шт.

18

111710R91

SEAL

shifter rail oil

1шт.

19

13722D

BALL

1/2 cr-stl

1шт.

20

41058DA

SPRING

shifter rail poppet

1шт.

21

388177R1

ANGLE

shifter fork rear support

1шт.

22

388178R1

SHIM

PLATE, shifter fork rear support lock

1шт.

179838

BOLT,Hex, 3/8" - 16 x 7/8", Gr 5, Full Thd

3/8-16 x 7/8 hex-hd cap

2шт.

23

406113R1

BRACKET, transmission pivot shaft support, replaces 388204R1

1шт.

179874

BOLT,Hex, 7/16" - 14 x 4", Gr 5

2шт.

179838

BOLT,Hex, 3/8" - 16 x 7/8", Gr 5, Full Thd

3/8-16 x 7/8 hex-hd cap

2шт.

24

392007R1

GASKET

transmission pivot shaft support bracket, replaces (Replaces 406114R1)

1шт.

According to GPN, 392007R1 does not sub to 406114R1. P/N 392007R1 has seven holes and 406114R1 has six holes.

1шт.

Выбрано товаров: 39