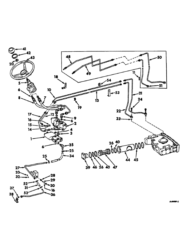
Запчасти Case IH 656 (J-10) - STEERING MECHANISM, POWER STEERING, FARMALL TRACTORS WITH HYDROSTATIC DRIVE Steering Mechanism

Схема запчастей Case IH 656 - (J-10) - STEERING MECHANISM, POWER STEERING, FARMALL TRACTORS WITH HYDROSTATIC DRIVE Steering Mechanism
5
37
26
17
4
1
33
15
26
43
41
52
6
20
38
31
35
47
6
14
7
19
54
8
30
18
27
23
16
6
32
40
3
48
24
36
42
13
40
44
46
50
9
29
34
2
12
53
25
28
16
39
49
22
45
51
21
10
25
52
11
FIT
1:1
100%

Артикул

Название

Примечание

Количество

1

396876R91

VALVE ASSY, power steering flow divider, for components see list of parts under details of power steering flow divider valve, Serial Range: -40504

1шт.

1

543959R91

VALVE ASSY, power steering flow divider, for components see list of parts under details of power steering flow divider valve, Start Serial: 45205

1шт.

2

527492R91

LOCK VALVE

VALVE ASSY, power steering pilot, will work for 396726R91, for components see list of parts under details of power steering pilot valve

1шт.

179849

BOLT,Hex, 3/8" - 16 x 2 1/2", Gr 5

3шт.

103321

LOCK WASHER,3/8"

WASHER, LOCK, 3/8"

3шт.

3

362796R1

O-RING,0.924" ID x 0.103" Width

15/16 x 1-1/8 x 3/32, pilot valve large

1шт.

4

369908R1

O-RING,0.103" Thk x 0.799" ID, -117, Cl 5, 75 Duro

13/16 x 1 x 3/32, pilot valve small

1шт.

5

388407R93

PUMP

hydrostatic power steering hand, for components see list of parts under details of hydrostatic power steering hand pump

1шт.

179820

BOLT,Hex, 5/16" - 18 x 1 1/4", Gr 5

1шт.

115548

LOCK WASHER,Int Tooth, 5/16"

WASHER, LOCK, Int Tooth, 5/16"

4шт.

6

570828R1

O-RING,0.087" Thk x 0.644" ID, -908, Cl 6, 90 Duro

.644 x .818 x .087

5шт.

7

388409R91

HYD TUBE

PIPE & HOSE ASSY, hand pump RH

1шт.

8

388408R91

HYDRAULIC HOSE

& HOSE ASSY, hand pump LH

1шт.

9

9410977

ELBOW,90 Degree, 3/4"-16, 37 Degree x 3/4"-16, O-Ring

3/4-16 37 deg flared tube adj str thd 90 deg

2шт.

10

398149R1

PIPE ASSY, valve to bolster front port center

1шт.

11

393068R1

HOSE

power steering bumper

4шт.

12

390942R11

TUBE

PIPE ASSY, valve to bolster, front port rear, gasoline & diesel tractors

1шт.

ref #12 (P/N 390942R11) - 11.32" 21-MAY-96

1шт.

12

393129R11

TUBE ASSY, valve to bolster front port rear, LP gas tractors

1шт.

13

398152R1

PIPE ASSY, valve to bolster rear port center

1шт.

14

9410202

HYD CONNECTOR,9/16"-18, 37 Degree x 9/16"-18, O-Ring

CONNECTOR, 9/16-18 37 deg hyd flared tube short swivel

1шт.

15

9410976

ELBOW,90 Degree, 9/16"-18, 37 Degree x 9/16"-18, O-Ring

9/16-18 37 deg hyd flared tube adj str thd 90 deg

1шт.

16

364839R1

O-RING,0.078" Thk x 0.468" ID, -906, Cl 6, 90 Duro

6-1, 90 Duro, .468" ID x .078" Thk

3шт.

17

390951R11

TUBE

PIPE ASSY, valve to bolster, rear port rear

1шт.

ref #17 (P/N 390951R11) - 9" 21-MAY-96

1шт.

18

388412R11

BRACKET ASSY, oil cooler & power steering tubes, gasoline & diesel tractors

1шт.

18

393135R11

BRACKET ASSY, oil cooler & power steering tubes, LP gas tractors

1шт.

179816

BOLT,Hex, 5/16" - 18 x 3/4", Gr 5

2шт.

103320

LOCK WASHER,5/16"

WASHER, LOCK, 5/16"

2шт.

19

381448R1

CLAMP

hydraulic tube, gasoline & diesel tractors

1шт.

19

378776R1

CLAMP, tube, LP gas tractors

1шт.

109087

BUMPER

NUT, 1/4-20 hex.

1шт.

103319

LOCK WASHER,1/4"

WASHER, LOCK, 1/4"

1шт.

179797

BOLT,Hex, 1/4" - 20 x 1", Gr 5

SCREW, 1/4-20 x 1-7/8 hex-hd cap

1шт.

20

F19646

LOCK NUT,13/16"-20, Thin

NUT, steering wheel

1шт.

21

398145R1

TUBE

ASSY, valve to bolster front port front section, gasoline & diesel tractors

1шт.

22

398147R1

TUBE

ASSY, valve to bolster rear port front section, gasoline & diesel tractors

1шт.

23

382997R1

O-RING,0.07" Thk x 0.489" ID, -14, Cl 6, 90 Duro

1/2 x 5/8 x 1/16

4шт.

24

370922R1

SCREW,Hex, 7/16" - 20 x 1"

pressure tube union

2шт.

588099R1

WASHER

15/32 x 3/4 x 22 ga.

2шт.

25

274085R9

CLAMP, cooler return pipe hose

2шт.

26

380910R1

O-RING,0.103" Thk x 2.987" ID, -151, Cl 5, 75 Duro

3 x 3-3/16 x 3/32

2шт.

27

401549R1

MANIFOLD ASSY, oil cooler return, tractors w/o draft control

1шт.

27

401791R1

MANIFOLD

ASSY, power supply & oil cooler retrun, tractors w/draft control, Serial Range: -31312

1шт.

27

402327R2

MANIFOLD

ASSY, power supply & oil cooler return, tractors w/draft control, Start Serial: 31313

1шт.

179846

LEVER

3шт.

28

354057R2

VALVE

check

1шт.

29

382334R1

SPRING

check

1шт.

30

390825R1

PLUG

std thd o-ring boss

1шт.

31

HOSE, power steering to reservoir, use 5-1/2 in. of 3/8 in. ID hose from 50 ft. roll, 526601R1

1шт.

32

355965R1

O-RING,0.139" Thk x 0.921" ID, -213, Cl 5, 75 Duro

15/16 x 1-3/16 x 1/8, hyd housing flange small

1шт.

33

356005R1

O-RING,1.109" ID x 0.139" Width

1-1/8 x 1-5/16 x 1/8, hyd housing flange large

1шт.

34

385053R1

HOSE, flow divider valve-return

1шт.

35

396883R1

ELBOW, flow divider

1шт.

36

396884R11

TUBE

ASSY, P/S to reservoir, Serial Range: -31312

1шт.

36

401842R1

TUBE

ASSY, P/S to reservoir, Start Serial: 31313

1шт.

37

400840R1

ELBOW ASSY, P/S return rear tube

1шт.

38

364839R1

O-RING,0.078" Thk x 0.468" ID, -906, Cl 6, 90 Duro

6-1, 90 Duro, .468" ID x .078" Thk, for 3/8 OD tubing

1шт.

39

378652R1

HOUSING

COVER, housing end

1шт.

327202R1

BOLT

SCREW, 7/16-14 x 1-7/8 hex-hd cap

4шт.

183544R1

WASHER

15/3 x 7/8 x 1/8 hardened

4шт.

40

378651R1

SEALING RING

RING, rack piston

2шт.

41

378395R1

CAP

steering wheel

1шт.

42

295204R1

O-RING,0.103" Thk x 2.8" ID, -149, Cl 5, 75 Duro

2-13/16 x 3 x 3/32, steering wheel cap

1шт.

43

385156R1

WHEEL (STEERING)

WHEEL, 16 in. dia steering

1шт.

43

385156R1GV

STEERING WHEEL

Value, Steering Wheel

1шт.

44

367805R2

SLEEVE CYLINDER

SLEEVE, steering cyl

1шт.

45

254688R1

O-RING,0.21" Thk x 3.85" ID, -344, Cl 5, 75 Duro

3-7/8 x 4-1/4 x 3/16

3шт.

46

384349R1

O-RING,0.139" Thk x 3.734" ID, -240, Cl 6, 90 Duro

3-3/4 x 4 x 1/8

1шт.

47

379364R1

PISTON

power steering

1шт.

48

393128R11

TUBE ASSY, valve to bolster front port center, LP gas tractors

1шт.

49

393130R11

TUBE ASSY, valve to bolster rear port rear, LP gas tractors

1шт.

50

388414R11

TUBE

PIPE ASSY, valve to bolster front port front section, LP gas tractors

1шт.

51

388415R11

TUBE

PIPE ASSY, valve to bolster rear port front section, LP gas tractors

1шт.

52

279025R91

HOSE CLAMP,#06, .44/.78 Type F Worm

Power steering to reservoir #06, .44/.78 Type F Worm

2шт.

53

398151R1

SUPPORT, power steering tubes front, gasoline & diesel tractors

1шт.

54

384891R1

CLAMP

hyd steering tubes, gasoline & diesel tractors

1шт.

413-412

BOLT,Hex, 1/4" - 20 x 3/4", Gr 5

SCREW, 1/4-20 x 3/4 hex-hd cap

1шт.

103319

LOCK WASHER,1/4"

WASHER, LOCK, 1/4"

1шт.

393259R1

HOSE

INSULATOR, round hydraulic line, 5/8 ID x 3/4 in. long

1шт.

Выбрано товаров: 80