Запчасти Case IH 656 (E-04) - FUEL SYSTEM, FUEL TANK, SUPPORTS AND PIPING, FARMALL GASOLINE ENGINE TRACTORS (02) - FUEL SYSTEM

Схема запчастей Case IH 656 - (E-04) - FUEL SYSTEM, FUEL TANK, SUPPORTS AND PIPING, FARMALL GASOLINE ENGINE TRACTORS (02) - FUEL SYSTEM
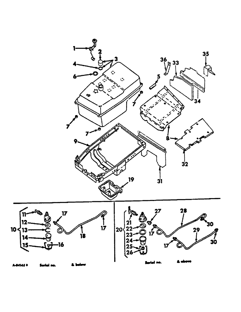
9
21
25
13
32
18
24
26
17
34
7
27
30
20
17
7
3
8
10
28
4
33
2
31
17
16
35
29
15
11
30
22
36
12
23
19
7
6
5
17
14
1
FIT
1:1
100%

Артикул

Название

Примечание

Количество

1

378427R92

GAUGE

SENDING UNIT ASSY, electric fuel gauge

1шт.

1310675C1

CAPTIVE WASHER SCREW,Sl Truss Hd, #10 - 24 x 0.75"

SCREW, LOCK, , Sending unit mounting Sltd Truss Hd, #10-24 x 3/4", w/nylon LW

5шт.

2

361910R91

PLUG

CAP, w/gasket, fuel tank filler

1шт.

3

66305C91

TANK

ASSY, fuel, will work for 368780R93

1шт.

231-1446

NUT,3/8" - 16, Gr 5

NUT LOCK, 3/8"-16, GB

4шт.

179841

BOLT,Hex, 3/8" - 16 x 1 1/4", Gr 5

3/8-16 x 1-1/4 hex-hd cap

3шт.

NLS

NO LONGER SERVICED

1шт.

95-11041

WASHER,3/8"

(13/32 x 13/16 x .065) 3/8"

4шт.

4

23977DB

GASKET

fuel tank filler cap

1шт.

5

392910R1

BUMPER

heat shield

1шт.

6

369154R1

GASKET

sending unit

1шт.

7

60671DA

WASHER,11.94mm ID x 30.48mm OD x 8.13mm Thk

PAD, fuel tank insulating

4шт.

8

530545R1

SHIELD, lower heat, replaces 378681R1

1шт.

256873

BOLT,Hex Serr, 5/16" - 18 x 1/2", 5SPL, Full Thd

4шт.

179812

GEAR

SCREW, 5/16-18 x 1/2 hex-hd cap

3шт.

33530H

SPACER, heat shield

2шт.

9

388327R14

FRAME ASSY, fuel tank

1шт.

131-883

SPRING NUT,Rtnr, 5/16" - 18

5/16-18 floating cage, used with .543-.548 square holes

2шт.

389117R91

NUT

5/16-18 floating cage, used with .582-.587 square holes

2шт.

179871

BOLT,Hex, 7/16" - 14 x 3 1/4", Gr 5

SCREW, 7/16-14 x 3-1/4 hex-hd cap

4шт.

179840

BOLT,Hex, 3/8" - 16 x 1 1/8", Gr 5

SCREW, 3/8-16 x 1-1/8 hex-hd cap

2шт.

10

370832R91

STRAINER ASSY.

STRAINER, w/nut, 19985R1, fuel

1шт.

10

370832R91GV

FUEL FILTER

Value, Fuel Strainer

1шт.

10

383653R91

STRAINER ASSY.

STRAINER, w/nut, 19985R1, fuel, tractors with cotton picker Tillotson MGF

1шт.

11

259403R91

COCK

STEM ASSY, strainer

1шт.

12

13194D

STRAINER ASSY.

SCREEN, strainer

1шт.

13

355888R2

GASKET

strainer

1шт.

14

357957R1

BOWL

strainer, glass

1шт.

14

58839D

BOWL

strainer, metal, tractors with cotton picker

1шт.

15

17564D

HOLDER

BAIL, strainer

1шт.

16

50061D

NUT

strainer

1шт.

17

222-503

TUBE NUT,1/2"-20

NUT, 1/2-20 hi duty tube fitting

1шт.

18

388332R11

PIPE ASSY, fuel, Serial Range: strainer-carburetor

1шт.

19

388331R2

SPACER, fuel tank

1шт.

20

398113R91

FILTER ASSY

STRAINER ASSY, fuel Imperial Brass MFG

1шт.

21

398749R1

COCK

VALVE ASSY, fuel shut off

1шт.

22

398750R1

SCREEN

fuel strainer

1шт.

23

398751R1

GASKET

fuel strainer

1шт.

24

398752R1

BOWL

fuel strainer

1шт.

25

398753R1

SUPPORT

BAIL ASSY, fuel strainer

1шт.

26

398754R1

NUT

fuel strainer

1шт.

27

442322

ROD, CONNECTING

CONNECTOR, 1/8-27 inverted flared tube

1шт.

28

398114R91

TUBE, w/nut, 29899D & nut, 142427, for use with IH carburetor

1шт.

29

397799R11

TUBE, w/two nut, 29899D and one nut, 142427, for use with Marvel Schebler carburetor

1шт.

30

222-1003

TUBE NUT,5/16" Tube, 45 Degree Inv Fl

NUT, 1/2-20 inverted flared tube

1шт.

31

530547R1

SHIELD, lower heat extension, gear drive tractors

1шт.

31

530548R1

SHIELD, lower heat extension, hydrostatic tractors

1шт.

32

530546R1

INSULATION, fuel tank

1шт.

33

530544R2

INSULATION, upper heat shield

1шт.

34

398142R1

SHIEL ASSY, upper heat

1шт.

35

530636R1

CLAMP, insulation

1шт.

36

398144R1

SUPPORT, upper heat shield

1шт.

36

532548R91

PARTS ACCESSORY, extended & insulated heat shield, consists of ref nos. 31, 32, 33 and 35, also included in parts accessory insulation, 406450R1 listed under hood listing, section A, Serial Range: -41971

1шт.

Выбрано товаров: 53