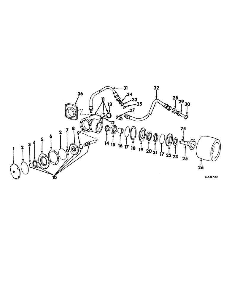
Запчасти Case IH 756 (B-30) - POWER TRAIN, BELT PULLEY, TRACTORS WITH INDEPENDENT PTO (03) - POWER TRAIN

Схема запчастей Case IH 756 - (B-30) - POWER TRAIN, BELT PULLEY, TRACTORS WITH INDEPENDENT PTO (03) - POWER TRAIN
19
34
15
24
23
25
17
20
6
2
21
14
18
10
31
3
8
27
4
33
26
17
30
2
12
5
13
35
32
7
36
16
29
9
11
28
1
22
FIT
1:1
100%

Артикул

Название

Примечание

Количество

ATTACHMENT, belt pulley, 383026R91

1шт.

1

373059R91

RETAINER, pulley drive gear brg

1шт.

9617020

PLUG,1/4" - 18 x 0.48"

1/4-18 auto. Hex Socket

1шт.

179842

SPACER

3/8-16 x 1-3/8 hex-hd cap

5шт.

2

606922C1

O-RING,0.139" Thk x 5.734" ID, -256, Cl 5, 75 Duro

5-3/4 x 6 x 1/8, pulley drive gear bearing cage or retainer

1шт.

3

RING, pulley drive gear bearing snap, order 388211R91

1шт.

4

BEARING, pulley drive gear roller, order 388211R91

1шт.

5

373055R1

CAGE, pulley drive gear bearing

1шт.

6

373056R1

SHIM, pulley drive gear brg case, .007

1шт.

6

373057R1

SHIM, pulley drive gear brg cage, .012

1шт.

6

373058R1

SHIM, pulley drive gear brg cage, .0299 (or as required)

2шт.

7

145201R1

PLUG

input shaft

1шт.

8

GEAR, pulley drive bevel, 19 teeth, order 388211R91

1шт.

9

324051R1

CLIP

RING, pulley drive bevel gear snap

1шт.

10

388211R91

GEAR & SHAFT ASSY, drive

1шт.

11

384320R11

HOUSING ASSY, belt pulley drive

1шт.

9617020

PLUG,1/4" - 18 x 0.48"

1/4-18 auto. Hex Socket

2шт.

9409947

DRAIN PLUG,Sq Soc, 3/4"-14 NPTF

PLUG, 3/4-14 auto. sq-soc pipe

1шт.

179883

BOLT,Hex, 1/2" - 13 x 1 1/4", Gr 5

4шт.

12

364725R2

BUSHING, imput shaft

1шт.

13

365416R91

OIL SEAL

pulley drive gear hub oil

1шт.

14

384323R2

GEAR, driven bevel, 20 teeth

1шт.

15

69348C91

ROLLER BEARING,1.9685" ID x 4.3307" OD x 1.063"

BEARING, pulley shaft inner roller, replaces 384324R91

1шт.

16

373061R1

SPACER, pulley shaft bearing

1шт.

17

22412R1

O-RING,0.139" Thk x 4.734" ID, -248, Cl 5, 75 Duro

-248, 70 Duro, 4.734" ID x .139" Thk, pulley shaft retainer or cage

2шт.

18

364741R2

SHIM, pulley shaft bearing cage, .007 (or as required)

2шт.

19

364740R1

CAGE, pulley shaft bearing

1шт.

20

384325R91

BEARING, pulley shaft outer roller

1шт.

21

365434R91

OIL SEAL

SEAL, pulley shaft brg retainer oil

1шт.

22

RETAINER, pulley shaft bearing, not serviced separately

1шт.

413-622

BOLT,Hex, 3/8" - 16 x 1-3/8", Gr 5

3/8-16 x 1-3/8 hex-hd cap

4шт.

23

(Not used in this application)

1шт.

24

40093D

WOODRUFF KEY,#127, 1/4" x 2 1/8", HT

KEY, 1/4 x 2-1/8 Woodruff 127, pulley shaft bevel gear

1шт.

25

384326R1

SHAFT, pulley

1шт.

70120D

SLOTTED NUT,7/8"-14

NUT, pulley shaft gear retainer

1шт.

103386

COTTER PIN,1/8" x 1 1/4"

Pin, Split (Cotter), 1/8" x 1 1/4"

1шт.

358235R1

WASHER, pulley shaft gear retainer

1шт.

26

364748R91

PULLEY, belt, 11 in. dia x 7-1/2 in. face

1шт.

181428

BOLT,Hex, 1/2" - 20 x 1 1/8", Gr 5

SCREW, 1/2-20 x 1-1/8 hex-hd cap

6шт.

27

384331R1

RETAINER, plug storage

1шт.

28

9403370

CAP,37 Degree, 1/2"-20

1/2-20 C-Z 37 deg hyd flared tube

1шт.

29

384328R1

HYD CONNECTOR,1/2" - 20 JIC x 3/8" - 24 JIC

CONNECTOR, orifice

1шт.

30

379795R1

O-RING,0.064" Thk x 0.301" ID, -903, Cl 6, 90 Duro

3-1, .301" ID x .064" Thk, Orifice connector

1шт.

31

384329R91

HOSE ASSEMBLY, belt pulley inlet

1шт.

105423

ELBOW,90 Degree, 1/4" NPT Street

1/4 90 deg street

1шт.

32

393452R91

HOSE ASSEMBLY, belt pulley outlet

1шт.

33

369384R1

O-RING,0.072" Thk x 0.414" ID, -905, Cl 6, 90 Duro

5-1, 90 Duro, .414" ID x .072" Thk, Belt pulley outlet hose assembly

1шт.

34

9410357

PLUG

1/2-20 C-Z str thd o-ring boss, in independent PTO cover when belt pulley is not in use

1шт.

35

369384R1

O-RING,0.072" Thk x 0.414" ID, -905, Cl 6, 90 Duro

5-1, 90 Duro, .414" ID x .072" Thk, Used with plug, 9410357

1шт.

36

(Not used in this application)

1шт.

Выбрано товаров: 50